EasyManua.ls Logo

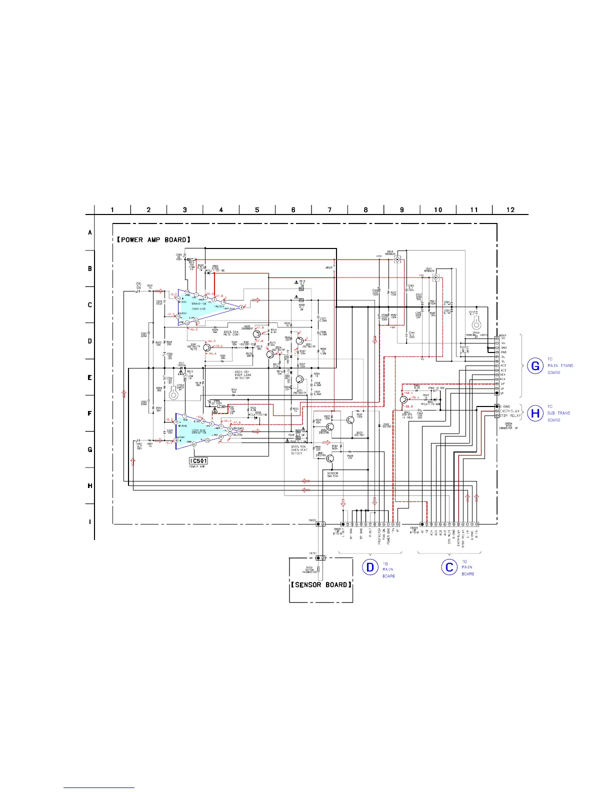
Sony HCD-DX70 - 6-13. SCHEMATIC DIAGRAM - POWER AMP SECTION

Sony HCD-DX70
72 pages
Print Icon
To Next Page IconTo Next Page
To Next Page IconTo Next Page
To Previous Page IconTo Previous Page
To Previous Page IconTo Previous Page
Loading...
3333
HCD-DX70
6-13. SCHEMATIC DIAGRAM POWER AMP SECTION
(Page 43)
(Page 43)
(Page 30)
(Page 30)

Table of Contents

Related product manuals