EasyManua.ls Logo

Sony HCD-DZ100K - Schematic Diagram - DMB10 Board (1;4)

Sony HCD-DZ100K
84 pages
Print Icon
To Next Page IconTo Next Page
To Next Page IconTo Next Page
To Previous Page IconTo Previous Page
To Previous Page IconTo Previous Page
Loading...
2929
HCD-DZ100K/DZ500KF
HCD-DZ100K/DZ500KF
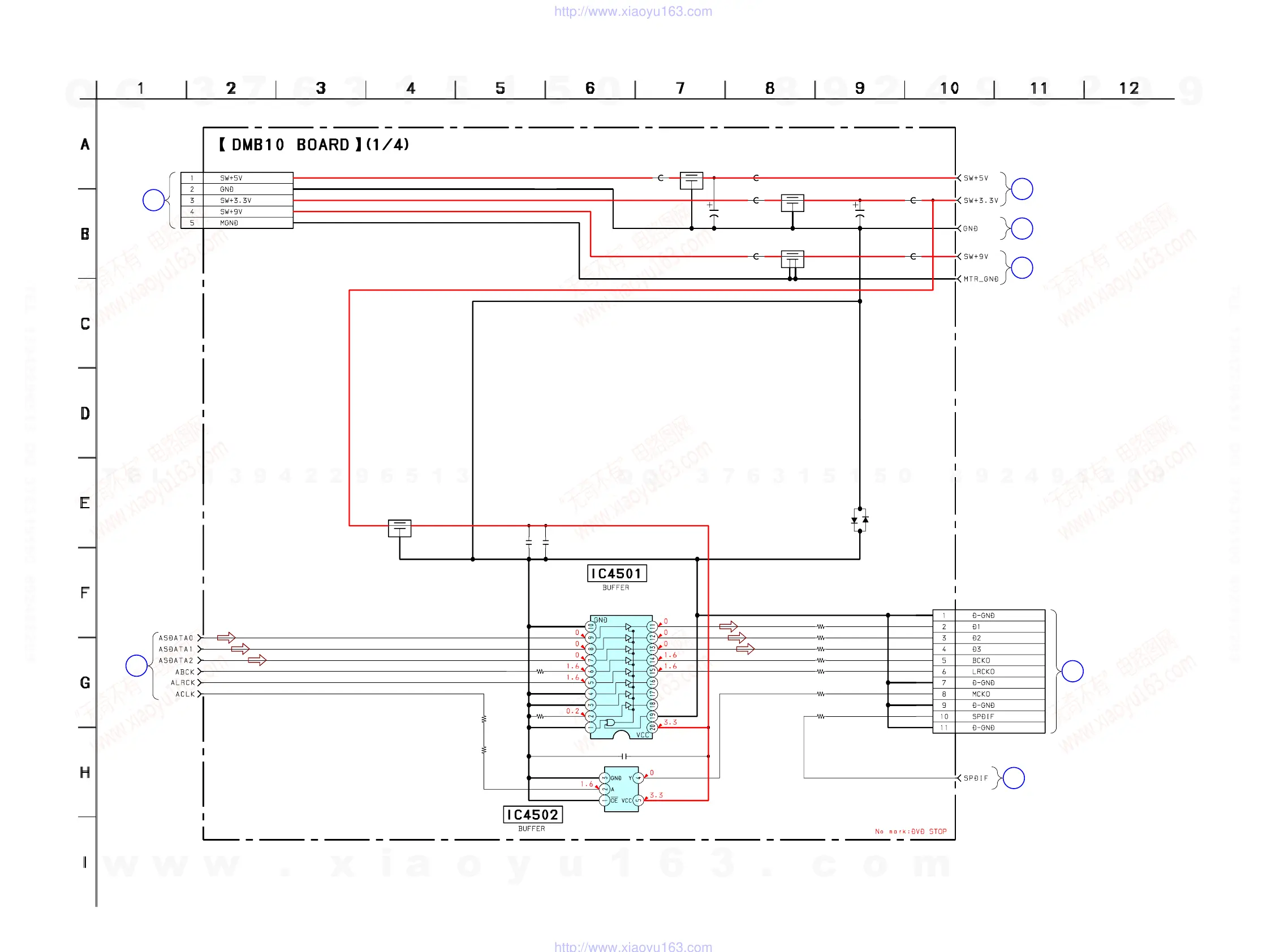
5-4. SCHEMATIC DIAGRAM – DMB10 BOARD (1/4) –
C402
C403
FL401
FL402
FB401
FB402
FB403
FB404
FB405
FB406
FL403
CN401
R4501
R4512
R4513
R4518
R4520
IC4502
FL4501
IC4501
R4502
D3501
D3502
CN4501
C4501
C4502
R4511
R4510
R4516
R4515
R4514
47
16V
47
6.3V
0uH
EMI
0uH
0uH
0uH
0uH
0uH
0uH
0uH
5P
0
0UH
0
0
0
SN74AHC1GU04DCKR
0UH
SN74LVC541
APWR
0
1SS355WTE-17
1SS355WTE-17
11P
10
0.01
100
47
100
100
100
C4504
0.01
MAIN BOARD
(2/9)
(Page 36)
B
MAIN BOARD
(2/9)
(Page 36)
A
DMB10 BOARD
(2/4)
(Page 30)
52
DMB10 BOARD
(2/4)
(Page 30)
51
DMB10 BOARD
(2/4, 3/4, 4/4)
(Page 30, 31, 32)
62
DMB10 BOARD
(2/4, 3/4, 4/4)
(Page 30, 31, 32)
65
DMB10 BOARD
(4/4)
(Page 32)
63
w
w
w
.
x
i
a
o
y
u
1
6
3
.
c
o
m
Q
Q
3
7
6
3
1
5
1
5
0
9
9
2
8
9
4
2
9
8
T
E
L
1
3
9
4
2
2
9
6
5
1
3
9
9
2
8
9
4
2
9
8
0
5
1
5
1
3
6
7
3
Q
Q
TEL 13942296513 QQ 376315150 892498299
TEL 13942296513 QQ 376315150 892498299
http://www.xiaoyu163.com
http://www.xiaoyu163.com

Table of Contents

Related product manuals