EasyManua.ls Logo

Sony HCD-DZ100K - Schematic Diagram - DMB10 Board (4;4)

Sony HCD-DZ100K
84 pages
Print Icon
To Next Page IconTo Next Page
To Next Page IconTo Next Page
To Previous Page IconTo Previous Page
To Previous Page IconTo Previous Page
Loading...
3232
HCD-DZ100K/DZ500KF
HCD-DZ100K/DZ500KF
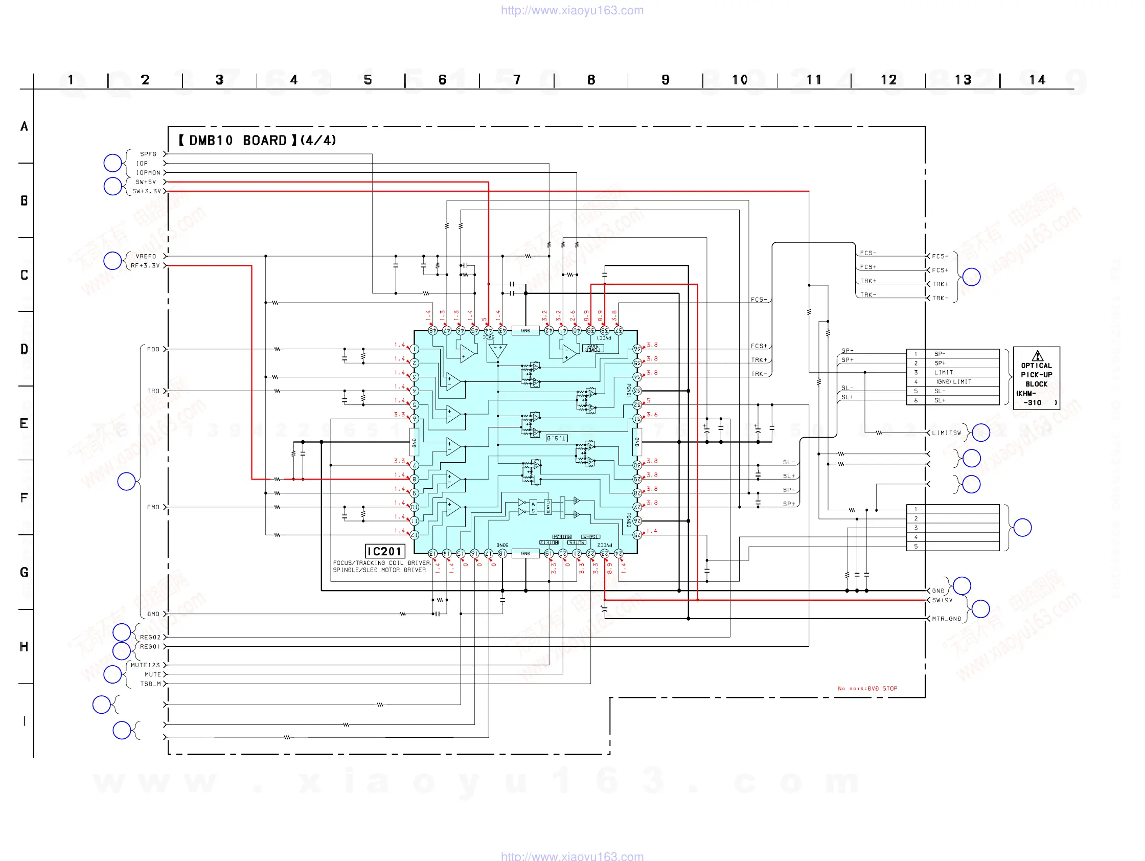
5-7. SCHEMATIC DIAGRAM – DMB10 BOARD (4/4) –
R E V
F W D
T R O P E N P W M
OCSW1
CKSW1
GND
LDM-
LDM+
CKSW
OCSW
OCSW1
CAA
C217
C218
C220
CN201
R247
R246
R204
R207
C203
R205
R210
C208
R216
R213
R206
R209
C206
R215
R212
R208
C205
R214
R220
C233
C209
R221
R223
R225
C211
R226
C214
C212
R230
R231
R232
R234
C215
R233
C219
C224
C221
C222
R219
R224
C210
C213
IC201
47
16V
10
16V
10
16V
6P
CN202
5P
1k
4.7k
1.2k
2.7k
0.01
10k
47k
0.01
12k
6.8k
10k
33k
220p
12k
10k
33k
220p
15k
10k
0.0047
0.033
56k
100k
100k
0.033
56k
0.001
0.01
82k
15k
18k
10k
0.01
33k
0.01
0.01
0.1
0.1
27k
10k
0.01
0.01
FAN8036L
R222
33k
R227
0
R228
0
C223
0.1
C225
C226
R243
0.001
0.001
100
R2505
R237
R236
0
1k
1k
R239
4.7k
R238
4.7k
DMB10 BOARD
(2/4)
(Page 30)
69
DMB10 BOARD
(2/4)
(Page 30)
68
DMB10 BOARD
(2/4)
(Page 30)
61
DMB10 BOARD
(2/4)
(Page 30)
54
DMB10 BOARD
(2/4)
(Page 30)
55
DMB10 BOARD
(2/4)
(Page 30)
58
DMB10 BOARD
(2/4)
(Page 30)
64
DMB10 BOARD
(2/4)
(Page 30)
57
DMB10 BOARD
(1/4, 2/4, 3/4)
(Page 29, 30, 31)
65
DMB10 BOARD
(1/4, 2/4, 3/4)
(Page 29, 30, 31)
62
DMB10 BOARD
(1/4)
(Page 29)
63
MS-203
BOARD
(Page 47)
J
DMB10 BOARD
(2/4)
(Page 30)
60
DMB10 BOARD
(2/4)
(Page 30)
70
DMB10 BOARD
(3/4)
(Page 31)
67
DMB10 BOARD
(2/4)
(Page 30)
50
w
w
w
.
x
i
a
o
y
u
1
6
3
.
c
o
m
Q
Q
3
7
6
3
1
5
1
5
0
9
9
2
8
9
4
2
9
8
T
E
L
1
3
9
4
2
2
9
6
5
1
3
9
9
2
8
9
4
2
9
8
0
5
1
5
1
3
6
7
3
Q
Q
TEL 13942296513 QQ 376315150 892498299
TEL 13942296513 QQ 376315150 892498299
http://www.xiaoyu163.com
http://www.xiaoyu163.com

Table of Contents

Related product manuals