EasyManua.ls Logo

Sony HCD-GRX5 - Schematic Diagram - TAPE DECK Section

Sony HCD-GRX5
70 pages
Print Icon
To Next Page IconTo Next Page
To Next Page IconTo Next Page
To Previous Page IconTo Previous Page
To Previous Page IconTo Previous Page
Loading...
– 39 –
– 40 –
HCD-GRX5/RX66
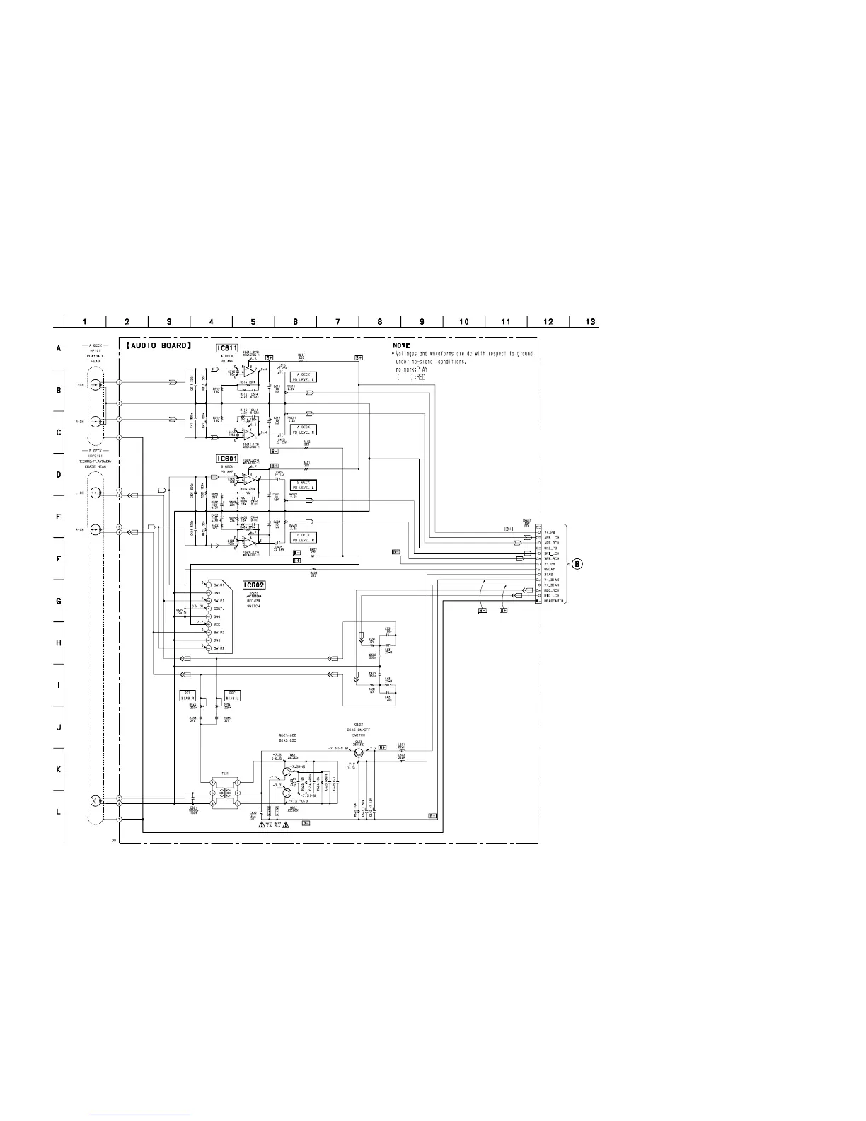
7-10. SCHEMATIC DIAGRAM – TAPE DECK Section –
See page 67 for IC Block Diagrams. • See page 27 for Note on Schematic Diagram.
(Page 49)
MAIN BOARD
CN106

Related product manuals