EasyManua.ls Logo

Sony HCD-GX570 - Cd Deck Receiver Component - Front Panel Section

Sony HCD-GX570 - Cd Deck Receiver Component
106 pages
Print Icon
To Next Page IconTo Next Page
To Next Page IconTo Next Page
To Previous Page IconTo Previous Page
To Previous Page IconTo Previous Page
Loading...
66
HCD-GX470/GX570
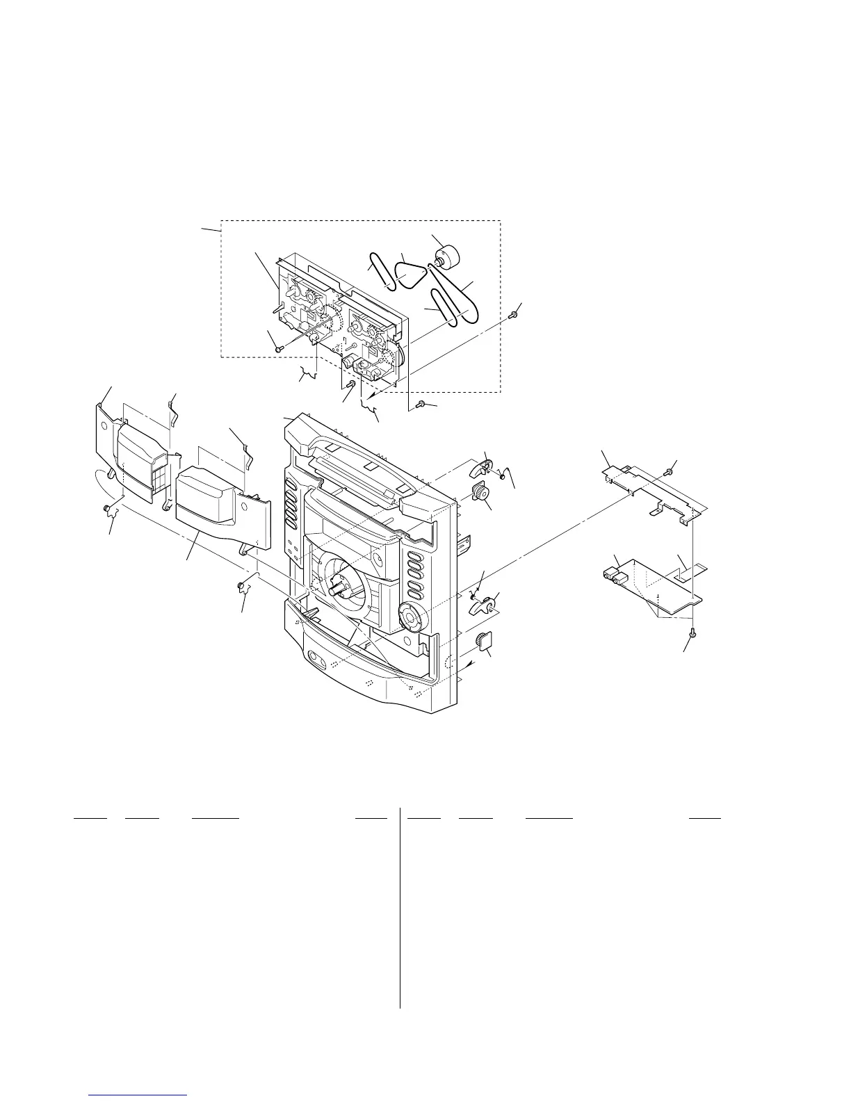
8-4. FRONT PANEL SECTION
Ref. No. Part No. Description Remark
Ref. No. Part No. Description Remark
152 2-658-304-01 SPRING (CASS R)
153 2-658-271-01 BOX, CASSETTE (R) (GX570)
153 2-658-271-11 BOX, CASSETTE (R) (GX470)
154 2-658-303-01 SPRING (CASS L)
155 2-658-270-11 BOX, CASSETTE (L) (GX570)
155 2-658-270-21 BOX, CASSETTE (L) (GX470)
156 4-238-631-11 TAPE SPRING
157 X-2109-216-1 PANEL (SERVICE) ASSY, FRONT (GX570: US)
157 X-2109-223-1 PANEL (SERVICE) ASSY, FRONT(GX570: CND)
157 X-2109-224-1 PANEL (SERVICE) ASSY, FRONT (GX470: US)
157 X-2109-225-1 PANEL (SERVICE) ASSY, FRONT (GX470: CND)
158 1-417-656-21 MECHA DECK (CWN42FF609)
159 4-951-620-01 SCREW (2.6X8), +BVTP
160 4-231-825-01 CAM (B), HEART
161 4-231-841-01 SPRING (HEART CAM-B)
162 4-224-104-41 DAMPER
163 4-231-836-01 SPRING (HEART CAM-A)
164 4-231-824-01 CAM (A), HEART
167 A-1159-739-A MIC. AUX. HP BOARD, COMPLETE
168 1-831-772-21 CABLE, FLEXIBLE FLAT (9 CORE)
169 4-235-777-01 BELT (FR)
170 2-683-559-01 BELT (AF)
171 4-683-560-01 BELT (BF)
not supplied
not supplied
not
supplied
not supplied
not supplied
152
153
154
155
156
156
157
158
159
159
159
159
159
160
161
162
162
163
164
167
168
not supplied
169
170
171
169

Table of Contents

Related product manuals