EasyManua.ls Logo

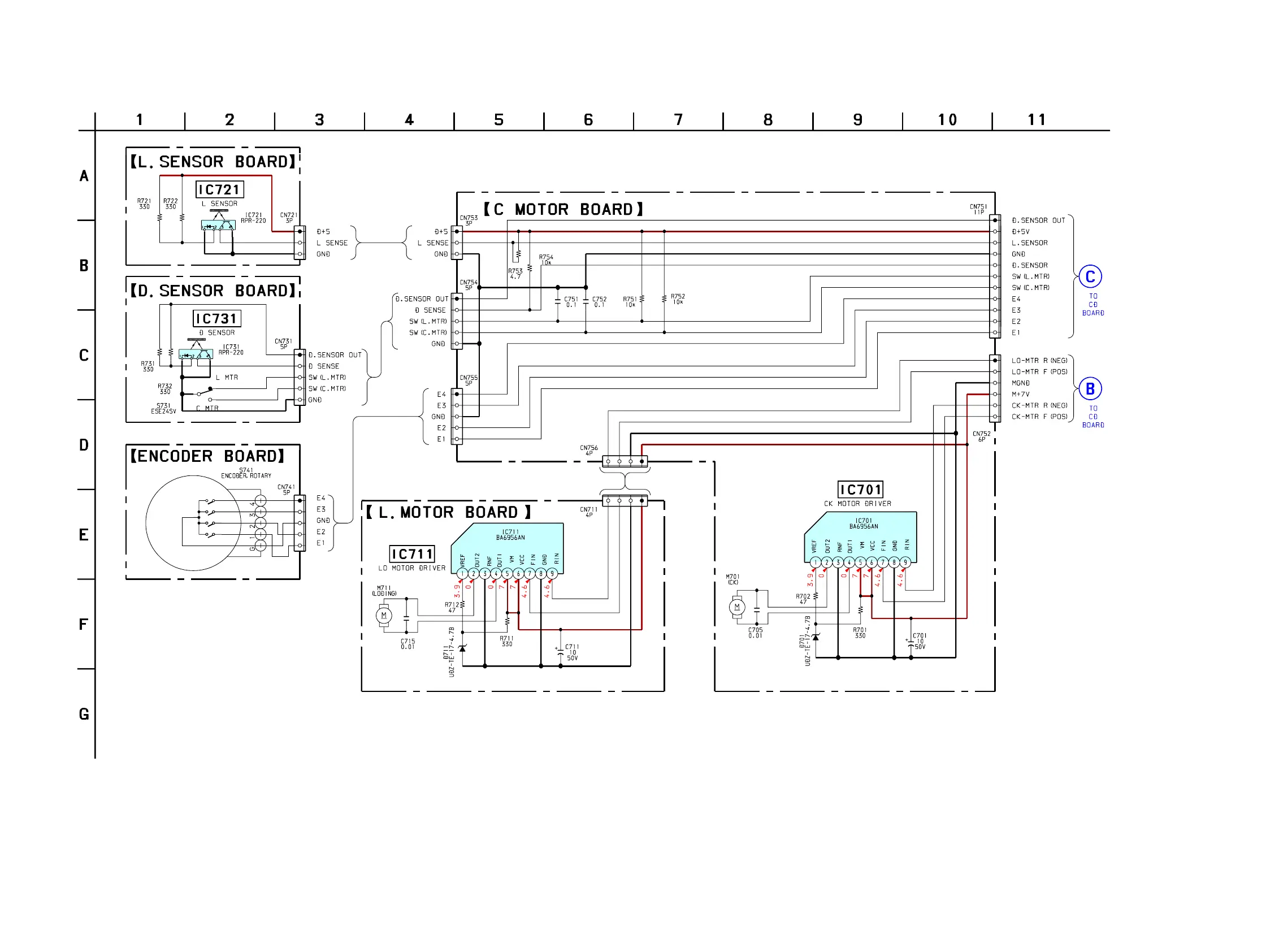
Sony HCD-L1 - Schematic Diagram MOTOR Section

Sony HCD-L1
68 pages
Print Icon
To Next Page IconTo Next Page
To Next Page IconTo Next Page
To Previous Page IconTo Previous Page
To Previous Page IconTo Previous Page
Loading...
3333
HCD-L1
6-10. Schematic Diagram MOTOR Section
(Page 29)
(Page 29)

Table of Contents

Related product manuals