EasyManua.ls Logo

Sony HCD-L1 - Base Unit Section (BU-31 BD63 A)

Sony HCD-L1
68 pages
Print Icon
To Next Page IconTo Next Page
To Next Page IconTo Next Page
To Previous Page IconTo Previous Page
To Previous Page IconTo Previous Page
Loading...
56
HCD-L1
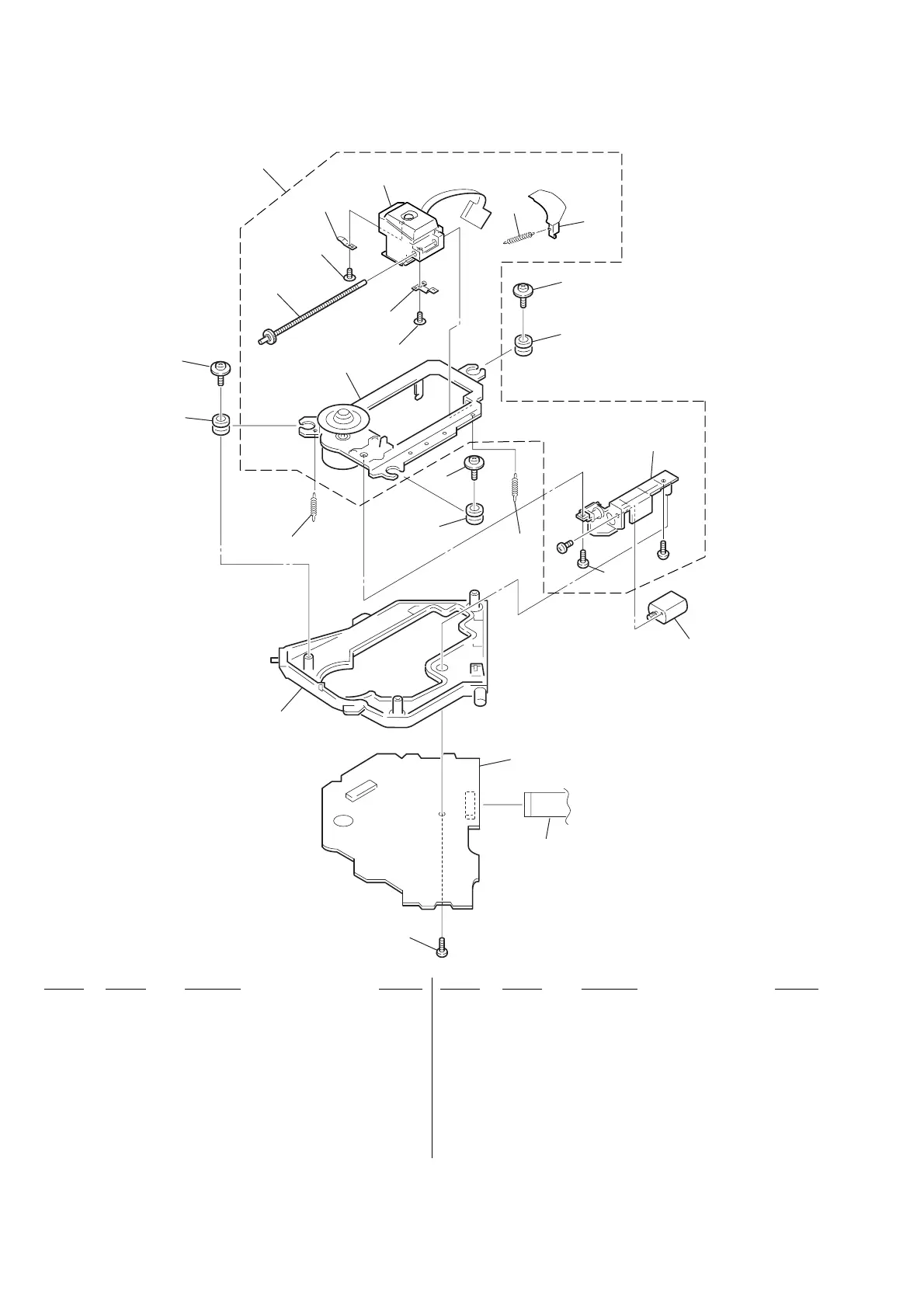
7-6. Base Unit (BU-31BD63A)
Ref. No. Part No. Description Remarks Ref. No. Part No. Description Remarks
not supplied
not supplied
not supplied
502
502
516
502
505
506
503
501
512
513
501
501
510
506
508
509
511
514
515
503
504
#9
#10
M10
2
501 4-218-252-51 SCREW (+PTPWH M2.6), FLOATING
502 4-238-914-01 INSULATOR
503 4-238-661-01 SPRING (HOLDER), TENSION COIL
504 4-238-864-01 SPRING (RACK), LEAF
505 4-236-304-02 SPRING (SLED), LEAF
506 3-372-761-01 SCREW (M1.7), TAPPING
508 X-4954-533-1 HOLDER (BU-CD) ASSY
509 A-4727-957-A BD BOARD, COMPLETE
510 X-4954-293-1 SCREW ASSY, LEAD
511 3-729-076-11 SCREW (+B) (2X4)
512 4-238-865-01 LEVER (SHUTTER)
513 4-237-408-01 SPRING (SHUTTER), TENSHION COIL
514 1-823-860-11 WIRE (FLAT TYPE) (23 CORE)
515 4-908-618-41 SCREW (+BTP) (2X8)
516 A-4722-425-A BU-31 ASSY
M102 X-4954-294-1 MOTOR ASSY, SLED
#9 7-685-233-19 SCREW +K2.6X6
#10 7-685-102-19 SCREW +P2X4 NON-SLIT TYPE 2

Table of Contents

Related product manuals