EasyManua.ls Logo

Sony HCD-LX7 - Schematic Diagram - Deck Section

Sony HCD-LX7
78 pages
Print Icon
To Next Page IconTo Next Page
To Next Page IconTo Next Page
To Previous Page IconTo Previous Page
To Previous Page IconTo Previous Page
Loading...
HCD-LX7/LX8
32
32
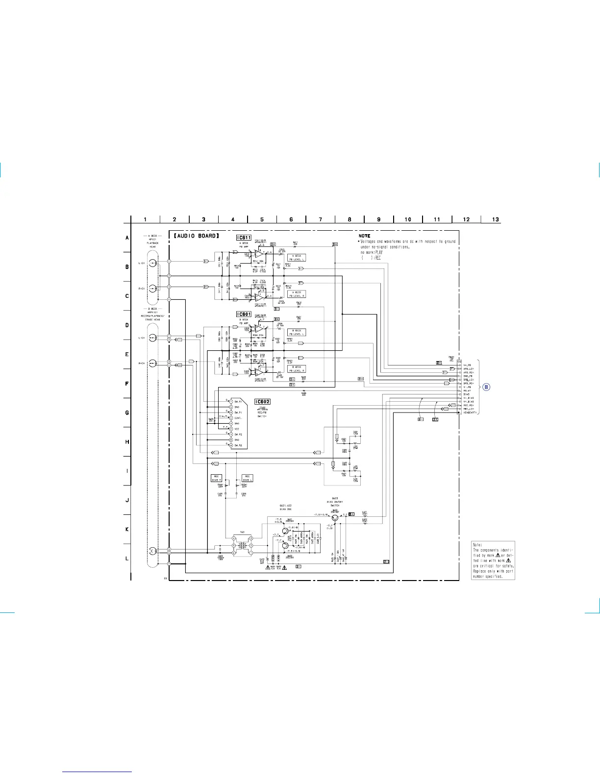
6-9. SCHEMATIC DIAGRAM DECK SECTION
(Page 30)

Table of Contents

Related product manuals