EasyManua.ls Logo

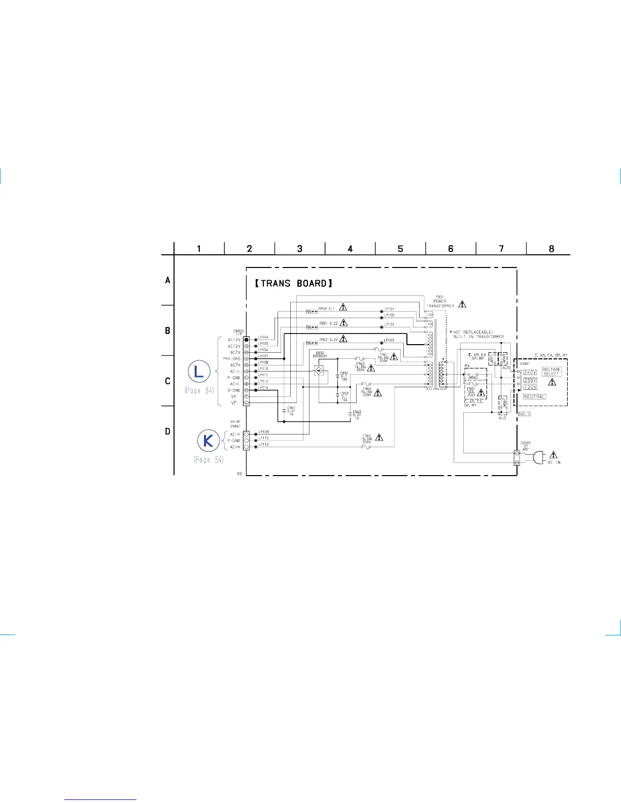
Sony HCD-LX7 - Schematic Diagram - Trans Section - (LX8 Model)

Sony HCD-LX7
78 pages
Print Icon
To Next Page IconTo Next Page
To Next Page IconTo Next Page
To Previous Page IconTo Previous Page
To Previous Page IconTo Previous Page
Loading...
HCD-LX7/LX8
48
48
6-25. SCHEMATIC DIAGRAM TRANS SECTION (LX8 model)

Table of Contents

Related product manuals