EasyManua.ls Logo

Sony HCD-SHAKE33 - Page 73

Sony HCD-SHAKE33
120 pages
Print Icon
To Next Page IconTo Next Page
To Next Page IconTo Next Page
To Previous Page IconTo Previous Page
To Previous Page IconTo Previous Page
Loading...
HCD-SHAKE33/SHAKE77
73
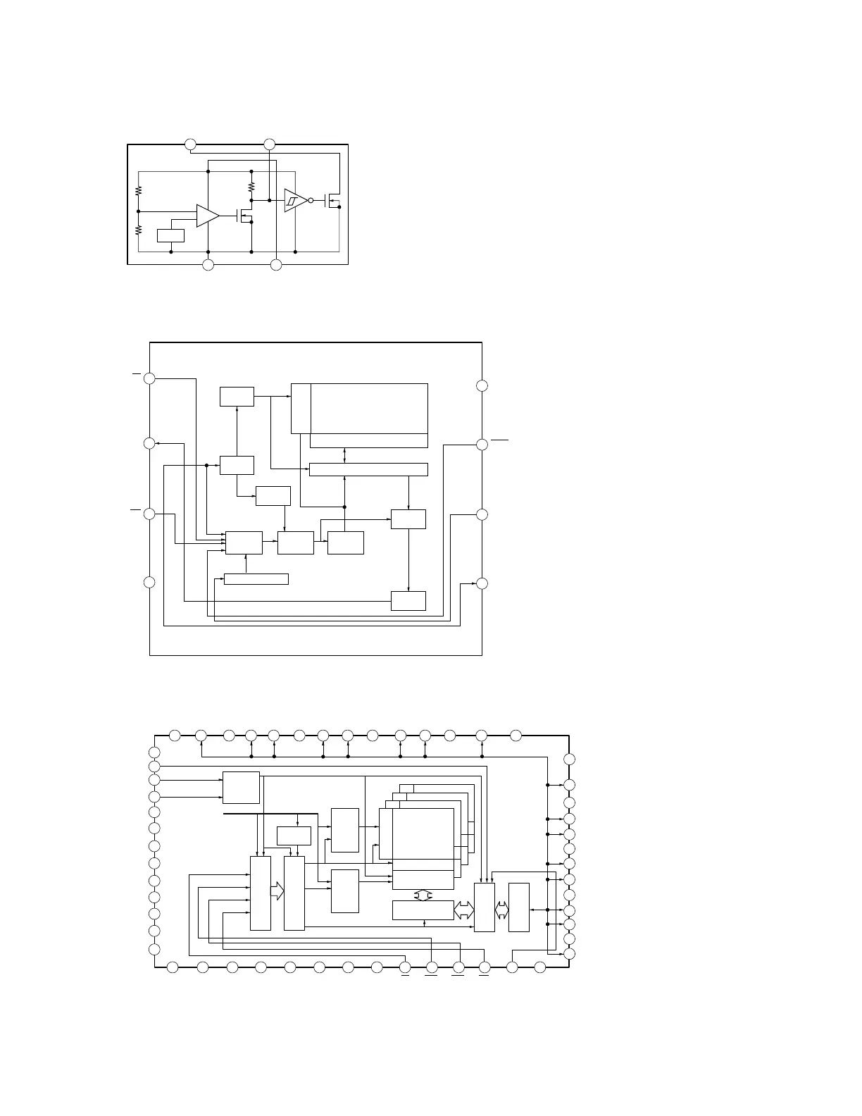
IC106 MX25L3235EM2I-10G (MOTHERBOARD BOARD (8/8))
IC306 M12L64164A-7TG2Y (MOTHERBOARD BOARD (3/8))
CS
DO
WP
GND
4
DI
CLK
VCC
8
HOLD
Data
Register
SRAM
Buffer
Sense
Amplifier
Output
Buffer
Address
Generator
Mode
Logic
Clock Generator
Y-Decoder
State
Machine
HV
Generator
Memory Array
Page Buffer
X-Decoder
1
3
6
7
5
2
Clock
Generator
Address
Command Decoder
Control Logic
Mode
Register
Row
Address
Buffer
&
Refresh
Counter
Column
Address
Buffer
&
Refresh
Counter
Bank A
Bank B
Bank C
Bank D
Sense Amplifier
Row Decoder
Column Decoder
Data Control Circuit
Latch Circuit
Input & Output
Buffer
NC
40
UDQM
39
CLK
38
CKE
37
NC
36
A11
35
A9
34
A8
33
A7
32
A6
31
A5
30
A4
29
VSS
28
VDD
27
VSS
41
DQ8
42
VDDQ
43
DQ9
44
DQ10
45
VSSQ
46
DQ11
47
DQ12
48
VDDQ
49
DQ13
50
DQ14
51
VSSQ
52
DQ15
53
VSS
54
A3
26
A2
25
A1
24
A0
23
A10/AP
22
BA1
21
BA0
20
CS
19
RAS
18
CAS
17
WE
16
LDQM
15
VDD
14
1
VDD
2
DQ0
3
VDDQ
4
DQ1
5
DQ2
6
VSSQ
7
DQ3
8
DQ4
9
VDDQ
10
DQ5
11
DQ6
12
VSSQ
13
DQ7
IC103 BU4229F-TR (MOTHERBOARD BOARD (7/8))
+
12
4
Vref
Vout CT
GND VDD
3

Table of Contents

Related product manuals