EasyManua.ls Logo

Sony HCD-SHAKEX3 - Schematic Diagram - MOTHERBOARD Board (4;8)

Sony HCD-SHAKEX3
96 pages
Print Icon
To Next Page IconTo Next Page
To Next Page IconTo Next Page
To Previous Page IconTo Previous Page
To Previous Page IconTo Previous Page
Loading...
HCD-SHAKEX1/SHAKEX3/SHAKEX7
HCD-SHAKEX1/SHAKEX3/SHAKEX7
4141
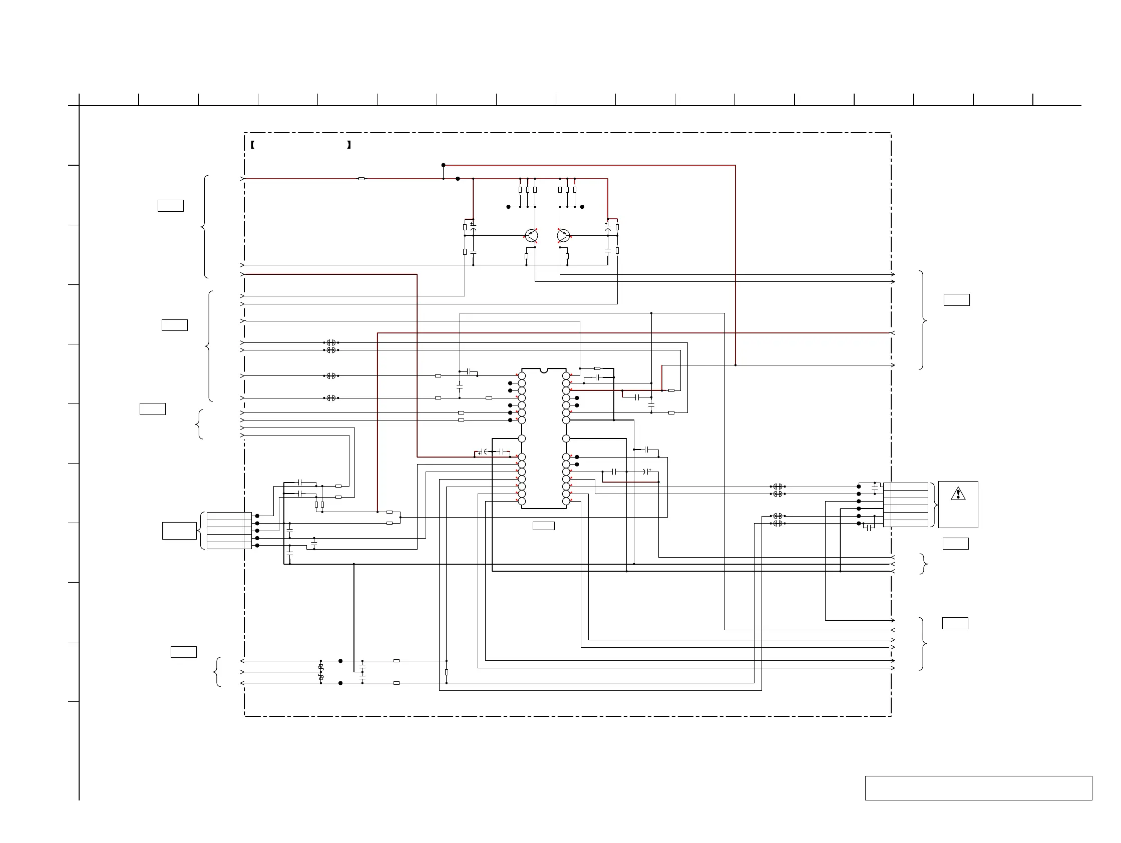
6-10. SCHEMATIC DIAGRAM - MOTHERBOARD Board (4/8) - • See page 57 for IC Block Diagrams.
1
A
B
C
D
E
F
G
H
I
J
K
2 3 4 5 6 7 8 9 10 11 12 13 14 15 16 17
MOTHERBOARD BOARD (4/8)
1.4
1.4
0
0
5.2
0
0
2.5
2.5
2.5
2.5
1.4
5.2
2.5
1.2
2.5
2.5
2.5
1.4
1.4
2.8
2.9
0
2.8
0
2.8
2.9
1
2
3
4
5
6
14
13
12
11
10
9
8
7
6
5
4
3
2
1
29
15
16
17
18
19
20
21
22
23
24
25
26
27
28
30
JL401
JL402
JL404
JL405
JL406
FE_TRO
FE_VREFO
FE_FMO
FE_3.3V
FE_DMO
FWD
REV
FE_FOO
FE_MUTE
MGND
DGND
FE_5.2V_M
FE_5.2V_TRAY
SL403
SL402
SL401
SL404
SL408
SL407
CL414
Q402
2SA2119K
Q401
AUTO POWER
CTRL
AUTO POWER
CTRL
2SA2119K
CL415
CL413
SL406
SL405
DGND
FE_OP-
FE_OPO
FE_LIMIT
FE_3.3V_1
0
R433
FE_3.3V
CL409
FE_CD_LDD
FE_DVD_LDD
JL403
CL401
CL402
CL403
CL408
CL410
CL411
CL404
CL405
FE_LD_DVD
FE_LD_CD
FE_TRK+
FE_TRK-
FE_FCS+
FE_FCS-
15R423
15R425
15R426
15R427
15R428
15R430
100
R421
100
R432
47k
R422
47k
R431
10k
R408
R409
10k
R410
10k
0R406
0R407
CL406
CL407
C401
100u
10V
C412
100u 10V
27k
R402
27k
R415
10k
R401
15k
R418
C420
47u
35V
C423
47u
35V
D401
RB520S-30FJTE61
D402
RB520S-30FJTE61
CN401
6P
SP-
SP+
NC(GND)
NC(LIMIT)
SL-
SL+
CL412
C411 330p
C413
0.1u
C402
330p
C403
0.015u
1
R404
C421
0.01u
C424
0.01u
C409
0.1u
C404
0.1u
C408
0.1u
C405
0.1u
C406
0.1u
R411 10k
C407 0.1u
C418
0.1u
C419
0.1u
100k
R424
100k
R429
IC401
AM5890S
VINFC
TRB_1
REGO2
VINSL+
REGO1
FWD
REV
Vcc1
VOTR-
VOTR+
VOSL+
VOSL-
VOFC-
VOFC+ VOTK+
VOTK-
VOLD+
VOLD-
Vcc2
VCCD
VCTL
GND
VINLD
RESET
TRB_2
VINTK
BIAS
MUTE
PGND PGND
FE_LOAD-
FE_LOAD+
FE_FCS-
FE_FCS+
FE_SPDL-
FE_SPDL+
FE_SLED_IN
FE_TRK_IN
FE_TRK_IN
FE_FCS_IN
FE_SPDL_IN
5CH SYSTEM
MOTOR DRIVER
IC401
JL329
LOAD_END_SW
JL325
JL328
JL326
JL327
UNLOAD_END_SW
CN303
5P
1
2
3
4
5
DVDD3.3V
1kR316
1kR317
1k
R312
1k
R313
2.7k
R463
2.2k
R496
C307 0.001u
C308 0.001u
C309
0.001u
C310
0.001u
C311
0.1u
TRAY-IN
GND
TRAY-OUT
LOAD+
LOAD-
>019S
MOTHERBOARD
BOARD
(3/8)
(Page 40)
>021S
MOTHERBOARD
BOARD
(3/8)
(Page 40)
>030S
MOTHERBOARD
BOARD
(6/8)
(Page 43)
>022S
MOTHERBOARD
BOARD
(3/8)
(Page 40)
>028S
MOTHERBOARD
BOARD
(6/8)
(Page 43)
MOTHERBOARD
BOARD
(3/8)
(Page 40)
>025S
>029S
MOTHERBOARD BOARD
(8/8)
(Page 45)
CONNECT TO
MS-476 BOARD
SERVICE,
OPTICAL DEVICE
(7G)
(2/2)
Note: When the MS-476 board is defective, exchange the
entire LOADING ASSY (T).
Ver. 1.1

Table of Contents

Related product manuals