EasyManua.ls Logo

Sony HCD-SHAKEX3 - Page 60

Sony HCD-SHAKEX3
96 pages
Print Icon
To Next Page IconTo Next Page
To Next Page IconTo Next Page
To Previous Page IconTo Previous Page
To Previous Page IconTo Previous Page
Loading...
HCD-SHAKEX1/SHAKEX3/SHAKEX7
60
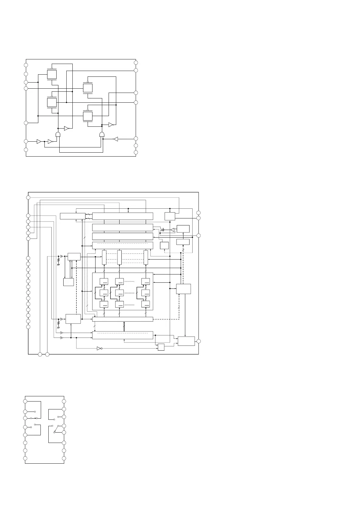
IC502 TC62D723FNG (MOTHERBOARD BOARD (2/8))
IC1001 TC62D723FNG (STR BOARD)
IC602, IC605 SN74LV4052APWR (MOTHERBOARD BOARD (1/8))
Output open/short detection circuit
Error detection result
data register
Constant current output circuit
Output delay circuit
PWM
countor
POR
circuit
Reference
voltage
8-bit
DAC
16-bit x 2
State setting
register
SOUT
selection
circuit
F/F
TSD
circuit
POD
circuit
Output ON/OFF setting data register
PWM data registor
Data transfer control circuit
16-bit shift registor
Comparator
0-bit 15-bit
0-bit 15-bit
Registor 3
(for output)
Registor 2
(for synchronous)
Registor 1
16-bit
PWM Data
for OUT0
16-bit
PWM Data
for OUT0
16-bit
PWM Data
for OUT15
16-bit
PWM Data
for OUT15
16-bit
PWM Data
for OUT15
24 VDD
25 GND
1GND
23 REXT
22 SOUT
/OUT15
20
PWMCLK
21
/OUT0
5
/OUT1
6
TRANS
4
SIN
2
SCK
3
/OUT5
10
/OUT6
11
/OUT7
12
/OUT8
13
/OUT9
14
/OUT10
15
/OUT11
16
/OUT12
17
/OUT13
18
/OUT14
19
/OUT4
9
/OUT2
7
/OUT3
8
8
16 1616
16 1616
16
16
16
16
16-bit
PWM Data
for OUT1
16-bit
PWM Data
for OUT1
16-bit
PWM Data
for OUT0
16 1616
16
16
1616
16
16
16
16-bit
PWM Data
for OUT1
16 16
Command
control
circuit
Comparator
Comparator
1
2
3
4
5
6
7
8
16
15
14
13
12
11
10
9
Y0
X2
VCC
X1
X
X0
X3
A
B
GND
GND
INH
Y1
Y3
Y
Y2
IC453 TC7USB40FT (MOTHERBOARD BOARD (5/8))
NC_7
7
GND
6
NC1
1
D-
5
2D-
4
1D-
3
S
2
NC_8
8
D+
9
2D+
10
1D+
11
12
VCC
13
NC_14
14
OE
Ver. 1.3

Table of Contents