EasyManua.ls Logo

Sony HCD-SR1 - Schematic Diagram - AMP Board (3;4)

Sony HCD-SR1
128 pages
Print Icon
To Next Page IconTo Next Page
To Next Page IconTo Next Page
To Previous Page IconTo Previous Page
To Previous Page IconTo Previous Page
Loading...
2929
HCD-SR1/SR2/SR3
HCD-SR1/SR2/SR3
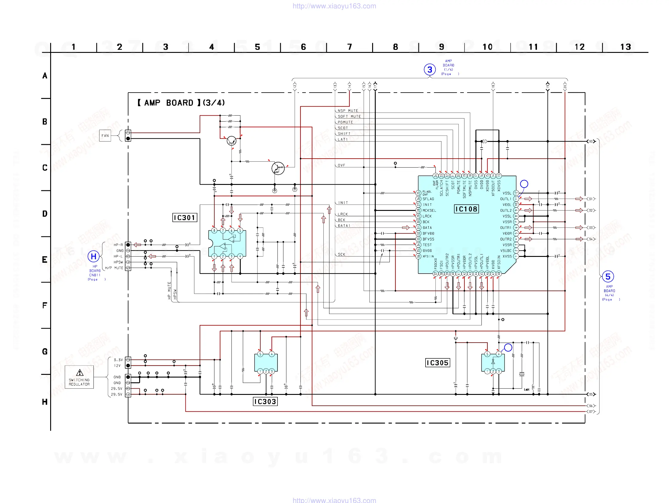
3-21. SCHEMATIC DIAGRAM — AMP BOARD (3/4) —
30
40
27
21
20
3.3
0.4
1.7
0
0
0
1.8
1.7
3.3
3.3
0
3
3.3
3.3
3.3
3.3
3.3
1.8
1.7
1.7
3.3
1.7
1.7
3.3
1.7
1.7
1.7
1.7
1.7
3.3
1.7
1.7
3.3
3.3
1.5
3.3
1.5
1.5
3.3
1.8
0
0
12
7
0
4.8
4.8
4.8
4.8
12
0
0
12
0
NO MARK : DVD STOP
C367
C359
IC301
X450
49.152MHZ
C380
FB301
CNP303
C329
C331
C330
SL301
IC108
C350
C370
IC303
C371
+1.8V REG
CNP304
CNP305
CN300
CNP309
CNP310
C366
R342
R343
R340
R335
R334
C356
R338
C353
C354
R349
C363
R350
C351
R333
R332
R331
R394
C382
L302
R396
TP325
C306
R374
R373
R372
C303
C302
C309
C308
R322
R320
R323
R321
C355
R426
R427
R425
R429
TP320
TP321
TP322
TP324
TP392
TP391
TP327
TP328
R346
R348
TP330
C248
TP396
TP362
TP363
TP365
TP366
HEADPHONE AMP
TP367
TP369
TP340
TP364
TP341
R428
C360C361
C357
R341
C352
R337
R336
R339
C362
C358
C368 C374
C375
C381
C384
R393
C383
C301
R330
C310
C305
R371
Q303
Q304
IC305
R400
C304
0.1
25V
F
470
10V
RC4580IDR
220
10V
0UH
OSC
5P
BOARD IN
47
16V
47
16V
47
16V
CXD9788AR
STREAM PROCESSOR
0.1
50V
B
0.1
25V
F
TK11118CSCL-G
0.01
25V
B
4P
BOARD IN
2P
BOARD IN
2P
220
16V
33k
1/10W
22k 1/10W
22k 1/10W
100p 50V CH
24k
1/10W
100p
50V
CH
100p
50V
CH
2.2k
1/10W
0.1
25V
F
2.7k
1/10W
100p 50V CH
22k 1/10W
22k 1/10W
22k 1/10W
1M
1/10W
0.001 50V B
100
1/10W
0.1
25V
F
560 1/10W
560
560
0.1
25V
F
0.1
25V
F
0.1 25V F
0.1
25V
F
10k
1/10W
0
0
0
100
16V
4.7k
1/10W
470 1/10W
470
1/10W
47
16V
47k
1/10W
0.1 25V F47 25V
100p 50V CH
33k
100p 50V
22k 1/10W
22k 1/10W
24k
1/10W
100
10V
470
10V
0.01
25V
B
0.01
25V
B
100
16V
0.01
25V
B
5p
50V
CH
22
10p 50V CH
0.1
25V
F
22k 1/10W
0.1 25V F
0.1
25V
F
560
1/10W
2SB1013-TP-34
KRC103S
Q303,Q304
FAN DRIVE
MC74VHC1GU04DFT1
100k
1/10W
0.1
25V
F
0UH
0UH
560 1/10W
560 1/10W
470 1/10W
Ver 1.2
w
w
w
.
x
i
a
o
y
u
1
6
3
.
c
o
m
Q
Q
3
7
6
3
1
5
1
5
0
9
9
2
8
9
4
2
9
8
T
E
L
1
3
9
4
2
2
9
6
5
1
3
9
9
2
8
9
4
2
9
8
0
5
1
5
1
3
6
7
3
Q
Q
TEL 13942296513 QQ 376315150 892498299
TEL 13942296513 QQ 376315150 892498299
http://www.xiaoyu163.com
http://www.xiaoyu163.com

Table of Contents

Related product manuals