EasyManua.ls Logo

Sony HCD-SR1 - Printed Wiring Board - SPK Board; Schematic Diagram - SPK Board

Sony HCD-SR1
128 pages
Print Icon
To Next Page IconTo Next Page
To Next Page IconTo Next Page
To Previous Page IconTo Previous Page
To Previous Page IconTo Previous Page
Loading...
3838
HCD-SR1/SR2/SR3
HCD-SR1/SR2/SR3
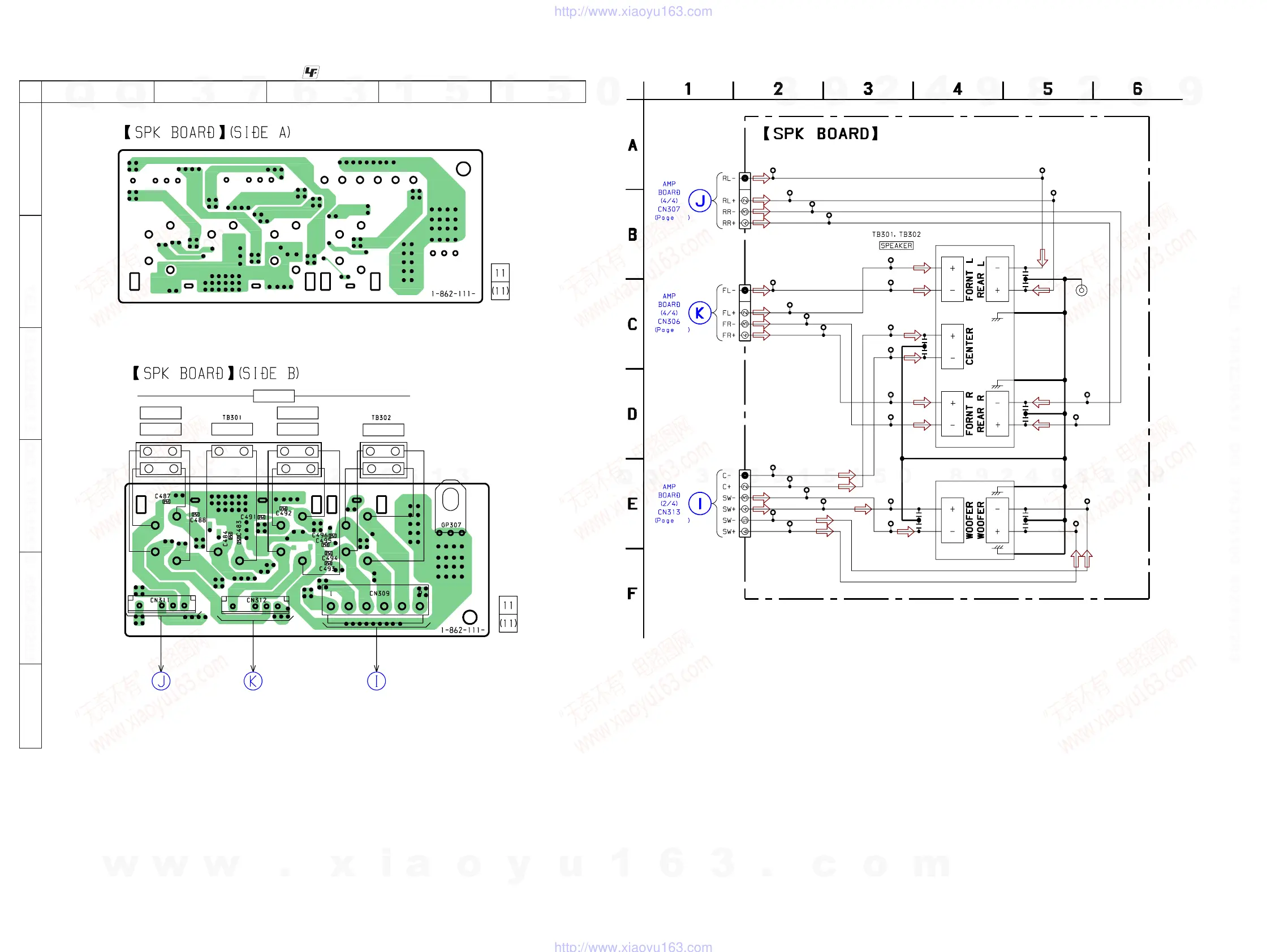
3-30. PRINTED WIRING BOARD — SPK BOARD —
See page 8 for Circuit Boards Location.
:Uses unleaded solder.
3-31. SCHEMATIC DIAGRAM — SPK BOARD —
AMP
BOARD
CN307
(Page 26)
AMP
BOARD
CN306
(Page 26)
AMP
BOARD
CN313
(Page 26)
-
+
-
+
SURR R
FRONT R
-
+
-
+
SURR L
WOOFER
FRONT L
-
+
-
+
-
+
CENTER
SPEAKER
12
A
B
C
D
E
F
345
30
30
28
C483
C484
C492
GP307
CN312
CN311
TP332
TP333
TP334
TP335
TP336
TP337
TP338
TP353
TP354
TP355
TP358
TP359
TP360
TP340
TP350
TP351
TP349
TP346
TP347
TP344
TP342
TP343
TP341
TP345
TP348
TP339
TP362
TP361
C493
C494
CN309
C491
C488
C487
C496
C495
TB301
TB302
0.001
50V
B
0.001
50V
B
0.001
50V
B
TERMINAL GND
4P
EH-S
2.5MM
4P
EH-S
2.5MM
0.001
50V
B
0.001
50V
B
6P
3.96MM
0.001 50V B
0.001 50V B
0.001 50V B
0.001 50V B
0.001 50V B
TERMINAL BOARD
5P
TERMINAL BOARD
2P
Ver 1.2
w
w
w
.
x
i
a
o
y
u
1
6
3
.
c
o
m
Q
Q
3
7
6
3
1
5
1
5
0
9
9
2
8
9
4
2
9
8
T
E
L
1
3
9
4
2
2
9
6
5
1
3
9
9
2
8
9
4
2
9
8
0
5
1
5
1
3
6
7
3
Q
Q
TEL 13942296513 QQ 376315150 892498299
TEL 13942296513 QQ 376315150 892498299
http://www.xiaoyu163.com
http://www.xiaoyu163.com

Table of Contents

Related product manuals