EasyManua.ls Logo

Sony HCD-SR1 - Schematic Diagram - POWER;FRONT PANEL Section

Sony HCD-SR1
128 pages
Print Icon
To Next Page IconTo Next Page
To Next Page IconTo Next Page
To Previous Page IconTo Previous Page
To Previous Page IconTo Previous Page
Loading...
4040
HCD-SR1/SR2/SR3
HCD-SR1/SR2/SR3
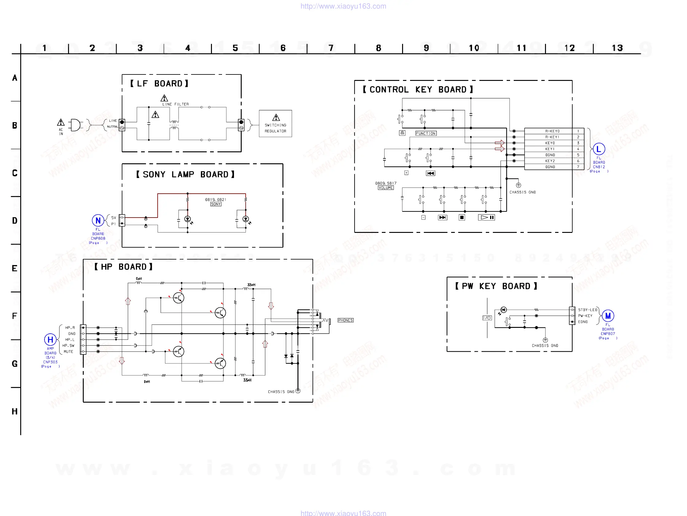
3-33. SCHEMATIC DIAGRAM — POWER/FRONT PANEL SECTION —
37
29
37
37
0
0
0
0
0
0
0
0
NO MARK : DVD STOP
S807
S808S809
FB800
L800
L801
TP873
TP872
R800
R803
TP834
TP874
TP868
TP875
TP876
S800
TP836
R809
R875R876
R868
TP853
S816S817
S801
S815
TP871
CN805
R807
TP837
R802
TP817
TP820
R801
TP818
TP819
R867
CN811
R805
CN806
R847
R846
S818
C811
C857
C851
C816
C852C844
C845
FB805
FB802
FB803
FB810
L803
L802
CN900 CN901
JW902
JW901
C903
LF901
C863 C862
D819
D801
D800
C800
C802
C801
C803
C804
C806
C853
C854
J800
R861 R860
C858
R866
R874
CN810
D802
D821
Q804
Q801
Q803
Q800
SW. KEY
LS8J3M
SW. KEY
LS8J3M
SW. KEY
LS8J3M
0UH
4.7k
100
TACT SW
LS8J3M
0
22k47k
2.2k
SW. KEY
LS8J3M
SW. KEY
LS8J3M
SW. KEY
LS8J3M
SW. KEY
LS8J3M
3P
100
100
4.7k
0
5P
100
0.1
1000p
50V
0.1
25V0.1
25V
0.1
25V
0.1
25V
0.1
25V
0UH
0UH
0UH
0UH
2P
2P
JW
JW
0.22
1SS355TE-17
1SS355TE-17
0.01
0.01
0.1
0.0047
Q801-Q804
MUTING
0.0047
2.2k 0
820p
50V
4.7k
10k
7P
SML-512UWT86
DTC343TK-T-146
DTC343TK-T-146
DTC343TK-T-146
DTC343TK-T-146
TACT SW
LS8J3M
2P
100
100
0.001 0.001
SML512WBC1AR
0.001
47p
47p
SML-512WBC1AR
Ver 1.2
w
w
w
.
x
i
a
o
y
u
1
6
3
.
c
o
m
Q
Q
3
7
6
3
1
5
1
5
0
9
9
2
8
9
4
2
9
8
T
E
L
1
3
9
4
2
2
9
6
5
1
3
9
9
2
8
9
4
2
9
8
0
5
1
5
1
3
6
7
3
Q
Q
TEL 13942296513 QQ 376315150 892498299
TEL 13942296513 QQ 376315150 892498299
http://www.xiaoyu163.com
http://www.xiaoyu163.com

Table of Contents

Related product manuals