EasyManua.ls Logo

Sony HCD-XB4 - Block Diagrams: Tuner, CD, and Main Sections; 6-1. BLOCK DIAGRAMS - TUNER SECTION

Sony HCD-XB4
88 pages
Print Icon
To Next Page IconTo Next Page
To Next Page IconTo Next Page
To Previous Page IconTo Previous Page
To Previous Page IconTo Previous Page
Loading...
– 39 –
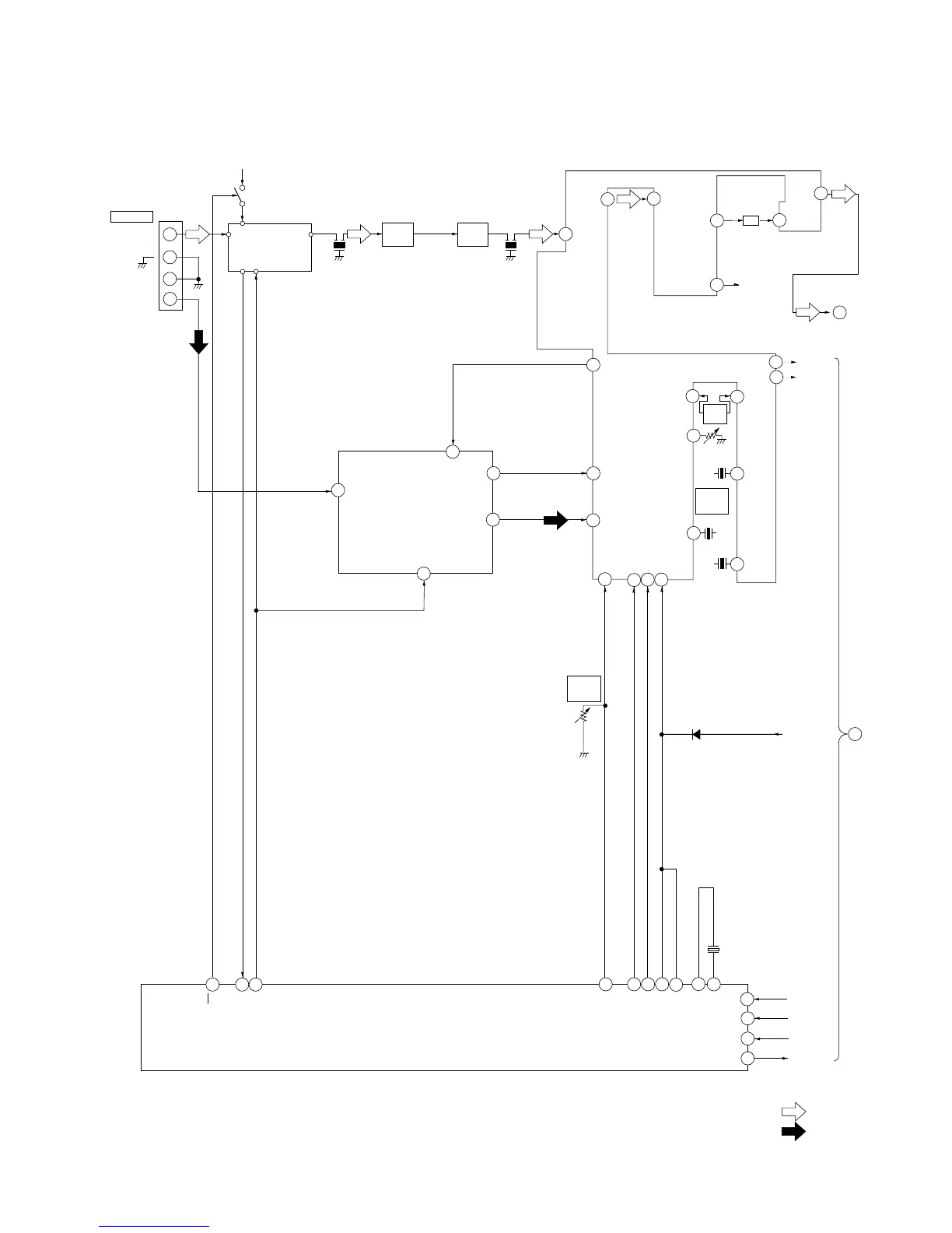
6-1. BLOCK DIAGRAMS
TUNER SECTION –
TM1
ANTENNA
FM 75
AM
ANT IN IF OUT
F OUT
VT
FE1
FM FRONT END
ST +10V
IF AMP
Q1,2
IF AMP
Q3,4
CF1
10.7MHz
CF2
10.7MHz
1
FM IN
4
27
191510
REG
29
AM OSC
AM RF IN
FM
FM OSC
PD1
RV41
FM
TUNING
LEVEL
3
4
5
6
30
14
15 11
FM SD
AM / FM
VCO STOP
IF BUFF
MUTE
23
9
5
13
12
2
AM
SD
AM
SD
AM MIX
AM IF
IFT41
X43
450KHz
X41
456KHz
X42
10.7MHz
TUNING
LEVEL
AM
RV42
AMP IN L
L
MPX IN
OUT L
OUT R
AM / FM
8
7
ST LED
TU LED
STEREO
TUNED
LPF
RCH
FM / AM MPX
IC2
24
22
20
21
18
16
14
7
2
12
8
1
24
AM OSC
FM
VCO STOP
IF
IF REQ
X IN
X OUT
CE
DI
CL
DO
MUTE
ST-CE
COM-DIN
COM-CLK
COM-DATA
B
A
MAIN SECTION
(page 41)
PLL
IC1
FE2
AM FRONTEND
Q5
3
7
9
13
14
ANT IN
B+
F OUT
RF OUT
VT
X21
4.5MHz
R CH:Same as L CH
SIGNAL PATH
:FM
:AM
AM IF
DET
VCO
MAIN
SECTION
(page 42)
HCD-D590/XB4

Table of Contents

Related product manuals