EasyManua.ls Logo

Sony HCD-XB4 - CD SECTION -

Sony HCD-XB4
88 pages
Print Icon
To Next Page IconTo Next Page
To Next Page IconTo Next Page
To Previous Page IconTo Previous Page
To Previous Page IconTo Previous Page
Loading...
– 40 –
– CD SECTION –
HCD-D590/XB4
M
M
M
1
3
7
9
61
60
62
76
77
IC201
MOTOR
DRIVE
Q201
SWITCH
IC201
DISC TABLE
SENSOR
M201
TABLE MOTOR
S201
UP SWITCH
12
.
11
12
.
11
789
10
12
11
100
21
27
75
17
16
15
14
13
23
29
44
86
93
4
6
7
20
19
13
12
21
22
23
23
24
25
26
27
36
37
38
39
41
42
1
2
4
5
6
10
9
18
17
16
15
26
27
3
6
16
14
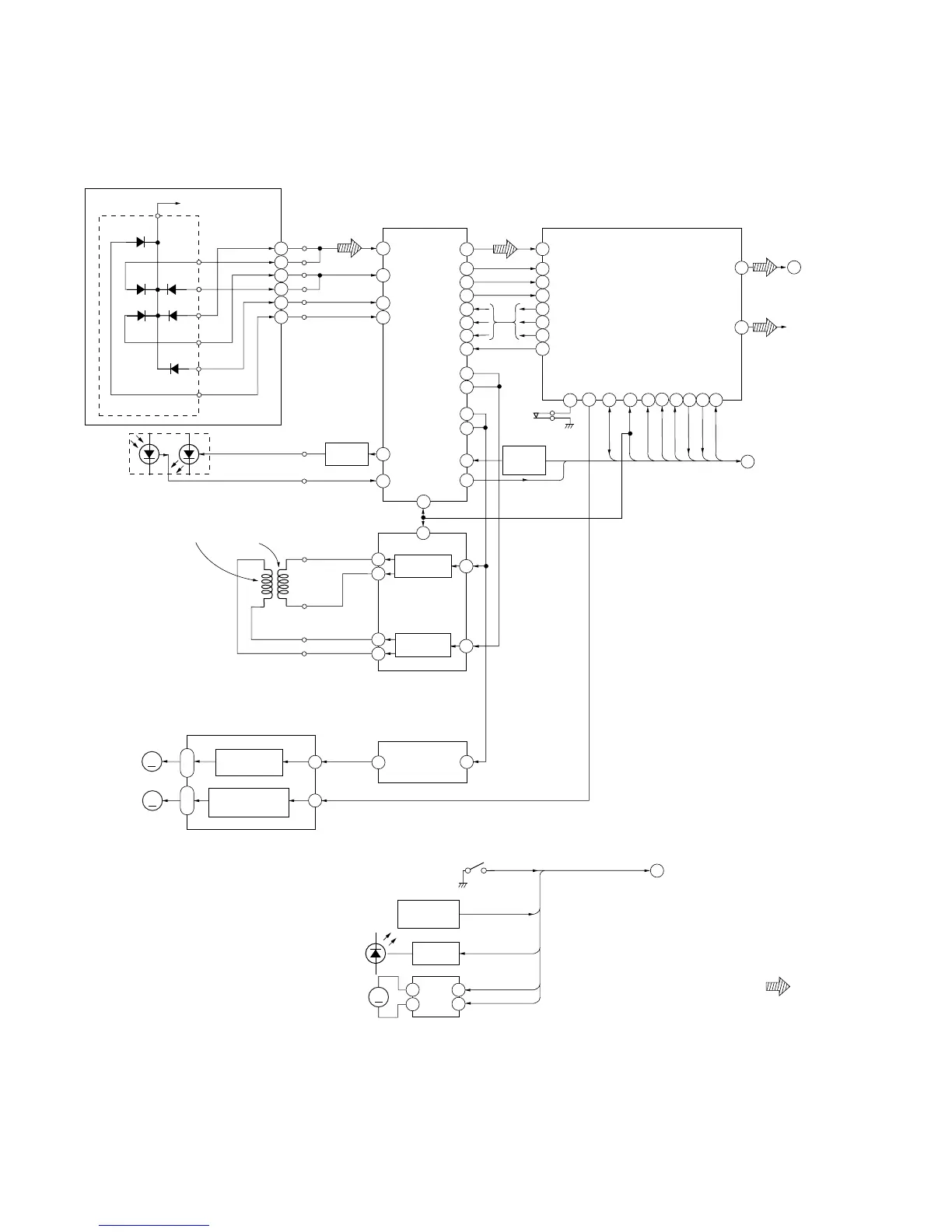
OPTICAL PICK-UP BLOCK
DETECTOR K
B+
E
A
B
D
C
F
A
D
C
B
LASER
DIODE
TRACKING
COIL
FOCUS
COIL
2-AXIS
DEVICE
SLED / SPINDLE
MOTOR DRIVE
IC102 (2 / 2)
M102
SLED MOTOR
M101
SPINDLE MOTOR
SLED MOTOR
DRIVE
SPINDLE MOTOR
DRIVE
SLO SL-P
SLED
SERVO
IC101 (2 / 2)
F+
F-
T+
T-
FOCUS
COIL DRIVE
TRACKING
COIL DRIVE
FOCUS / TRAKING
COIL DRIVE
IC102 (2 / 2)
MUTE
Q101
LD DRIVE
PD1
PD2
F
E
LD
PD
XRST
SENS2
FGD
TA-O
TA-M
FE-M
FE-O
LOCK
CLK
XLT
DATA
FOK
SENS1
C,OUT
RFO
Q103
FOUCUS
SWITCH
59
73
S101
LIMIT SWITCH
R-CH
LOUT1
LOUT2
RF
CNIN
SEIN
FOK
DATAO
XLTO
CLKO
LOCK
IC103
DIGITAL SIGNAL
PROCESSOR
SPOD
MDP
SCOR
XRST
CLOCK
XLAT
DATA
SENS
SQSQ
SQCK
18
57
48
58
47
74
34
36
MAIN
SECTION
(page 41)
MAIN
SECTION
(page 42)
MAIN
SECTION
(page 42)
C
D
E
R CH:Same as L CH
SIGNAL PATH
:CD
- CD SECTION -

Table of Contents

Related product manuals