EasyManua.ls Logo

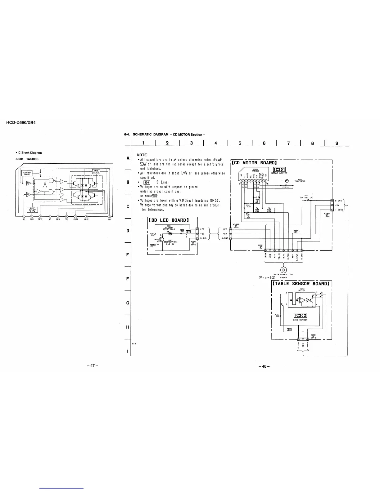
Sony HCD-XB4 - 6-4. SCHEMATIC DIAGRAM - CD MOTOR Section -

Sony HCD-XB4
88 pages
Print Icon
To Next Page IconTo Next Page
To Next Page IconTo Next Page
To Previous Page IconTo Previous Page
To Previous Page IconTo Previous Page
Loading...

Table of Contents

Related product manuals