EasyManua.ls Logo

Sony HDC-HS9P - S7. Exploded View; S7.1. Frame and Casing Section (1

Sony HDC-HS9P
76 pages
Print Icon
To Next Page IconTo Next Page
To Next Page IconTo Next Page
To Previous Page IconTo Previous Page
To Previous Page IconTo Previous Page
Loading...
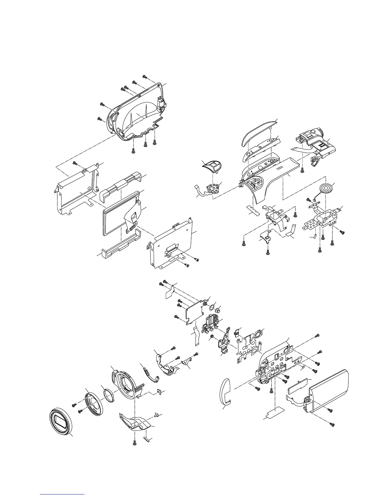
S7. Exploded View
S7.1. Frame and Casing Section (1)
S-27
80
B57
B56
B54
B53
B55
46
B21
B20
B19
B18
B17
B16
B2
B3
B4
B23
3
74
70
73
75
77
76
33
B46
B52
B51
B50
30
49
2
34
20
35
B22
16
19
18
17
B24
B25
1
15
14
B42
B41
B40
21
22
38
37
45
44
39
40
43
B7
B8
B13
B6
42
41
B12
B5
B1
B11
B58
B59
13
47
48
71
72
26
78
32
31
B27
B26
B48
28
B47
29
27
B60
B61
36
B49

Table of Contents

Related product manuals