EasyManua.ls Logo

Sony HDVF-C950W - Page 57

Sony HDVF-C950W
84 pages
Print Icon
To Next Page IconTo Next Page
To Next Page IconTo Next Page
To Previous Page IconTo Previous Page
To Previous Page IconTo Previous Page
Loading...
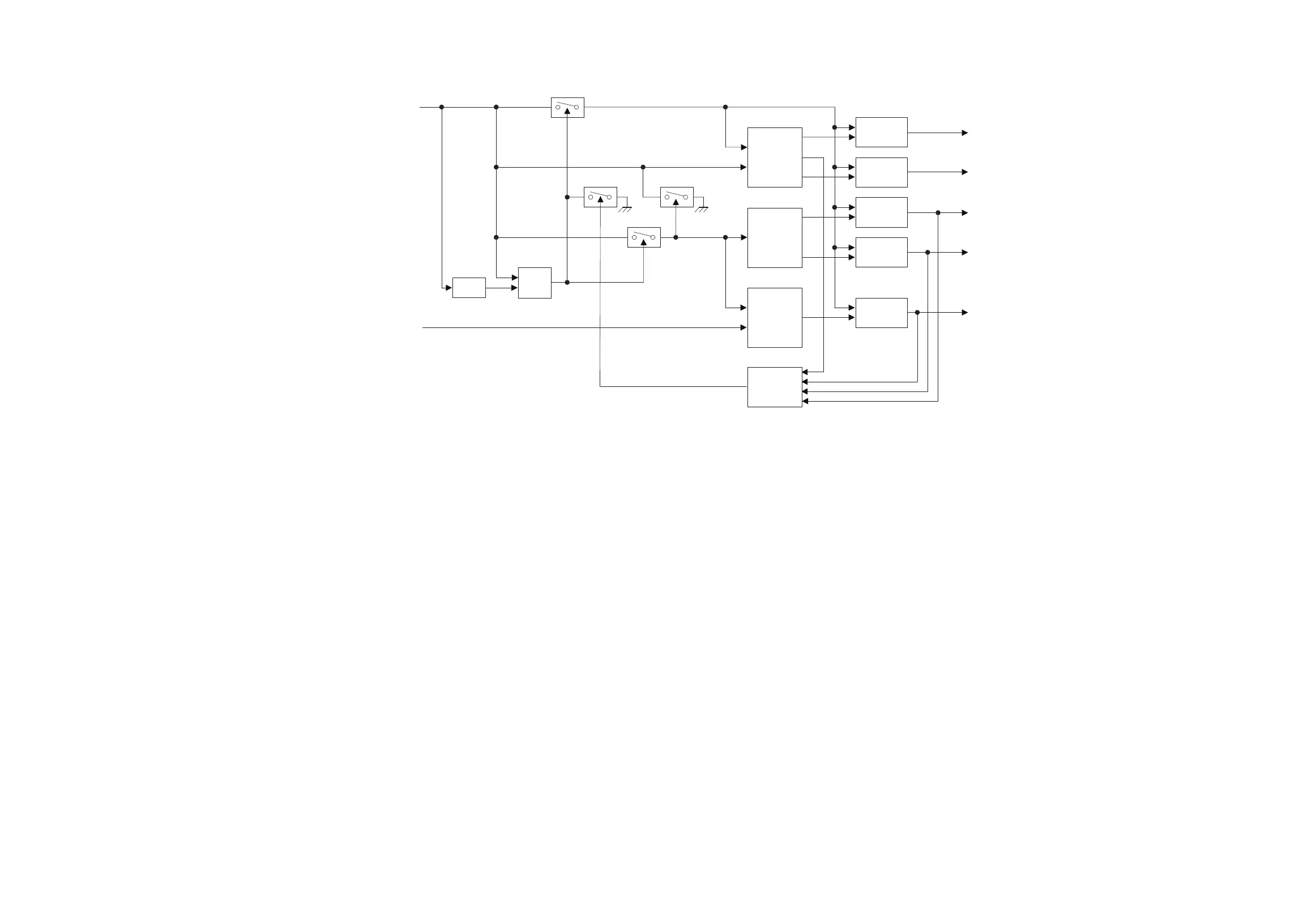
6-3
HDVF-C950W
6-3
RE-237RE-237
POWER SUPPLY
RE-237

Related product manuals