EasyManua.ls Logo

Sony MVC-FD81 - Mode Control Block Diagram

Sony MVC-FD81
92 pages
Print Icon
To Next Page IconTo Next Page
To Next Page IconTo Next Page
To Previous Page IconTo Previous Page
To Previous Page IconTo Previous Page
Loading...
MVC-FD81
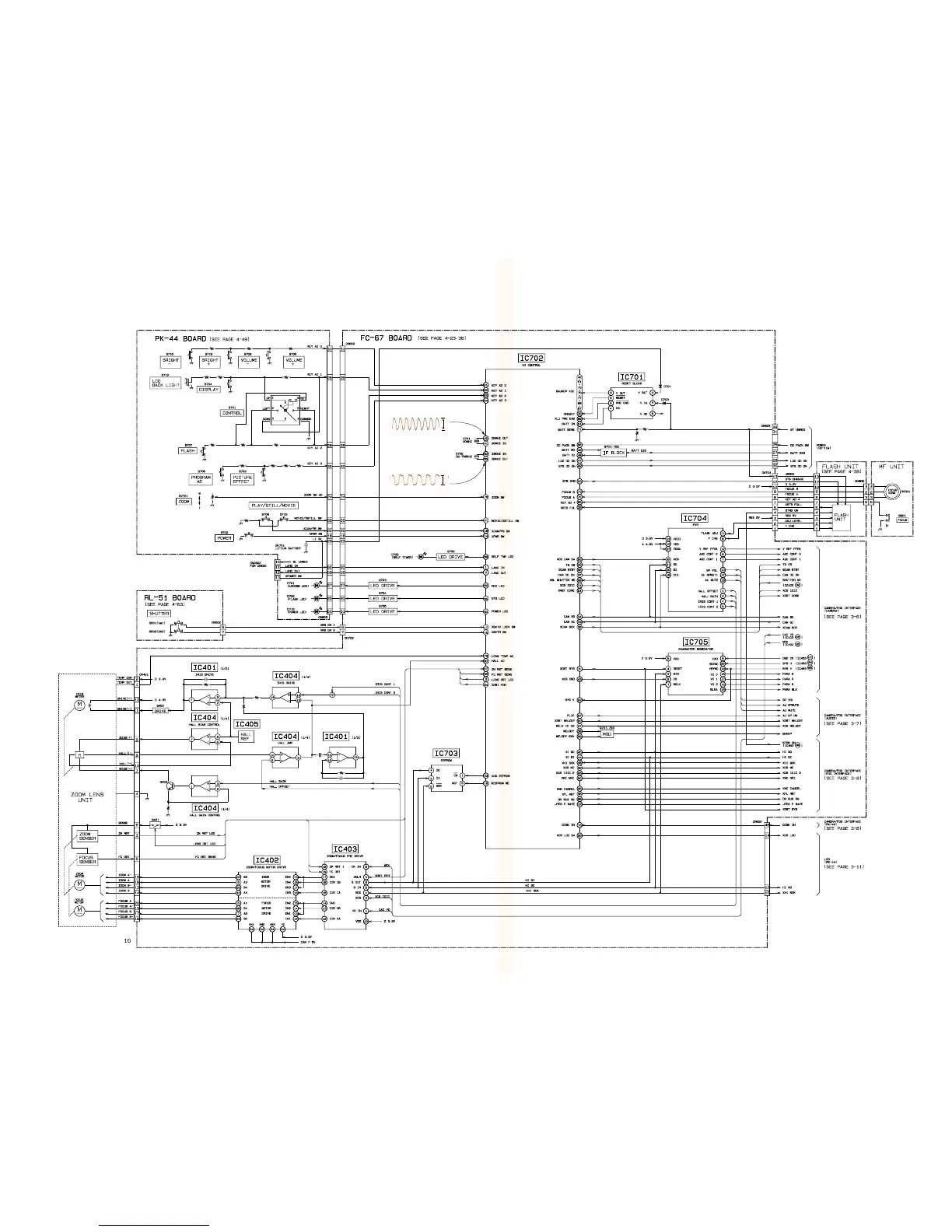
3-3. MODE CONTROL BLOCK DIAGRAM
3-9 3-10
IC702
4.0Vp-p
20MHz
IC702
32.768kHz
3.4Vp-p

Table of Contents

Related product manuals