EasyManua.ls Logo

Sony MX - Page 57

Sony MX
88 pages
Print Icon
To Next Page IconTo Next Page
To Next Page IconTo Next Page
To Previous Page IconTo Previous Page
To Previous Page IconTo Previous Page
Loading...
HCD-SH2000
57
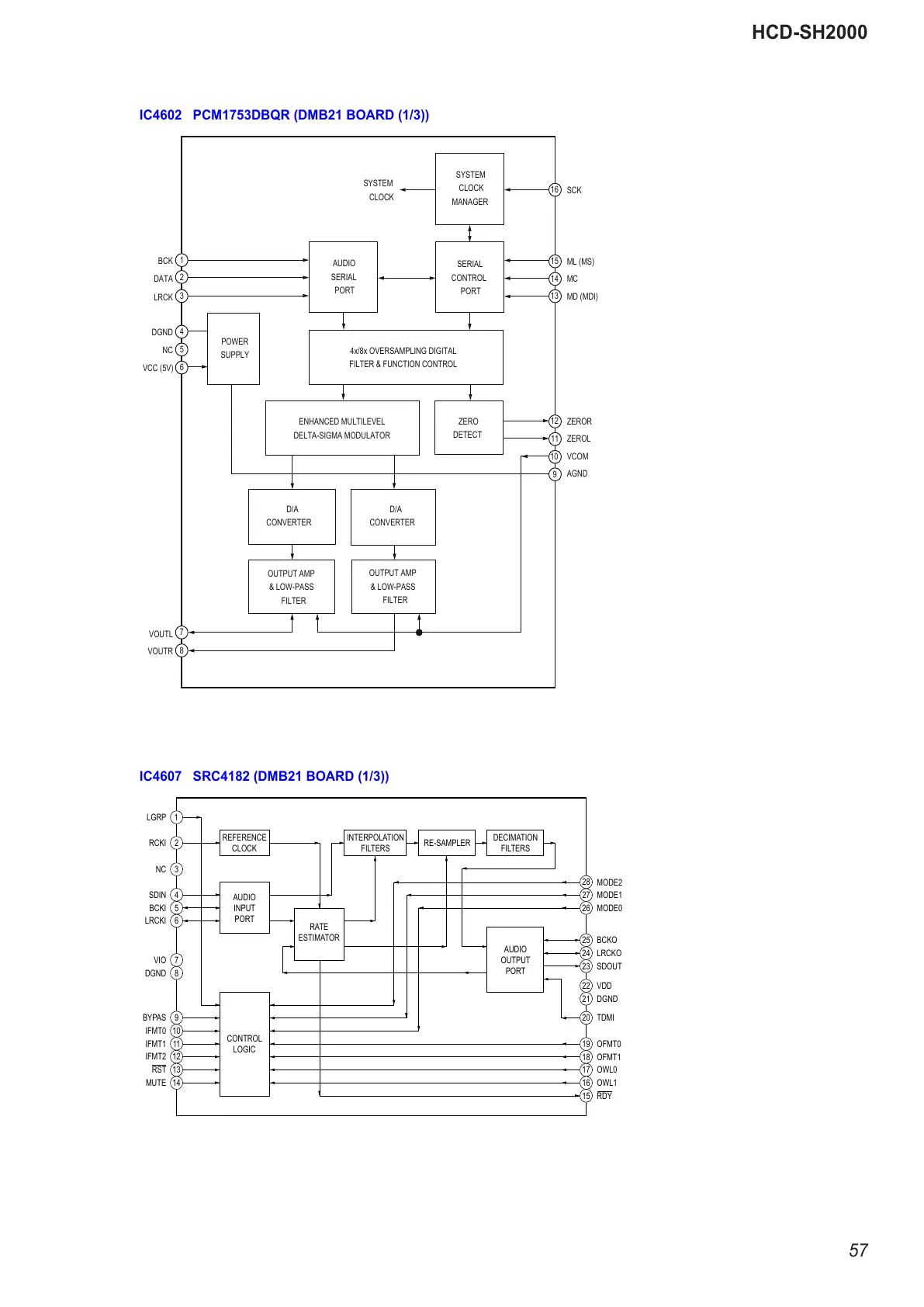
IC4607 SRC4182 (DMB21 BOARD (1/3))
PRGL1
18 OFMT1
17 OWL0
16 OWL1
20 TDMI
19 OFMT0
24 LRCKO
23 SDOUT
26 MODE0
25 BCKO
28
MODE2
27
MODE1
22 VDD
21 DGND
15 RDY
2RCKI
3NC
4SDIN
5BCKI
6LRCKI
9BYPAS
10IFMT0
11IFMT1
12IFMT2
13RST
14MUTE
7VIO
8DGND
REFERENCE
CLOCK
INTERPOLATION
FILTERS
RE-SAMPLER
DECIMATION
FILTERS
AUDIO
OUTPUT
PORT
AUDIO
INPUT
PORT
RATE
ESTIMATOR
CONTROL
LOGIC
1
BCK
POWER
SUPPLY
DATA
LRCK
DGND
NC
VCC (5V)
VOUTL
VOUTR
AGND
VCOM
ZEROL
ZEROR
MD (MDI)
MC
ML (MS)
SCK
SYSTEM
CLOCK
AUDIO
SERIAL
PORT
SYSTEM
CLOCK
MANAGER
SERIAL
CONTROL
PORT
4x/8x OVERSAMPLING DIGITAL
FILTER & FUNCTION CONTROL
ENHANCED MULTILEVEL
DELTA-SIGMA MODULATOR
ZERO
DETECT
D/A
CONVERTER
OUTPUT AMP
& LOW-PASS
FILTER
OUTPUT AMP
& LOW-PASS
FILTER
D/A
CONVERTER
2
3
4
5
6
7
8
9
10
11
12
13
14
15
16
IC4602 PCM1753DBQR (DMB21 BOARD (1/3))
All manuals and user guides at all-guides.com

Table of Contents

Other manuals for Sony MX

Related product manuals