EasyManua.ls Logo

Sony MX - Page 58

Sony MX
88 pages
Print Icon
To Next Page IconTo Next Page
To Next Page IconTo Next Page
To Previous Page IconTo Previous Page
To Previous Page IconTo Previous Page
Loading...
HCD-SH2000
58
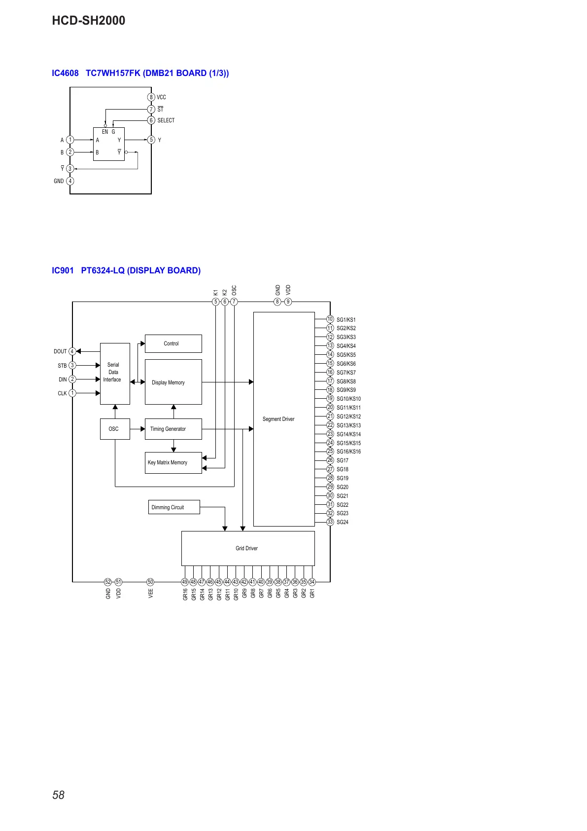
IC4608 TC7WH157FK (DMB21 BOARD (1/3))
SELECT
116
ST
117
A
1
2
3
A
B
Y
5
Y
B
GND
4
VCC
8
Y
EN G
Y
IC901 PT6324-LQ (DISPLAY BOARD)
CLK
1
2
3
4
DOUT
DIN
SG1/KS1
SG2/KS2
SG3/KS3
SG4/KS4
SG5/KS5
SG6/KS6
SG7/KS7
SG8/KS8
SG9/KS9
SG10/KS10
SG11/KS11
SG12/KS12
SG13/KS13
SG15/KS15
SG14/KS14
SG16/KS16
SG17
SG18
SG19
SG20
SG21
SG22
SG23
SG24
GR1
GR2
GR3
GR4
GR5
GR6
GR7
GR8
GR9
GR10
GR11
GR12
GR13
GR14
GR15
GR16
Serial
Data
Interface
Display Memory
Timing Generator
Segment Driver
Dimming Circuit
Grid Driver
Key Matrix Memory
Control
STB
OSC
K1
K2
VDD
GND
VDD
GND
VEE
OSC
567
34
35363738394041424344454647484950
52 51
89
10
11
12
13
14
15
16
17
18
19
20
21
22
23
24
25
26
27
28
29
30
31
32
33
All manuals and user guides at all-guides.com

Table of Contents

Other manuals for Sony MX

Related product manuals