EasyManua.ls Logo

Sony MX - i.LINK (IEEE1394) Compatibility; i.LINK Port Specifications

Sony MX
88 pages
Print Icon
To Next Page IconTo Next Page
To Next Page IconTo Next Page
To Previous Page IconTo Previous Page
To Previous Page IconTo Previous Page
Loading...
HCD-SH2000
59
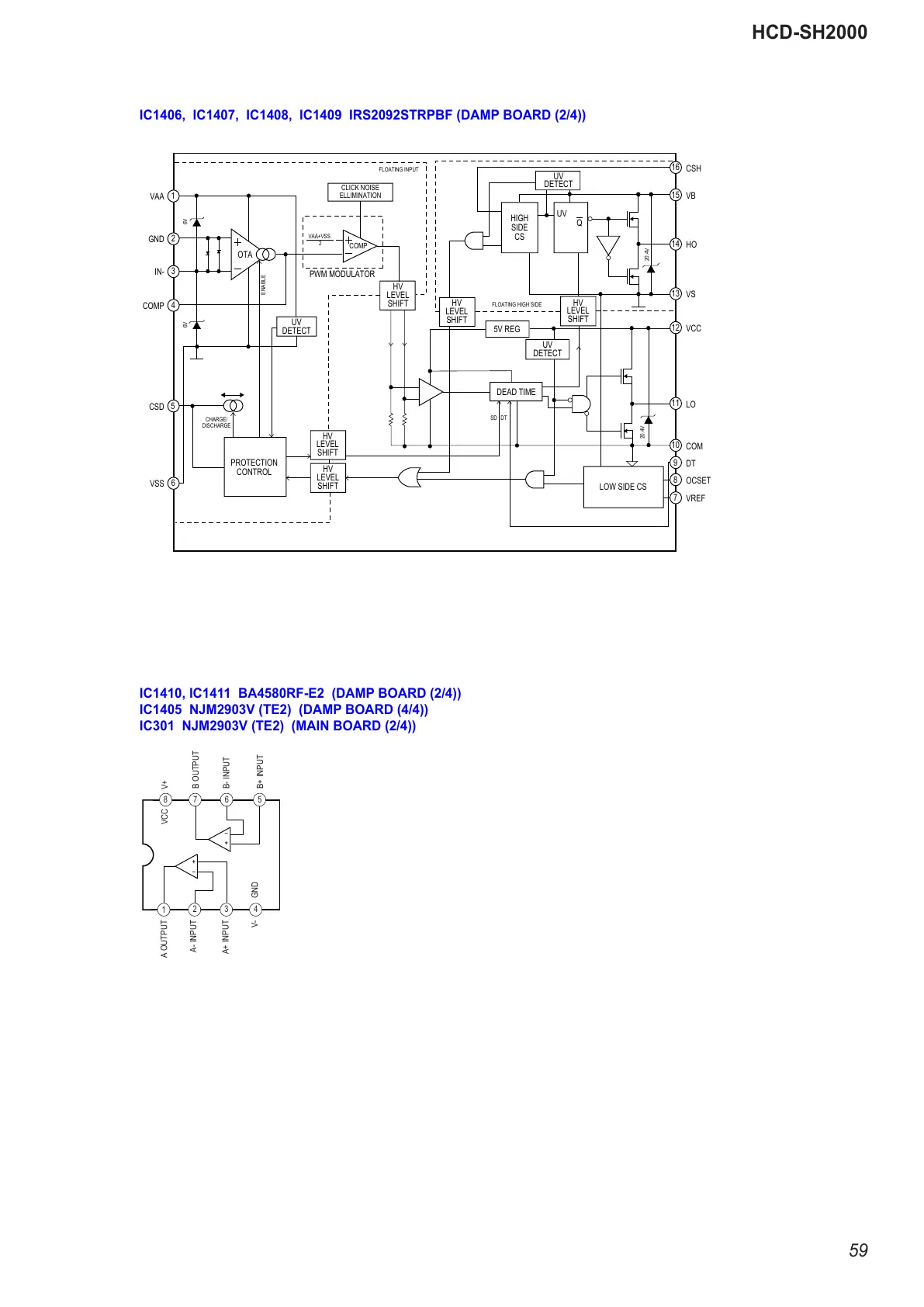
IC1406, IC1407, IC1408, IC1409 IRS2092STRPBF (DAMP BOARD (2/4))
CSH
16
VB
15
HO
14
VS
13
VCC
12
LO
11
COM
10
DT
9
OCSET
8
VREF
7
VAA
CLICK NOISE
ELLIMINATION
COMP
PWM MODULATOR
UV
DETECT
UV
DETECT
DEAD TIME
LOW SIDE CS
PROTECTION
CONTROL
HV
LEVEL
SHIFT
HV
LEVEL
SHIFT
HV
LEVEL
SHIFT
HV
LEVEL
SHIFT
HIGH
SIDE
CS
5V REG
UV
Q
HV
LEVEL
SHIFT
1
GND
OTA
ENABLE
VAA+VSS
FLOATING INPUT
2
2
IN-
3
COMP
4
CSD
5
VSS
6
6V6V
CHARGE/
DISCHARGE
SD
20.4V
FLOATING HIGH SIDE
DT
20.4V
UV
DETECT
VCC
GND
+
+
8
7
6
5
B OUTPUT
B- INPUT
B+ INPUT
1
2
3
4
A OUTPUT
A- INPUT
A+ INPUT
V-
V+
IC1410, IC1411 BA4580RF-E2 (DAMP BOARD (2/4))
IC1405 NJM2903V (TE2) (DAMP BOARD (4/4))
IC301 NJM2903V (TE2) (MAIN BOARD (2/4))
All manuals and user guides at all-guides.com

Table of Contents

Other manuals for Sony MX

Related product manuals