EasyManua.ls Logo

Sony PVM-A250 - H1 Board

Sony PVM-A250
50 pages
Print Icon
To Next Page IconTo Next Page
To Next Page IconTo Next Page
To Previous Page IconTo Previous Page
To Previous Page IconTo Previous Page
Loading...
1-9 (E)
PVM-A250
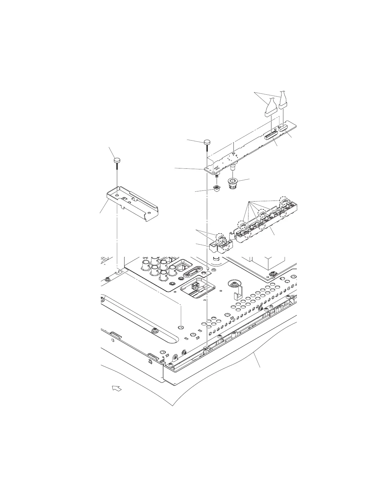
1-4-6. H1 Board
. Remove the rear cover. (Refer to Section 1-4-1.)
3 Two harnesses
CN3
CN1
4 Four screws
(BVTP3 x 10)
1 Screw
(PSW4 x 8)
6 Two hooks
0 Standby button
2 Stand bracket
5 H1 board
!- Encoder knob
8 Six hooks
7 Control keypad assembly
9 Input keypad
assembly
Conductive cushion
Upper side

Related product manuals