EasyManua.ls Logo

Sony PVM-A250 - H2 Board

Sony PVM-A250
50 pages
Print Icon
To Next Page IconTo Next Page
To Next Page IconTo Next Page
To Previous Page IconTo Previous Page
To Previous Page IconTo Previous Page
Loading...
1-11 (E)
PVM-A250
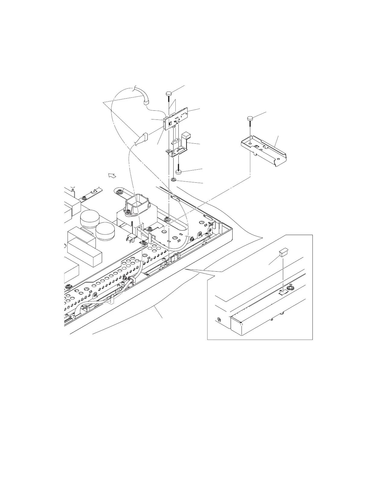
1-4-8. H2 Board
. Remove the rear cover. (Refer to Section 1-4-1.)
CN004
CN003
1 USB cover
5 Two screws
(BVTP3 x 10)
7 Screw
(3 x 4)
8 Nut
9 H2 board
6 H2 bracket
Conductive cushion
Upper side
2 Screw
(PSW4 x 8)
3 Stand bracket
4 Two harnesses

Related product manuals