EasyManua.ls Logo

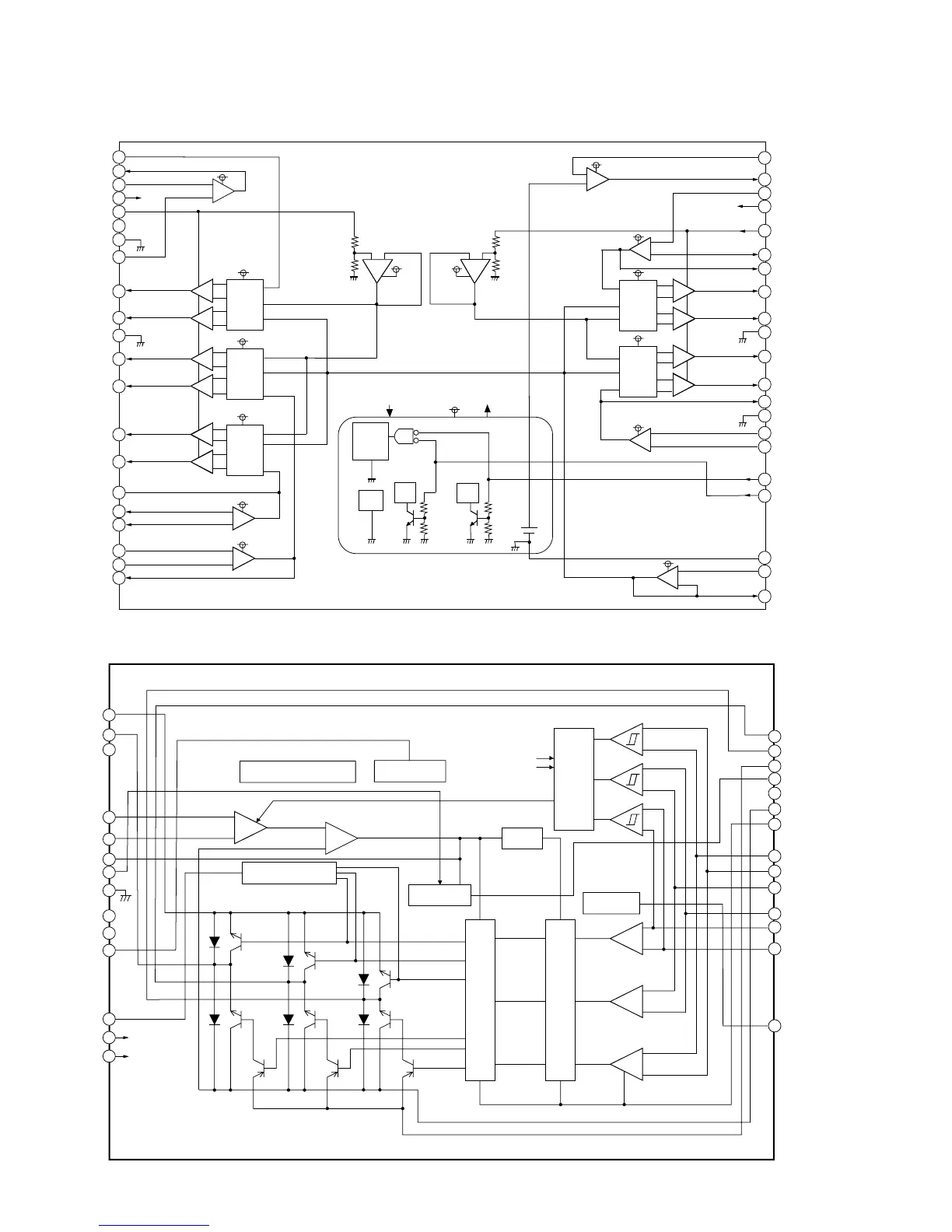
Sony RCD-W1 - IC Block Diagrams (Continued); IC301 and IC401 Block Diagrams

Sony RCD-W1
78 pages
Print Icon
To Next Page IconTo Next Page
To Next Page IconTo Next Page
To Previous Page IconTo Previous Page
To Previous Page IconTo Previous Page
Loading...
58
RCD-W1
IC301 M56788FP (BD board)
IC401 LB11995H-TLM (BD board)
MUTE1
TSD
GND
GND
IN1+
+
-
-
+
+
-
-
+
+
-
-
+
+
-
+
-
-
+
+
-
MUTE2
IN1-
OUT1
VM1(+)
VM1
VM1(-)
VBS1
VM2(-)
VM2(+)
OUT2
IN2-
IN2+
GND
IN3+
VM3 (-)
VM3(+)
GND
NC
OUT3
CH3IN
IN3-
VM4(-)
VM4(+)
SLEEP
Hi:Sleep
VREFO
VREF
VREFO
BIAS
-
OUT4
SS.GND
5CH
+
-
IN4+
IN4-
REG+
+
-
REGB
+
-
-
+
VM5(-)
VM5(+)
OUT5
+
-
IN5+
IN5-
VBS2
VM2
Low,Open
MUTE ON
1 4
CH
E1
E2
E4
E5
E3
Vrefm2
1.25v
+
-
Vrefm1
VBS1
VBS1
VBS1
VBS1
VBS1
VBS1
VBS2
VBS2
VBS2
VBS2
VBS2
VBS2
VBS2
VBS2
Vm1
Vm2
R
R
R
R
VREF
VREG
3
2
1
6
5
4
9
8
7
12
10
15
14
13
18
17
16
19
21
20
CH1
x5
+
-
+
-
+
CH3
x8
CH4
x8
CH5
x8
11
40
41
42
37
38
39
34
35
36
31
33
28
29
30
25
26
27
24
22
23
32
CH2
x5
+
+
+
+
+
+
+
+
Matrix
Waveform distributor
Hall power
supply
Forward/
FG
RG
reverse
Current limiter
Short brake
Thermal shutdown
Reference voltage
Rotation direction detector
PWR GND
WOUT
VC
VCREF
FC
SIG GND
NC
NC
S/S
BRAKE
FG
RS
FG
RS
NC
LMC
VOUT
WOUT
VCC3
RF
VCC1
UIN2
UIN1
VIN2
VIN1
WIN2
WIN1
VH
VCC2
NC
25
15
28
17
26
24
23
3
4
6
7
8
9
10
19
18
21
14
5
20
13
27
22
1
2
12
11
16

Table of Contents

Related product manuals