EasyManua.ls Logo

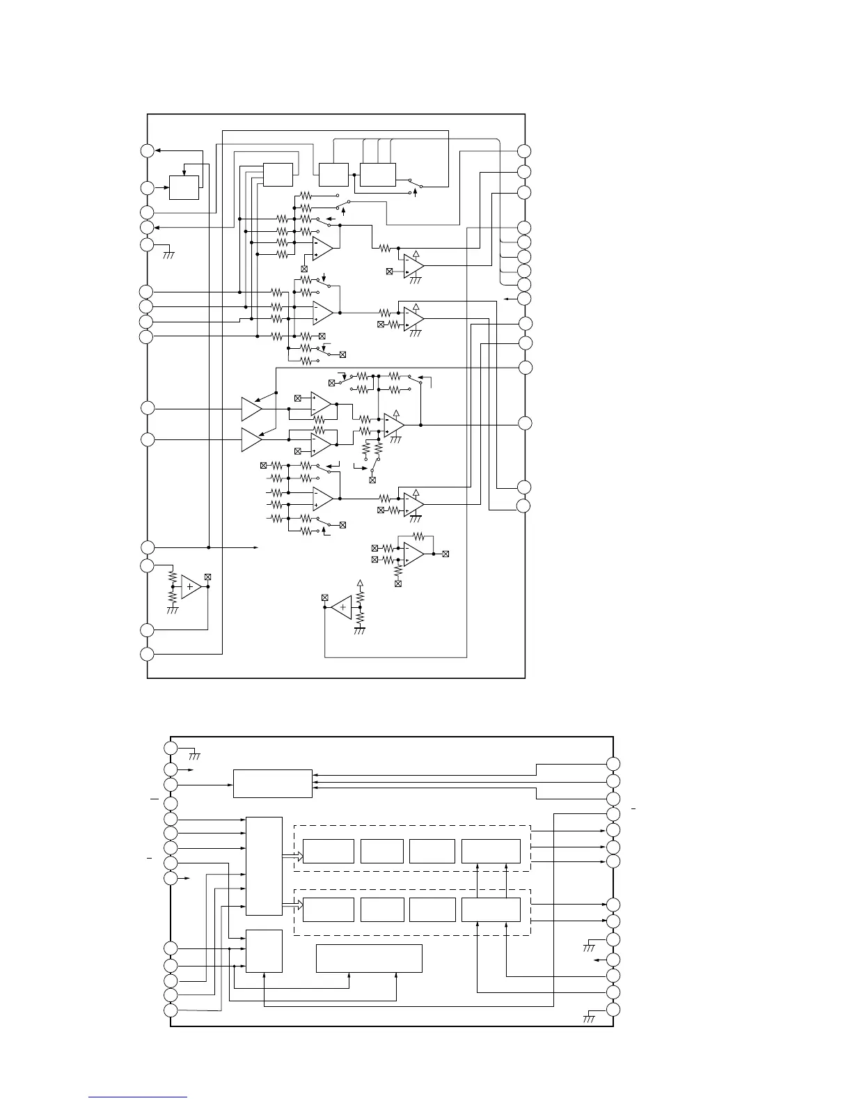
Sony RCD-W1 - IC Block Diagrams (Continued); IC101 and IC105,401 Block Diagrams

Sony RCD-W1
78 pages
Print Icon
To Next Page IconTo Next Page
To Next Page IconTo Next Page
To Previous Page IconTo Previous Page
To Previous Page IconTo Previous Page
Loading...
60
RCD-W1
IC101 CXA2581N (BD board)
IC105,401 AK4393VF-E2 (AUDIO board)
DV CC
AC
SUM
APC
AC
VCA
EQ
VC
VC
VC
RW/ROM
EQ_ON/OFF
VOFST
DVC
DV
CC
RW/ROM
VC
RW/ROM
RW/ROM
RW/ROM
DVC
DV
CC
25
15
30
28
17
16
26
24
23
3
4
6
7
8
9
10
19
18
DVC
DV
CC
DVC
VC
VC
VOFST
DVC
DVC
V
CC
VOFST
B
C
A
D
A
B
C
D
F
E
SW
PD
LD
VCCVCC
GND
VC
DVC
DVCC
CE
CEI
TE
TE_BAL
FE
FEI
RFDCO
29
RFDCI
RFAC
VFC
RFC
RFG
BST
REC
VFC
RFG
BST
EQ_IN
AC_SUM
DC_OFST
VC
RW/ROM
21
14
5
20
13
VC
APC-OFF (Hi-Z)
RW/ROM
(H/L)
27
22
1
2
12
11
gm
gm
RW/ROM
VOFST
Serial
Input
Interface
De-emphasis
Control
De-emphasis
Soft Mute
De-emphasis
Soft Mute
Left Channel
Right Channel
8X
Interpolator
8X
Interpolator
Multi-bit ∆∑
Modulator
Multi-bit ∆∑
Modulator
Switched
Capacitor Filter
Switched
Capacitor Filter
Control
Register
Clock Divider
DVDD
DVSS
DVDD
BICK
SDATA
LRCK
DFS
DFS
DEM0/CCLK
DEM1/CDIT
DIF0
DIF1
DIF2
PD
SMUTE/CS
CKS2
CKS1
VCOM
A OUTL+
A OUTR+
A OUTR-
AVSS
AVDDAVDD
VREFH
VREFL
BVSS
CKS0
A OUT-
P/S
25
15
28
17
26
24
23
3
4
6
7
8
9
10
19
18
21
14
5
20
13
22
1
2
12
11
16
27

Table of Contents

Related product manuals