EasyManua.ls Logo

Sony RMT-144A - Motor Drive

Sony RMT-144A
127 pages
Print Icon
To Next Page IconTo Next Page
To Next Page IconTo Next Page
To Previous Page IconTo Previous Page
To Previous Page IconTo Previous Page
Loading...
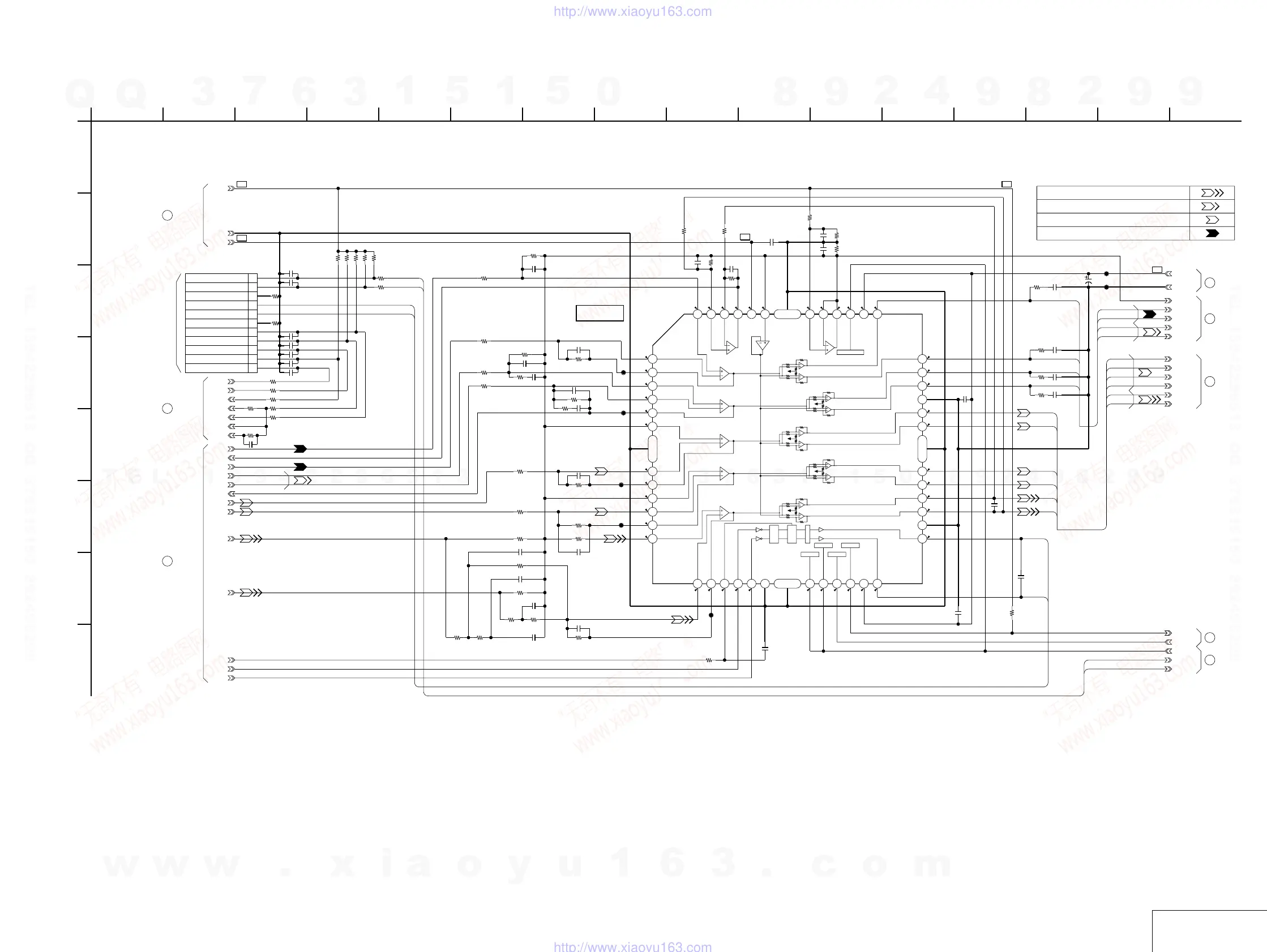
DVP-NC615/NC655P
4-13 4-14
For Schematic Diagram
Refer to page 4-7 for printed wiring board.
MOTOR DRIVE
MB-103 (2/8)
GND
TRMP
MDSO
XX
C208
10k
R229
0.1u
B
C272
R202
220
10k
R259
JL248
1k
R203
CKSW1
XX
R228
120k
R218
FDRV+
10k
R214
0.1u
B
C220
150k
R220
C215
100p
± 0.5%
100k
R254
0.01u
B
C249
10k
R269
TSENSU
+11V
150k
R221
0.001u
B
C259
120k
R227
SPMUTE
0.1u
B
C219
33k
R252
10k
R215
M_GND
± 0.5%
56k
R255
0.01u
B
C258
0.01u
B
C250
TDRV+
10k
R225
1k
R216
470k
R233
680k
R231
FAN8034L
IC202
12345
6
14
15 16 17 18 19 20 21
22 23 24
27 28 29 30 31
32 33 34 35 36
40414243444546
4748
50
51
52
49
13
25 26
373839
1112 910 78
33k
R230
10k
R261
± 0.5%
100k
R250
0.001u
B
C204
C216
220p
XDRVMUTE
XX
R208
33k
R240
+3.3V
33k
R232
+5V
10k
R213
1k
R204
TDRV-
TRMM
SPFG
470k
R243
56k
R222
XX
C268
R201
220
JL247
FDRV-
XX
C227
SLE
XX
C217
0.001u
B
C229
XX
C207
0.001u
B
C228
LMM
0.01u
B
C270
1k
R217
TSD
0.033u
B
C246
SLDA
XX
C205
B
C206
0.01u
1k
R205
470k
R226
LMP
1500p
C218
270k
R224
33k
R239
33k
R238
SVC
OCSW1
0.015u
C214
16V
47u
C271
XX
R237
220p
C226
LMCTL
120k
R219
DSENS
± 0.5%56k
R253
0.033u
B
C240
33k
R241
4700p
B
C230
OCSW2
XX
C209
0.001u
B
C203
56k
R223
220k
R242
SLDB
100p
C225
MDPO
100
R207
330
R262
0.1u
B
C273
0
R280
TSENSD
CL201
CL202
CL203
CL204
CL205
47k
R271
47k
R274
XX
R270
XX
C276
TSENSO
XX
C223
XX
R257
XX
C274
XX
R276
XX
R275
XX
R258
XX
C231
XX
C222
CN201 11P
1
2
3
4
5
6
7
8
9
10
11
FCS+
FCS-
TRK+
TRK-
1
A
SLA-
SLB+
SLA+
SPM+
SPM-
SLB-
CKSW1
SPM-
LDM+
LDM+
FCS+
TRK+
FCS-
OCSW1
SPM+
SLA-
SLB+
TRK-
CKSW1
LDM-
OCSW1
LDM-
SLB-
SLA+
TRK+
TRK-
FCS+
SPM-
SLA+
SLB+
SPM+
SLA-
SLB-
FCS-
OPIN2-
FWD
OUT5
PGND1
IN5+
IN4- DO5-
SW
IN3+
DO4+
MUTE12
IN2-
OUT4
MUTE34
D
IN2+
REV
DO1-
CTL
DO3-
IN5-
OUT2
DO5+
DO2-
IN1+
TMP
DO2+
DO6+
OPIN1+
MUTE34
DO3+
DSENS
TSENS
TMM
OCSW1
PVCC2
GND
TSD-M
GND
OCSW2
VREF
LDM+
DO6-
LDM-
MUTE5
OUT3
CKSW1
POWER SAVE
OPIN1-
OUT1
D
IN4+
-
PGND2
MSC
MUTE12
MUTE5
OPOUT1
SVCC
OPIN2+
PVCC1
SGND
IN3-
OPOUT2
+
DO1+
DO4-
PS
IN1-
TSD-M
TO
CN-158 BOARD
CN301
(FMC-15 FLAT CABLE)
7
TO(7/8)
TO(6/8)
8
9
TO(3/8)
TO(7/8)
10
4
TO(1/8)
5
TO(1/8)
TO(3/8)
11
12
TO(6/8)
XX MARK:NO MOUNT
MOTOR DRIVE
-REF.NO.:1000 SERIES-
MB-103 BOARD(2/8)
16
H
23 129
G
11
E
C
10 14136
B
7
D
F
15584 16
IC202
MOTOR DRIVE
B+
B+
B+
B+
B+
1.6
1.6
1.6
1.6
1.6
1.6
1.6
1.6
1.6
1.6
1.6
1.6
1.6
1.3
0
3.2
3.2
3.2
3.2
3.2
3.2
5.3
10.8
1.6
3.4
3.4
3.0
1.6
4.9
1.6
1.6
10.8
3.2
5.2
5.4
5.3
5.3
5.4
5.3
5.3
5.4
6.6
4.0
5.3
NO MARK:PB MODE
SPINDLE SERVO (SPEED AND PHASE)
SIGNAL PATH
FOCUS SERVO
TRACKING SERVO DVD/CD CDV
SLED SERVO DVD/CD
1.6
(SEE PAGE 4-49)
w
w
w
.
x
i
a
o
y
u
1
6
3
.
c
o
m
Q
Q
3
7
6
3
1
5
1
5
0
9
9
2
8
9
4
2
9
8
T
E
L
1
3
9
4
2
2
9
6
5
1
3
9
9
2
8
9
4
2
9
8
0
5
1
5
1
3
6
7
3
Q
Q
TEL 13942296513 QQ 376315150 892498299
TEL 13942296513 QQ 376315150 892498299
http://www.xiaoyu163.com
http://www.xiaoyu163.com

Table of Contents