EasyManua.ls Logo

Sony RMT-144A - Line1 Out) (Nc615:Aep,Uk) Printed Wiring Board

Sony RMT-144A
127 pages
Print Icon
To Next Page IconTo Next Page
To Next Page IconTo Next Page
To Previous Page IconTo Previous Page
To Previous Page IconTo Previous Page
Loading...
DVP-NC615/NC655P
4-35 4-36
LINE1 OUT
ER-14
LINE (RGB)-TV
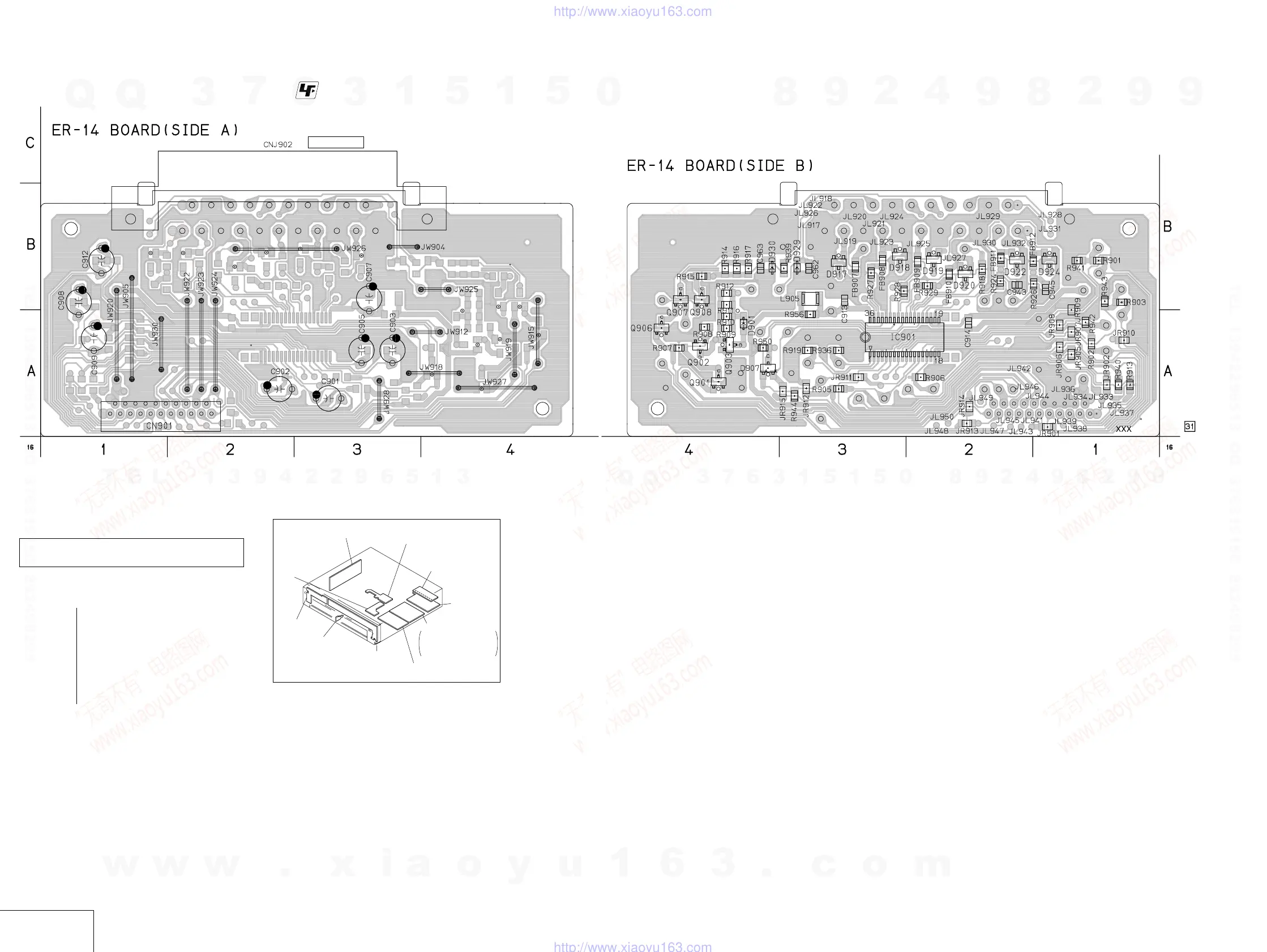
ER-14 (LINE1 OUT) PRINTED WIRING BOARD
For printed wiring board
There are a few cases that the part printed on
this diagram isnt mounted in this model.
: Uses unleaded solder.
ER-14 BOARD
CN901 A-1
CN902 C-2
D901 A-4
D907 A-4
D917 B-3
D918 B-3
D919 B-2
D920 B-2
D929 B-3
D930 B-4
IC901 A-3
Q901 A-4
Q902 A-4
Q903 A-4
Q906 A-4
Q907 B-4
Q908 B-4
IF-091 board
(IF COM)
PL-031 board
(LED)
FR-187 board
(FUNCTION SW/LED)
MD-94 board
(MD INTERFACE)
CN-158 board
(CONNECTOR)
MB-103 board
DVD/CD RF AMP, DIGITAL SERVO,
MOTOR DRIVE, AV DECODER,
SDRAM, SYSTEM CONTROL,
AUDIO DAC, PLL, I/P CONVERTER,
VIDEO ENCODER
AV-062 board
(AUDIO/VIDEO OUT)
ER-14 board
(LINE1 OUT)
SE-130 board
(SENSOR)
POWER BLOCK
(SWITCHING REGULATOR)
w
w
w
.
x
i
a
o
y
u
1
6
3
.
c
o
m
Q
Q
3
7
6
3
1
5
1
5
0
9
9
2
8
9
4
2
9
8
T
E
L
1
3
9
4
2
2
9
6
5
1
3
9
9
2
8
9
4
2
9
8
0
5
1
5
1
3
6
7
3
Q
Q
TEL 13942296513 QQ 376315150 892498299
TEL 13942296513 QQ 376315150 892498299
http://www.xiaoyu163.com
http://www.xiaoyu163.com

Table of Contents

Related product manuals