EasyManua.ls Logo

Sony RMT-144A - Page 63

Sony RMT-144A
127 pages
Print Icon
To Next Page IconTo Next Page
To Next Page IconTo Next Page
To Previous Page IconTo Previous Page
To Previous Page IconTo Previous Page
Loading...
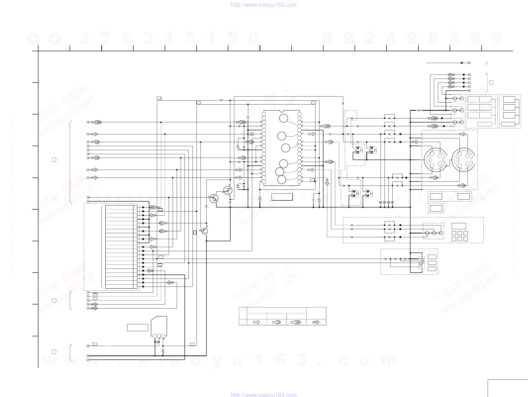
DVP-NC615/NC655P
4-33 4-34
VIDEO OUT
AV-062 (2/2)
For Schematic Diagram
Refer to page 4-29 for printed wiring board.
Refer to page 4-5 for waveforms.
UN2111-TX
Q105
WIDE
JL108
JL106
JL112
JL120
JL114
R146
1k
JL105
0.047u
B
C109
JL117
JL118
*J101
JL130
VMUTE
68
R132
CN101
1RGBSEL
2ERAUDIOL
3
EUROVY
4
GND(AU)
5ERAUDIOR
6+11V
7
DISCEXT
8+5V
9WIDE
10VMUTE
11cR/B
12GND
13Cb/R
14GND
15Y/G
16GND
17Y
18GND
19C
20
-5V
21V
R127
68
JL103
CR/B
JL121
ERAUDIOL
68
R135
Q108
2SA1162-YG-TE85L
JL117
C
JL131
ERAUDIOR
Y/G
CB/R
JL104
JL124
Y
P_GND
68
R130
JL119
100uH
L101
JL110
2L
JL107
2R
0
JS101
R126
68
D_GND
SW_-13V
JL101
EUROVY
3300
R121
R128
68
JL102
V
P_GND
JL122
0.1u
B
C112
JL126
JL123
JL109
HZM6.8ZWA1TL
D103
10k
R129
JL129
EU+11V
0.01u
B
C101
XX
R124
SW_-11V
0.1u
B
C114
JL111
IC102 LA73050-TLM
NC
1
NC
2
VIDEO_IN
3
DCCNT1
4
GND
5
C_IN
6
MUTE1
7
Y_IN
8
NC(DCCNT2)
9
NC(GND)
10
NC
11
Y_IN(NC)
12
DCCNT2
13
GND
14
Cb_IN
15
MUTE2
16
Cr_IN
17
-5V
18
-5V
19
CB_OUT
22
GND
23
Y_OUT
24
+5V(NC)
25
NC
26
-5V
27
-5V
28
Y_OUT
29
NC
30
C_OUT
31
GND
32
VIDEO_OUT
33
+5V
34
NC
35
NC
36
NC
21
Cr_OUT
20
HZM6.8ZWA1TL
D104
DISCEXT
RGBSEL
D_GND
JL113
UN2213-TX
Q104
XX
R123
JL115
JL116
XXR137
XX
R139
XX
R140
XX
R144
XXR143
XX
R142
16V
47u
C110
16V
47u
C111
16V
47u
C113
16V
47u
C102
XX
R136
68
R131
NJM79M05DL1A(TE2)
IC101
1
GND
2
IN
3
OUT
J102
SW
1
A
JL125
R120
XX
R122
XX
C126
47u
16V
R133
68
R134
68
R141
XX
HZM6.8ZWA1TL
D102
HZM6.8ZWA1TL
D101
JL128
R138 XX
YC
G
G
C
G
G
Y
J103
*
C127
XX
C116
XX
C117
XX
C128 XX
S101
R159
1k
R158
1k
R157
1k
1R
1L
WIDE SWITCH
WIDE SWITCH
2
TO(1/2)
NOT USE
AUDIO1 AUDIO2
RR
AUDIO2
LL
AUDIO1
VIDEO1 VIDEO2
LINE OUT
IC102
VIDEO BUFFER
-5V REG
IC101
1
TO(1/2)
TO(1/2)
3
TO(1/2)
4
AV-62 BOARD(2/2)
-REF.NO.:2000 SERIES-
XX MARK:NO MOUNT
VIDEO OUT
16
H
23 12
J
9
G
11
E
C
10 14136
B
7
I
D
F
15584
B+
B- B+
B+
B-
B+
B- B-
B-
4.80.5
0.6 0.5
0.6 0.1
0.5
3.4
0.5
-5.0
-5.0
4.8
1.2
1.2 0.4
00.6
0.6 0
-5.0 -5.0
3.4
0.5
1
2
3
4
5
6
4.8
4.8
0
0
-10.2
-5.0
NO MARK:PB MODE
AUDIO
Y/CHROMA
VIDEO SIGNAL
SIGNAL
Y
SIGNAL PATH
PB
CHROMA
TO
ER-14 BOARD
CN901
B-
(AEP,UK)
B+
B+
(DVP-NC655P)
LINE OUT
VIDEO1
L
AUDIO1
R
AUDIO1
J101
(DVP-NC615)
*J101:3P(NC615)
6P(NC655P)
*J103:1P(NC615)
2P(NC655P)
S VIDEO
OUT1
S VIDEO
OUT2
S VIDEO
OUT1
(DVP-NC655P)
(DVP-NC615)
J103
COMPONENT
VIDEO OUT
PP
Y
R
B
C
R
C
Y
B
(US,CND)
(AUS,SP)
(EXCEPT AEP,UK)
(DVP-
NC655P)
SEL
INT
PROG
(DVP-NC655P)
1.2
0.5
(SEE PAGE 4-37)
w
w
w
.
x
i
a
o
y
u
1
6
3
.
c
o
m
Q
Q
3
7
6
3
1
5
1
5
0
9
9
2
8
9
4
2
9
8
T
E
L
1
3
9
4
2
2
9
6
5
1
3
9
9
2
8
9
4
2
9
8
0
5
1
5
1
3
6
7
3
Q
Q
TEL 13942296513 QQ 376315150 892498299
TEL 13942296513 QQ 376315150 892498299
http://www.xiaoyu163.com
http://www.xiaoyu163.com

Table of Contents

Related product manuals