EasyManua.ls Logo

Sony RMT-D141A - SECTION 3 BLOCK DIAGRAMS; 3-1. OVERALL BLOCK DIAGRAM; 3-2. RF;SERVO BLOCK DIAGRAM

Sony RMT-D141A
108 pages
Print Icon
To Next Page IconTo Next Page
To Next Page IconTo Next Page
To Previous Page IconTo Previous Page
To Previous Page IconTo Previous Page
Loading...
DVP-NS305/NS310/NS315/NS405/NS410/NS415
3-9 3-10
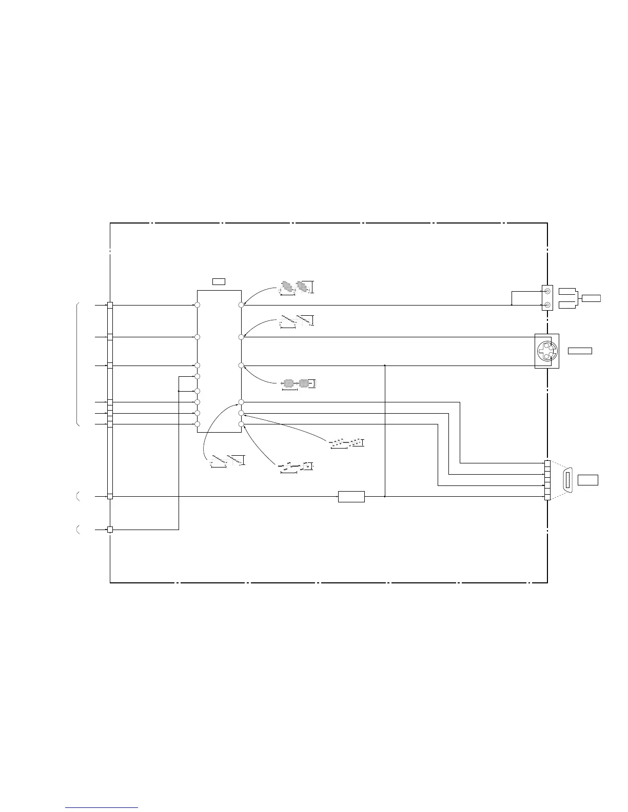
3-5. VIDEO BLOCK DIAGRAM
3
8
6
29
33
31
7
IC102
VIDEO BUFFER
12
15
17
24
22
20
19
15
25
23
21
17
AV-61 BOARD (1/2)
(SEE PAGE 4-33)
CN203 (1/2)
CN202 (1/2)
V
Y
C
Y/G
Cb/R
Cr/B
WIDE
VMUTE
SIGNAL PROCESSOR
(SEE PAGE 3-6)
16
SYSTEM CONTROL
(SEE PAGE 3-8)
INTERFACE CONTROL
(SEE PAGE 3-13)
J104 (2/2)
J103
16
5
11
3
1
CN103
Y
Cb
Cr
LINE3
LINE OUT
VIDEO 1
VIDEO 2
Y
C
S VIDEO OUT
VIDEO IN
Y IN
C IN
MUTE1
Y IN
Cb IN
Cr IN
MUTE2
VIDEO OUT
Y OUT
C OUT
Y OUT
Cb OUT
Cr OUT
V
Y
C
Y
Cb
Cr
Q104, 105
WIDE SWITCH
1
24
D1 VIDEO
OUT
1
IC102 ed
2.5Vp-p
H
2
IC102 ea
1.8Vp-p
H
3
IC102 wl
2.0Vp-p
H
4
IC102 wf
2.0Vp-p
H
5
IC102 ws
1.4Vp-p
H
6
IC102 w;
1.4Vp-p
H

Table of Contents

Related product manuals