EasyManua.ls Logo

Sony RMT-D187A - Power Line Block Diagram

Sony RMT-D187A
82 pages
Print Icon
To Next Page IconTo Next Page
To Next Page IconTo Next Page
To Previous Page IconTo Previous Page
To Previous Page IconTo Previous Page
Loading...
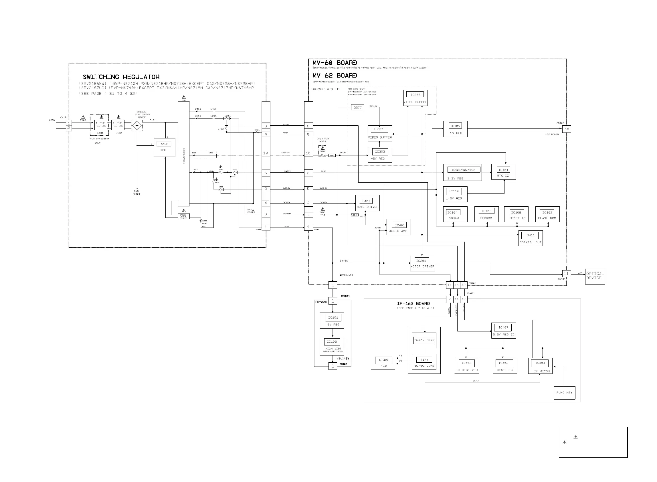
DVP-NS611HP/NS710H/NS710HP/NS717HP/NS718H/NS718HP/NS728H/NS728HP
3-2. POWER LINE BLOCK DIAGRAM
The components identified by
mark or dotted line with mark
are critical for safety.
Replace only with part number
specified.
3-3 3-4
FOR USB MODEL ONLY

Table of Contents

Related product manuals