EasyManua.ls Logo

Sony RMT-D187A - MV-60 Board Video;Audio Schematic

Sony RMT-D187A
82 pages
Print Icon
To Next Page IconTo Next Page
To Next Page IconTo Next Page
To Previous Page IconTo Previous Page
To Previous Page IconTo Previous Page
Loading...
1
A
B
C
D
E
F
G
H
I
J
2
12
13
11
10
98765
43
14
15
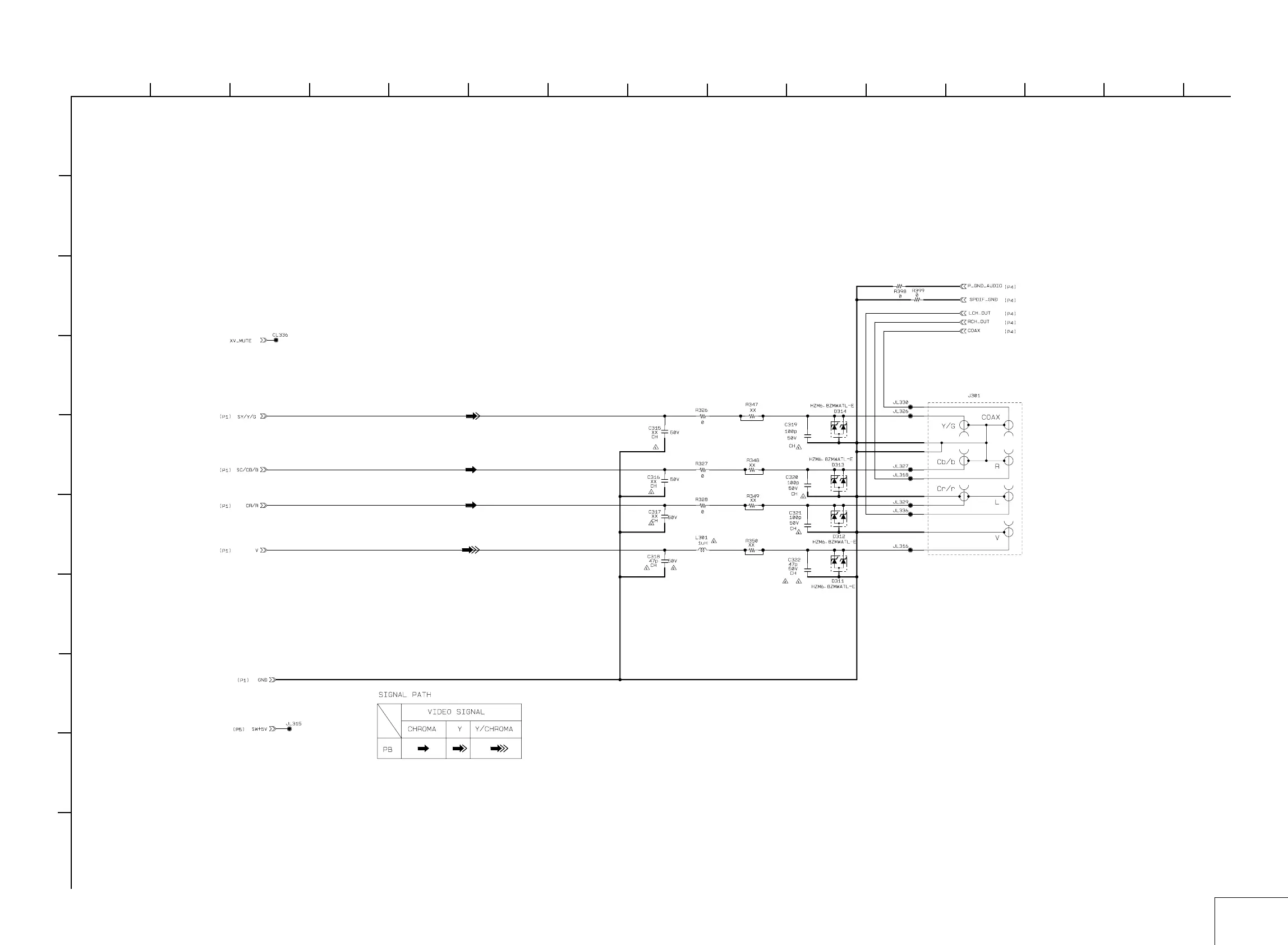
DVP-NS611HP/NS710H/NS710HP/NS717HP/NS718H/NS718HP/NS728H/NS728HP
For Schematic Diagram
• Refer to page 4-13 to 4-14 for printed wiring board of MV-60 boards.
• Refer to page 4-5 to 4-6 for waveforms
MV-60 BOARD
Non Euro Model
(DVP-NS611HP/NS710H/NS710HP/NS717HP/
NS718HP/NS728HP)
NS718H:CND,AUS
NS728H:AUS
VIDEO/AUDIO
-REF.NO.:1000 SERIES-
XX MARK:NO MOUNT
NO MARK:REC/PB MODE
4-21 4-22
VIDEO
MV-60

Table of Contents

Related product manuals