EasyManua.ls Logo

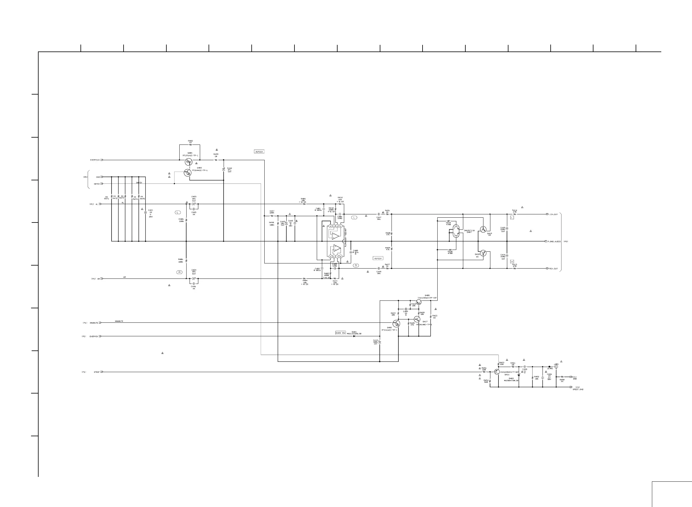
Sony RMT-D187A - MV-62 Board Audio Schematic

Sony RMT-D187A
82 pages
Print Icon
To Next Page IconTo Next Page
To Next Page IconTo Next Page
To Previous Page IconTo Previous Page
To Previous Page IconTo Previous Page
Loading...
1
A
B
C
D
E
F
G
H
I
J
2
12
13
11
10
98765
43
14
15
DVP-NS611HP/NS710H/NS710HP/NS717HP/NS718H/NS718HP/NS728H/NS728HP
For Schematic Diagram
• Refer to page 4-15 to 4-16 for printed wiring board of MV-62 boards.
• Refer to page 4-5 to 4-6 for waveforms
MV-62 BOARD
Euro Model
(DVP-NS718H:AEP,UK,RUS/
NS728H:AEP,UK,RUS)
AUDIO
-REF.NO.:1000 SERIES-
XX MARK:NO MOUNT
NO MARK:REC/PB MODE
4-304-29
AUDIO
MV-62

Table of Contents

Related product manuals