EasyManua.ls Logo

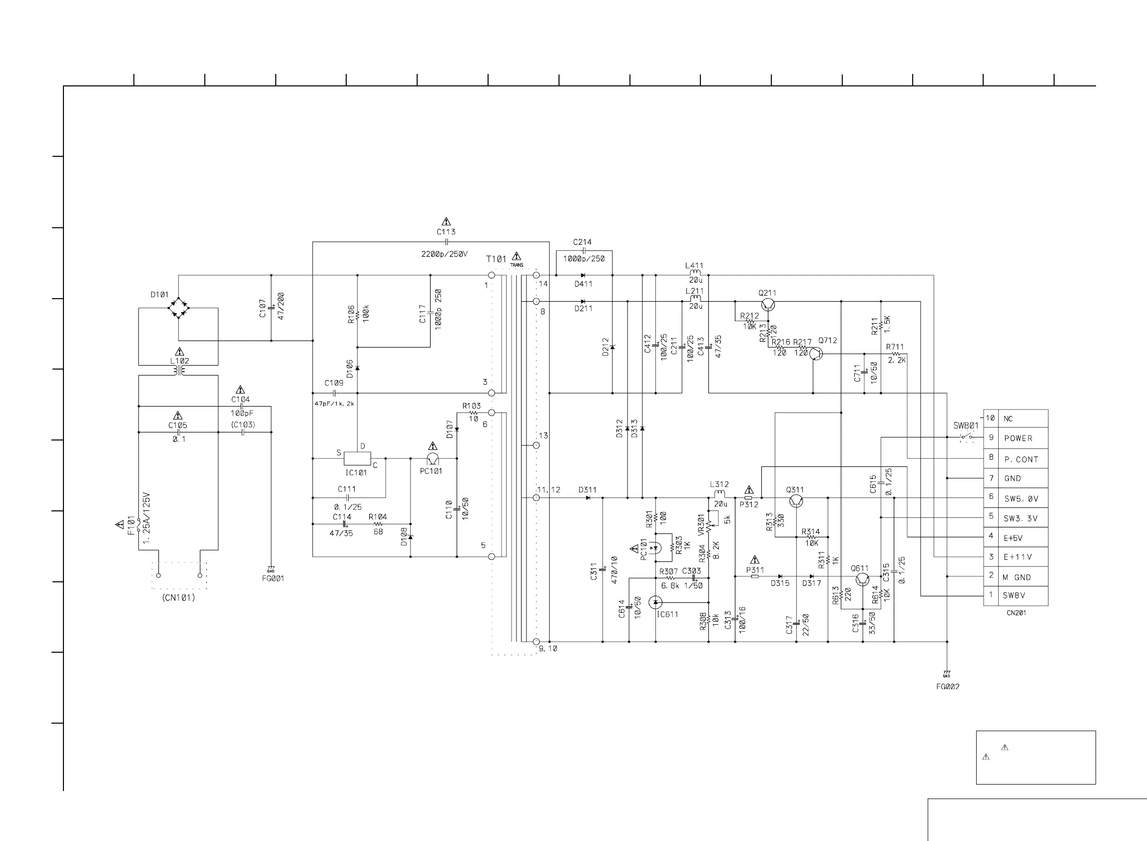
Sony RMT-D187A - Switching Regulator Board (SRV2187 UC) Schematic

Sony RMT-D187A
82 pages
Print Icon
To Next Page IconTo Next Page
To Next Page IconTo Next Page
To Previous Page IconTo Previous Page
To Previous Page IconTo Previous Page
Loading...
1
A
B
C
D
E
F
G
H
I
J
2
12
13
11
10
98765
43
14
15
DVP-NS611HP/NS710H/NS710HP/NS717HP/NS718H/NS718HP/NS728H/NS728HP
The components identified by
mark or dotted line with mark
are critical for safety.
Replace only with part number
specified.
4-33 4-34
For Schematic Diagram
• Refer to page 4-21 to 4-22 for printed wiring board of Switching Regulator board (SRV2187UC).
SWITCHING REGULATOR BOARD
SWITCHING REGULATOR (SRV2187UC)
(DVP-NS611HP/NS710H/NS710HP:EXCEPT PX3/NS717HP)
(NS718H:CND)
-REF.NO.:1000 SERIES-
XX MARK:NO MOUNT
NO MARK:PB MODE
MARKED:MOUNT TABLE
SWITCHING REGULATOR BOARD
(SRV2187UC)

Table of Contents

Related product manuals