EasyManua.ls Logo

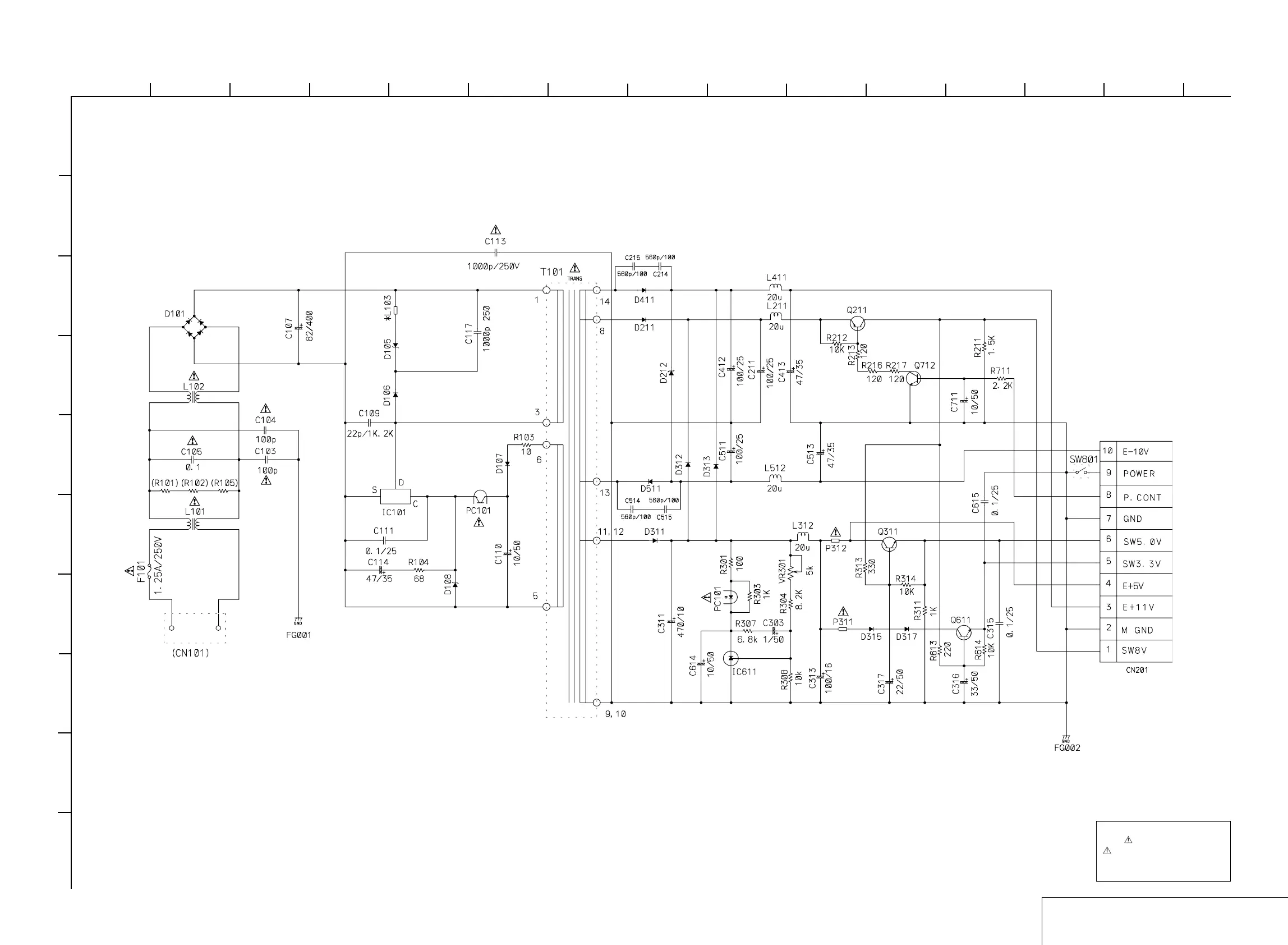
Sony RMT-D187A - Switching Regulator Board (SRV2186 WW) Schematic

Sony RMT-D187A
82 pages
Print Icon
To Next Page IconTo Next Page
To Next Page IconTo Next Page
To Previous Page IconTo Previous Page
To Previous Page IconTo Previous Page
Loading...
1
A
B
C
D
E
F
G
H
I
J
2
12
13
11
10
98765
43
14
15
DVP-NS611HP/NS710H/NS710HP/NS717HP/NS718H/NS718HP/NS728H/NS728HP
The components identified by
mark or dotted line with mark
are critical for safety.
Replace only with part number
specified.
4-37 4-38E
For Schematic Diagram
• Refer to page 4-25 to 4-26 for printed wiring board of Switching Regulator board (SRV2186WW).
SWITCHING REGULATOR BOARD
SWITCHING REGULATOR (SRV2186WW)
(DVP-NS718H:EXCEPT CA2/NS728H/NS718HP/
NS728HP/NS710H:PX3)
-REF.NO.:1000 SERIES-
XX MARK:NO MOUNT
NO MARK:PB MODE
MARKED:MOUNT TABLE
SWITCHING REGULATOR BOARD
(SRV2186WW)

Table of Contents

Related product manuals