EasyManua.ls Logo

Sony SA-MT300 - Block Diagram - PANEL;POWER SUPPLY Section

Sony SA-MT300
40 pages
Print Icon
To Next Page IconTo Next Page
To Next Page IconTo Next Page
To Previous Page IconTo Previous Page
To Previous Page IconTo Previous Page
Loading...
HT-MT300/MT301
HT-MT300/MT301
2828
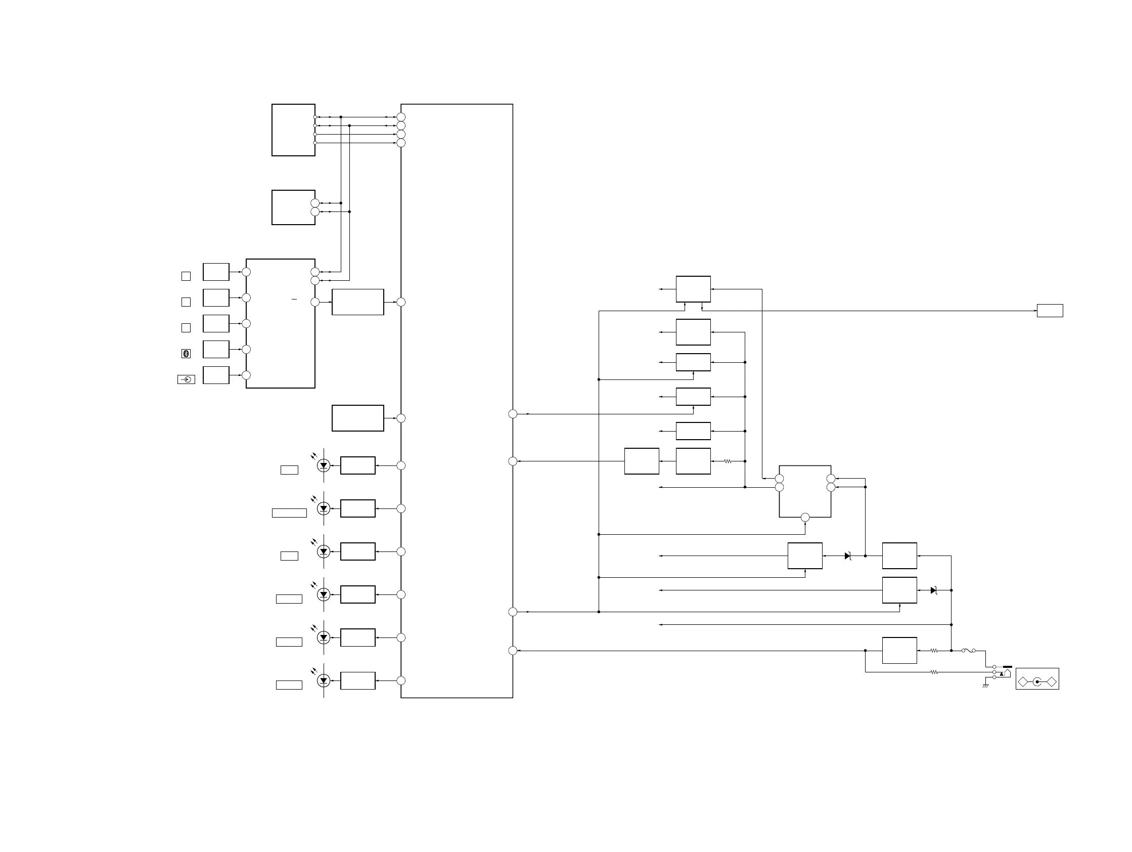
5-2. BLOCK DIAGRAM - PANEL/POWER SUPPLY Section -
29
SIRCS_IN
REMOTE CONTROL
RECEIVER
IC2012
98 TV_LED
LED DRIVE
Q5004
28MTK_RESET
SYSTEM CONTROLLER, DSP
IC2003 (2/2)
11 5AC_CUT
16VIN2
1VIN1
VOLTAGE
DETECT
IC2001
99 NFC_iAP_TS_SDA
NFC BOARD
NFC_DATA
TOUCH
KEY
TOUCH KEY CONTROLLER
IC4001
CS0/PS0
CS1/PS1
CS4/GPO0
1 I2C_SDA 14
HI/BUZ
16
I2C_SCL
15
MFI
IC2006
SDA
2
SCL
6
JL4004
+
TOUCH
KEY
2
JL4003
TV
D5004
30 BT_LED
LED DRIVE
Q5001
BLUETOOTH
D5001
83 USB_LED
LED DRIVE
Q5003
USB
D5003
41 ANALOG_LED
LED DRIVE
Q5002
ANALOG
D5002
101 MOVIE_LED
LED DRIVE
Q5005
MOVIE
D5005
84 MUSIC_LED
LED DRIVE
Q5006
MUSIC
D5006
JL4002
TOUCH
KEY
8
1
CS5/GPO1
TOUCH
KEY
9
JL4001
CS6/GPO2
TOUCH
KEY
10
JL4005
32 TS_INT
14 SW2
3 SW1
NFC_CLK
100 NFC_iAP_TS_SCL
NFC_IRQ
33 NFC_IRQ
NFC_RFDET
38 NFC_RFDET
RESET
SWITCH
Q2000
A5V
USB VBUS
DC/DC
CONVERTER
IC3208
VBUS
SWITCH
IC3000
SERIAL FLASH B+
B+ SWITCH
Q2011, 2012
39PCONT_MAIN_SYSTEM
34BT_CONT
BT_3.3V
B+ SWITCH
Q3209, 3210
D3.3V
CORE_1.2VV
B+ SWITCH
Q3203, 3204
+1.2V
REGULATOR
IC3204
D3203
GVDD_12V
PVDD 19.5V
+12V
REGULATOR
IC3206
D3206
+5V
REGULATOR
IC3207
DC/DC CONVERTER
IC3205
UNSW3.3V
EN2
12
INTERRUPT SIGNAL
GENERATOR
IC4002
J3201
+
19.5V
F3201
>001B
USB_OCPI
VOLTAGE
DETECT
IC2011

Related product manuals