EasyManua.ls Logo

Sony SLV-EX5 - Video Block Diagram

Sony SLV-EX5
Print Icon
To Next Page IconTo Next Page
To Next Page IconTo Next Page
To Previous Page IconTo Previous Page
To Previous Page IconTo Previous Page
Loading...
SLV-EX5/EX8S/EX9S
R212
JS291
PB
86
87
SP
REC
89
88
CH2
CH1
SW30
CH1
94
93
CH2
SW31
92
91
SP
SP
SW29
LPF
R
SW7
P
629
TRAP
1MHPF
7MLPF
LPF
FM MOD
to/Dev Adj
S-DET
Main Emph
Carrier Offset
W.C/DC
97
FM AGC
P
EQ
SQPB
Delay
SW8
SQPB
SQPB
G
EQ
DLIM
DEMO
Sub LPF
Main
De-emph
SW9
17
DO
Det
Edge
Delay
N.L
De.Emph
N.L
Emph
FBC/ALC
SW10
RP
Y-PLF
SW11
R
P
18
19
CLAMP
SW14
DO/
REC
DO
R
PSW13
DF
N.C
YNR
21
23
24
LPF
26
VIDEO AGC
P
SW17
R
Picture
Cont.
REC
AGC DET
PB ALC
ATT
(-10DB)
28
30
31
SW16
35
CCD
Mode
Control
37
39
C-CCD
Y-CCD
Clock
Driver
42
44
46
Feed Back
Clamp
Video ALC
SQUELCH
CLEAR
SYNC
Sync. SepC. SQUELCH
White
limiter
6dB AMP
6dB AMP
50
51
52
54
55
C.K
N --> P
B.D
BPF
SW21
Main
Conv2
Main
Conv1
SW23 SW22
R
P
P
R
4phase
Gen
CCD
LPF
57
58
LEVEL Det2
LEVEL Det1
SW26
P
R
RDL
SW25
Delay CLPF
P
R
SW24
BEC.K
MIX
LEVEL
ADJ
P
SW18
R
TRAP
ctl trap
fh HPF
HPF
ACC
P
R
SW20
SEP
COMP
SW19
L-SECAM
L-
SECAM
SW27
SW28
2M LPF
1/2
2EL VCO
DOWN
Conv
1/2
2EL VCO
PB/REC
Discri
REC
AFC
REC
APC
PB
APC
Color Killer
ID Det
Pulse
Gen
NP.
cont
VCA
60
63
62
Serial Cont
Interface
64
fH PLL
2fsVCO
LC VCO
CR Det
2fsc
69
X-tal
VCO/OSC
71
73
78
79
81
Logic
Head SW1
Head SW2
Q206
SP CH2 F
SP COM
SP CH1 F
LP CH2 F
LP COM
LP CH1 F
4
5
6
1
2
3
CN201
SP
CH2
SP
CH1
LP
CH2
LP
CH1
CN202
2
3
PB RF
RF SWP
VCLK(IIC)
VDAT(IIC)
RF ENV
RF SWP
BUFFER
Q901,904
VIDEO
OUT
4 fsc IN
4fc OUT
PAL/MAIN/SAP
VIDEO
IN
BLUE BACK
45
52
53
64
43
18
X151
17.734475MHz
MOD V
TUNER
TU VIDEO
Q174
BLUE
BACK SWITCH
C.KILLER DET
QVD
COMPSYNC
APC PWM
MESECAM DET
ACK
MESEC
QVD
CSYNC
APC
JS202
1
7
CN531
CN901
EX8S/EX9S
420
JS908
EX8S/EX9S
EX8S/EX9S
JS900
EX8S/EX9S
CNJ902
LINE-1 OUT
EX8S/EX9S
EX5/EX8S
EX5
SERVO/SYSTEM
CONTROL
(SEE PAGE 3-5)
1
84
ENV DET
SP
REC
PB
PB
PB
LP
REC
LP
REC
VCA
PB
REC
MUTE
Q211
BUFFER
6
BAND
GAP
Q210
REC TRAP
SWITCH
NA PB AUDIO
(SEE PAGE 3-7)
CLAMP
ATT
(-10DB)
ATT
(-10DB)
10
9
18
CLK
DATA
C IN
Y IN
V OUT
CLK(RR)
DATA(RR)
(SEE PAGE 3-5)
SERVO/SYSTEM
CONTROL
IC291
ARC
3.579693MHz
X202
4.433619MHz
X201
VIDEO INPUT SELECT
IC201
INVERTER
(1/2)
Y/C PROCESS
CCD DELAY
INVERTER
Q171
SYSTEM CONTROL
OSD
IC101
(1/2)
JS203
(SEE PAGE 4-9, 13, 21)
MA-377 BOARD (1/5)
FJ-26
BOARD(1/2)
(SEE PAGE 4-29)
MODE CONTROL
(SEE PAGE 3-12)
SERVO/SYSTEM
CONTROL
(SEE PAGE 3-5)
C.KILLER DET
MESECAM DET
QVD
COMP SYNC
APC PWM
HF ADJ
AF ENV
AUDIO
(SEE PAGE 3-7)
05
CHECK
VIDEO
(1/2)
(1/3)
LINE-1 IN/LINE-1 OUT
CNJ904
VIDEO
LINE-1 IN
VIDEO
CNJ905
(1/2)
EX8S/EX9S
BUFFER
Q902,903
LINE-2 IN
(1/2)
CNJ531
VIDEO
(1/2)
(1/2)
(SEE PAGE 3-9)
Q172
VIDEO
BUFFER
EX5
EX9S
EX5/EX8S
4
SP CH2 F
SP
CH2
EX5
5
SP COM
SP
CH1
LP CH1 F
6
SP CH1 F
LP
CH2
1
LP CH2 F
LP
CH1
2
LP COM
3
CN204
(1/2)
EX8S/EX9S
MAIN/SAP
MAIN/SAP
MAIN/SAP
EX5
75
640mVp-p (H)
IC201
uk
PB
720mVp-p (H)
IC201
ul
PB
IC201
ia
REC/PB
5.3Vp-p (H)
40mVp-p (H)
IC201
ih,il
REC
IC201
ua
REC/PB
608mVp-p
(3.58MHz)(NTSC)
IC291
4,qk
REC
2.1Vp-p (H)
IC291
qk
PB
1.9Vp-p (H)
IC291
4
PB
2.2Vp-p (H)
IC291
w;
PB
152mVp-p (H)
REC:512mVp-p (H)
PB :584mVp-p (H)
IC201
tk
REC/PB
320mVp-p (H)
IC201
y;
REC/PB
IC101
rg
REC/PB
2.2Vp-p (H)
IC101
rd
REC/PB
2.2Vp-p (H)
IC201
t;
REC/PB
4.6Vp-p (H)
IC201
e;
REC/PB
1.1Vp-p (H)
IC201
wh
REC/PB
REC:512mVp-p (H)
PB :584mVp-p (H)
IC201
wd
REC/PB
REC:472mVp-p (H)
PB :504mVp-p (H)
IC201
qk,ql
REC/PB
REC:472mVp-p (H)
PB :504mVp-p (H)
IC201
wa
REC/PB
392mVp-p (H)
IC201
ug
REC/PB
496mVp-p (4.43MHz)
(PAL)
3-3 3-4
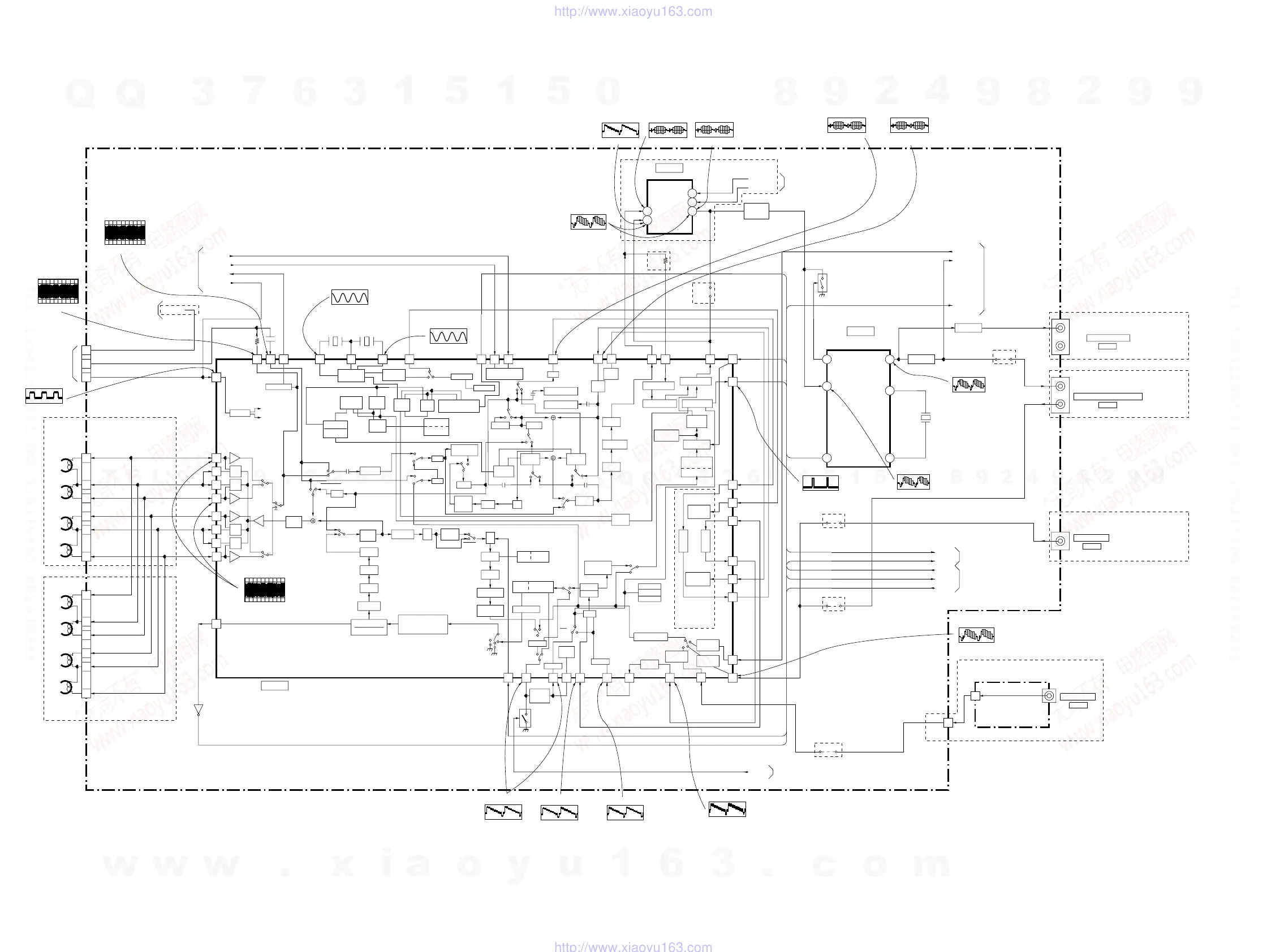
3-2. VIDEO BLOCK DIAGRAM
w
w
w
.
x
i
a
o
y
u
1
6
3
.
c
o
m
Q
Q
3
7
6
3
1
5
1
5
0
9
9
2
8
9
4
2
9
8
T
E
L
1
3
9
4
2
2
9
6
5
1
3
9
9
2
8
9
4
2
9
8
0
5
1
5
1
3
6
7
3
Q
Q
TEL 13942296513 QQ 376315150 892498299
TEL 13942296513 QQ 376315150 892498299
http://www.xiaoyu163.com
http://www.xiaoyu163.com

Table of Contents

Related product manuals