EasyManua.ls Logo

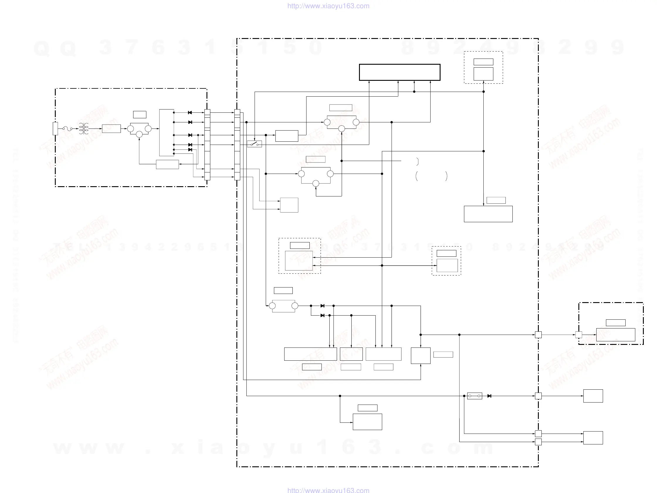
Sony SLV-EX5 - Power Block Diagram

Sony SLV-EX5
Print Icon
To Next Page IconTo Next Page
To Next Page IconTo Next Page
To Previous Page IconTo Previous Page
To Previous Page IconTo Previous Page
Loading...
SLV-EX5/EX8S/EX9S
F1
Q706,
+5V REG
+12V REG
SW +5V REG
IC360
AUDIO
PROCESS
IC291
ARC
IC653
D+5V REG
D101
D102
POWER FAIL DET
RESET PULSE GENERATOR
EEP ROM
SERVO/SYSTEM
CONTROL
IC141 IC142 IC101
FL
DRIVER
IC451
CAM MOTOR
DRIVER
D071
IC031
UNSW+5V
CN401
MTR12V
CN051
SEE PAGE 4-29
IC501
REMOTE CONTROL
RECEIVER
CN501
()
MF-321 BOARD
DRUM
MOTOR
M901
UNSW+5V
MTR+12V
CAPSTAN
MOTOR
M902
MTR+12V
UN5V
-13V
MTR12V
AN6V
30V
CN102
SWITCH
AC RECT
BD1
IC652
IC1
PHOTO
COUPLER
PC1
T1
PRT
AC IN
1
3
.
LFT
NF1,2
CN101
D607
D605
D606
D604
P CONT
SERVO/SYSTEM
CONTROL
SW+5V
3
3
5
7
1
1
2
4
IC651
4
PS071
1
2
TU702
CN600
.
18
5
.
1
.
6
2
PSM17-501 BOARD
(SEE PAGE 4-35)
3
1
2
14
16
2
6
.
1
3
.
4
5
18
.
14
16
3
4
D609
+F
-F
Hi-Fi
707
SEE PAGE
3-5
IC201
VIDEO INPUT SELECT
Y/C PROCESS
CCD DELAY
NORMAL AUDIO PROCESS
ND451
3
1
OSD
05
SEE PAGE 4-9 to 4-24
)
MA-377 BOARD
(
EX9S
Q701
EX8S/EX9S
13V 12V
P.CONT
5V
P.CONT
6V
5V6V
STEREO
SYSTEM
IC701
EX8S/EX9S
3-7. POWER BLOCK DIAGRAM
3-13 3-14 E
w
w
w
.
x
i
a
o
y
u
1
6
3
.
c
o
m
Q
Q
3
7
6
3
1
5
1
5
0
9
9
2
8
9
4
2
9
8
T
E
L
1
3
9
4
2
2
9
6
5
1
3
9
9
2
8
9
4
2
9
8
0
5
1
5
1
3
6
7
3
Q
Q
TEL 13942296513 QQ 376315150 892498299
TEL 13942296513 QQ 376315150 892498299
http://www.xiaoyu163.com
http://www.xiaoyu163.com

Table of Contents

Related product manuals