EasyManua.ls Logo

Sony SLV-EX50 - Power Supply) Schematic Diagram

Sony SLV-EX50
75 pages
Print Icon
To Next Page IconTo Next Page
To Next Page IconTo Next Page
To Previous Page IconTo Previous Page
To Previous Page IconTo Previous Page
Loading...
A
123456789101112
13 14
B
C
D
E
F
G
H
I
J
SLV - EX50/EX80S/EX90S
1/4W
R602
150k
C605
100u
*
R605
1500
1/4W
D602
XX
C601
0.1u
C600
250V
0.1u
FH601
FH600
JL601
JL602
ET600
2P
CN600
1
3
1/2W
3.3M
R601
1/4W
330k
R603
1/4W
12k
R604
D1NL20U-TA2
D601
560p
C607
1/4W
8200
R607
1/4W
±1%
9100
R606
C608
2200p
800V
MA8910
IC600
1234567
820p
C606
F600*
2A
250V
1M
R611
1/2W
D600
DF06M-6031
LF600
RD5.6ES-T1B2
D607
XX
D603
XX
D604
XX
D605
VDR600
250V
470p
C602
C603
250V
470p
C604
250V
470p
68k
R647
1/4W
±1%
1/10W
2200
R648
XX
JS601
1/4W
47
R649
JL618
SW12V
B
0.01u
C669
MTR_12V
JL615
R642
SW12V
C662
220u
25V
SW5V
AU02A-V0
D611
B
0.01u
C661
SW12V
-13V
AU02A-V0
D612
JL604
22uH
L601
0
JS664
GND
D614
RD16F-T8B1
GND
22u
50V
C671
D_6V
SW5V
47u
16V
C664
F-
XX
C614
470u
16V
C611
JS625
L602
22uH
JL611
JL612
47u
50V
C626
XX
C625
GND
1uH
L606
C610
10V
1500u
10
R640
1/4W
JL614
PS661
AU_GND
470u
25V
C616
R668
10k
GND
B
0.01u
C627
D609
31DQ06-FA7
JL625
C615
820u
25V
68uH
L660
F+
16V
22u
C665
PQ12RD08
IC660
1234
AU_GND
MTRGND
JL619
D608
D2S4MF
AK04V0
D613
XX
C628
DGND
JL613
R641
10
1/4W
+30V
XX
C617
47u
50V
C624
DGND
SW5V
XX
C632
1uH
L604
C630
0.01u
B
R643
1W
2.2
1uH
L603
470u
10V
C629
0.01u
B
C631
±0.5%
2k
R612
50V
1u
C612
1/4W
47
R616
1/10W
2200
R615
PC123FY2
PH600
1500
R614
±0.5%
120
R613
1/4W
IC601
AN1431T-TA
123
ET601
47u
50V
C636
1/4W
1k
R617
0.12u
C613
220
1/4W
R618
PQ05RD11
IC662
1
6V(IN)
2
5V(OUT)
3
GND
4
P.CONT
0.01u
C673
16V
100u
C674
0.01u
C633
T600
3
4
6
7
8
10
11
14
13
12
15
16
17
5
D_6V
D_5.2V
JS665
JS666
RD6.2ES-T1B2
D623
D1NL20U-TA2
D624
±
1%
39k
R651
MTZJ-T-77-18B
D625
XX
R650
JS667
25V
470u
C663
JS668
D_GND
SW5V
PCO
SW12V
-13V
-13V
AN_GND
AN_GND
AN_GND
AN_GND
LIVE
NEUTRAL
P.CONT
P CONT
13V (IN )
GND
12V (OUT)
2.3A
PET
B-
B+
B+
HIFI GND
AN_GND
AN_GND
AN_GND
AN_GND
TYPE:5G
MA-402 (5/8)
(SEE PAGE 4-21)
21
17
16
4
MA-402 (4/8)
(SEE PAGE 4-19)
MA-402 (3/8)
(SEE PAGE 4-17)
MA-402 (1/8)
(SEE PAGE 4-9)
23
MA-402 (7/8)
(SEE PAGE 4-25)
15
MA-402 (2/8)
(SEE PAGE 4-13)
B+
B+
B+
B+
B+
B+
B+
B+
B+
B-
4.7
2.4
13.5
11.7
4.9
TERMINAL
GROUND
B+
TERMINAL
GROUND
5
5
5.25
MA-402(6/8)
(SEE PAGE 4-23)
22
EX50BR/
EX80SBR/
EX90SBR
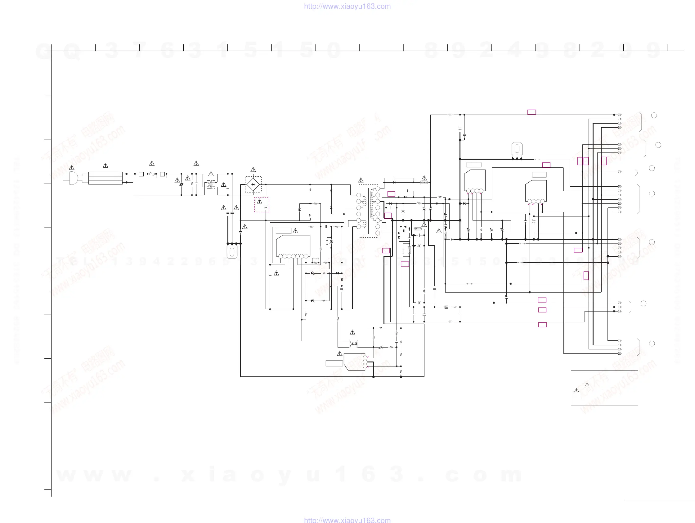
MA-402 (POWER SUPPLY) SCHEMATIC DIAGRAM
Ref. No: MA-402 Board; 1000 series
See page 4-5 for printed wiring board.
MA-402 BOARD(8/8)
XX MARK:NO MOUNT
NO MARK:REC/PB MODE
POWER SUPPLY
MA-402 (8/8)
4-27 4-28
Note :
The components identified by
mark
or dotted line with mark
are critical for safety.
Replace only with part number
specified.
w
w
w
.
x
i
a
o
y
u
1
6
3
.
c
o
m
Q
Q
3
7
6
3
1
5
1
5
0
9
9
2
8
9
4
2
9
8
T
E
L
1
3
9
4
2
2
9
6
5
1
3
9
9
2
8
9
4
2
9
8
0
5
1
5
1
3
6
7
3
Q
Q
TEL 13942296513 QQ 376315150 892498299
TEL 13942296513 QQ 376315150 892498299
http://www.xiaoyu163.com
http://www.xiaoyu163.com

Table of Contents

Related product manuals