EasyManua.ls Logo

Sony SLV-L49 - Audio;Tuner Block Diagram

Sony SLV-L49
125 pages
Print Icon
To Next Page IconTo Next Page
To Next Page IconTo Next Page
To Previous Page IconTo Previous Page
To Previous Page IconTo Previous Page
Loading...
SLV-L49/L52/L59/L69HF/L72HF/L79HF/L89HF/X55/X66HF
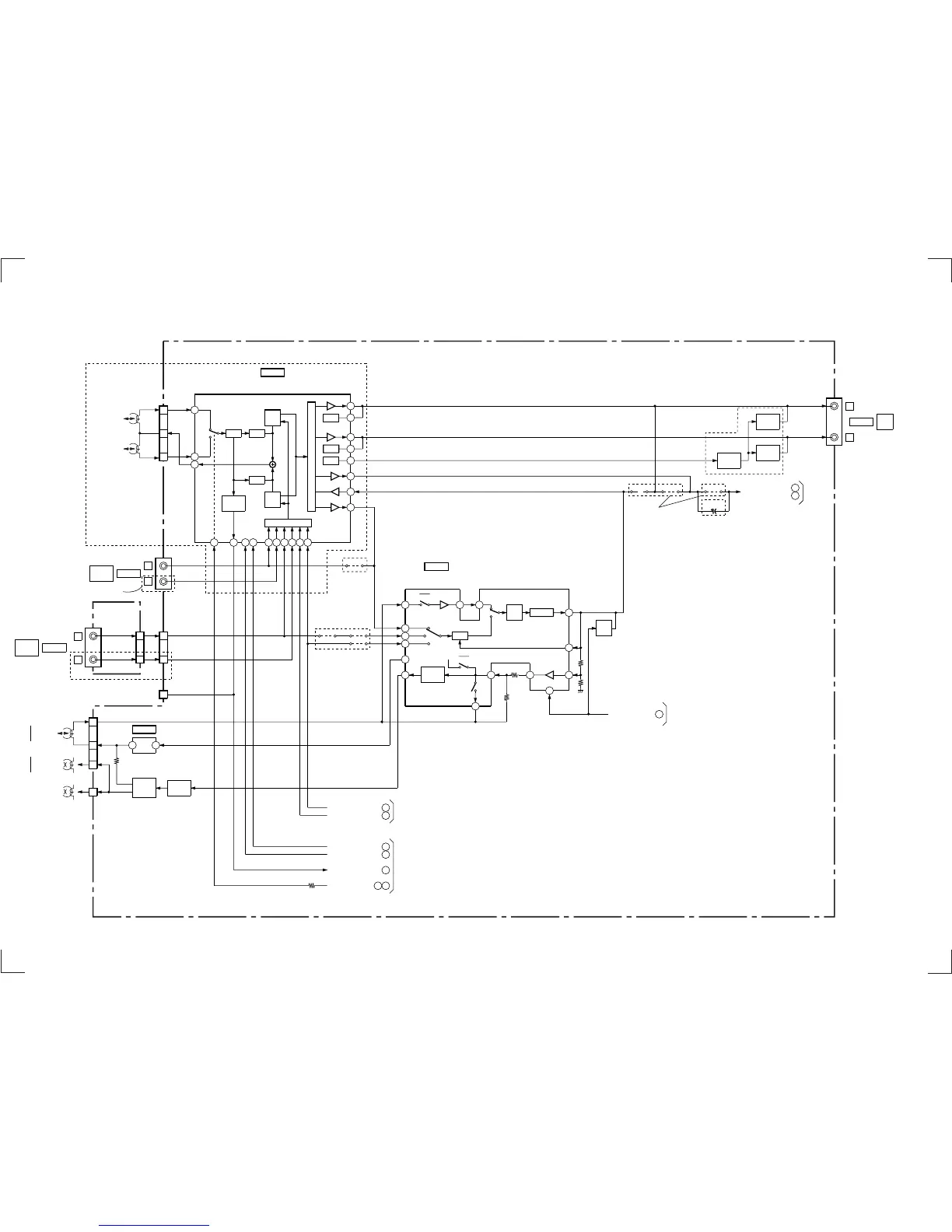
3-4. AUDIO/TUNER BLOCK DIAGRAM
3-7 3-8
BOARD
JK-168
3
CJ801
CN801
L2 R
CN423
LINE 2
IN
CJ561
LINE
OUT
AUDIO
R
L
MA-341 BOARD
2
1
3
CN260
DRUM
AUDIO
HEAD
CH1
CH2
PNR
L
MUTE
INPUT SEL
LEVEL
DET
VCO
MUTE
IC360
AUDIO
PROCESSOR
(HIFI)
44 6 7 3 2
SCL
43
SDA
42
R
L
AUDIO
CJ561
LINE 1
IN
R
L
AUDIO
5
L2 L
3
5
BIAS
ERASE
OSC
T301,Q303
CN301
4
3
1
ERASE
AUDIO
REC/PB
HEAD
NOMAL
AUDIO
HEAD
SW
42
IC331
1
FULL
HEAD
CN302
HEAD
IC201
AUDIO
PROCESSOR
(MONO)
MUTE
LINE
AMP
ALC
93 92
EQ
REC
REC
REC
8487
REC:EP,LP
PB:EP
86
85
AUTO
BIAS
89
88
AUTO
A-H SW
74
76
78
MUTE
Q382
(2/2)
16
37
35
36
H
L
BPF VCO
PNR
R
10 1141
OUTPUT SEL
MUTE
NA IN
NA OUT
16
15
17
18
14
13
22
21
L69HF/L72HF/79HF/
L89HF/X66HF MODEL
L69HF/L72HF/79HF/
L89HF/X66HF MODEL
JS323
JS327
L49/L52/L59/X55
MODEL
L49/L52/L59/X55
MODEL
JS322
JS321
L1
L2
TU
BIAS
SW
Q302
AUDIO
ERASE
HEAD
P
R
A MUTE
VREF
80
94
81
82
MUTEMUTE
Q301
JS325
L69HF/L72HF/L79HF/
L89HF/X66HF MODEL
L69HF/L72HF/L79HF/
L89HF/X66HF MODEL
1
CN270
CHECK
HF ADJ
JS324
MUTE
Q381
MUTE
SW
Q380
JS326
C389
L49/L52/L59/X55
MODEL
RF AUDIO
1TU700
1TU701
TO
TUNER
BLOCK
A MUTE IC160
63
FROM
SYSCON
BLOCK
FROM/TO
SYSCON
BLOCK
TU AUDIO L TU701
38
I2C DATA IC160
72
I2C SCL IC160
71
AF ENV IC160
9
AF SWP IC160
19
TU AUDIO R TU701 37
FROM
TUNER
BLOCK
22
L69HF/L72HF/79HF/
L89HF/X66HF MODEL
(SEE PAGE 4-7,11)
(SEE PAGE 4-24)
(SEE PAGE 3-6)
(SEE PAGE 3-5)
(SEE PAGE 3-5)
(SEE PAGE 3-6)

Table of Contents

Related product manuals