EasyManua.ls Logo

Sony SLV-L49 - Power Block Diagram

Sony SLV-L49
125 pages
Print Icon
To Next Page IconTo Next Page
To Next Page IconTo Next Page
To Previous Page IconTo Previous Page
To Previous Page IconTo Previous Page
Loading...
SLV-L49/L52/L59/L69HF/L72HF/L79HF/L89HF/X55/X66HF
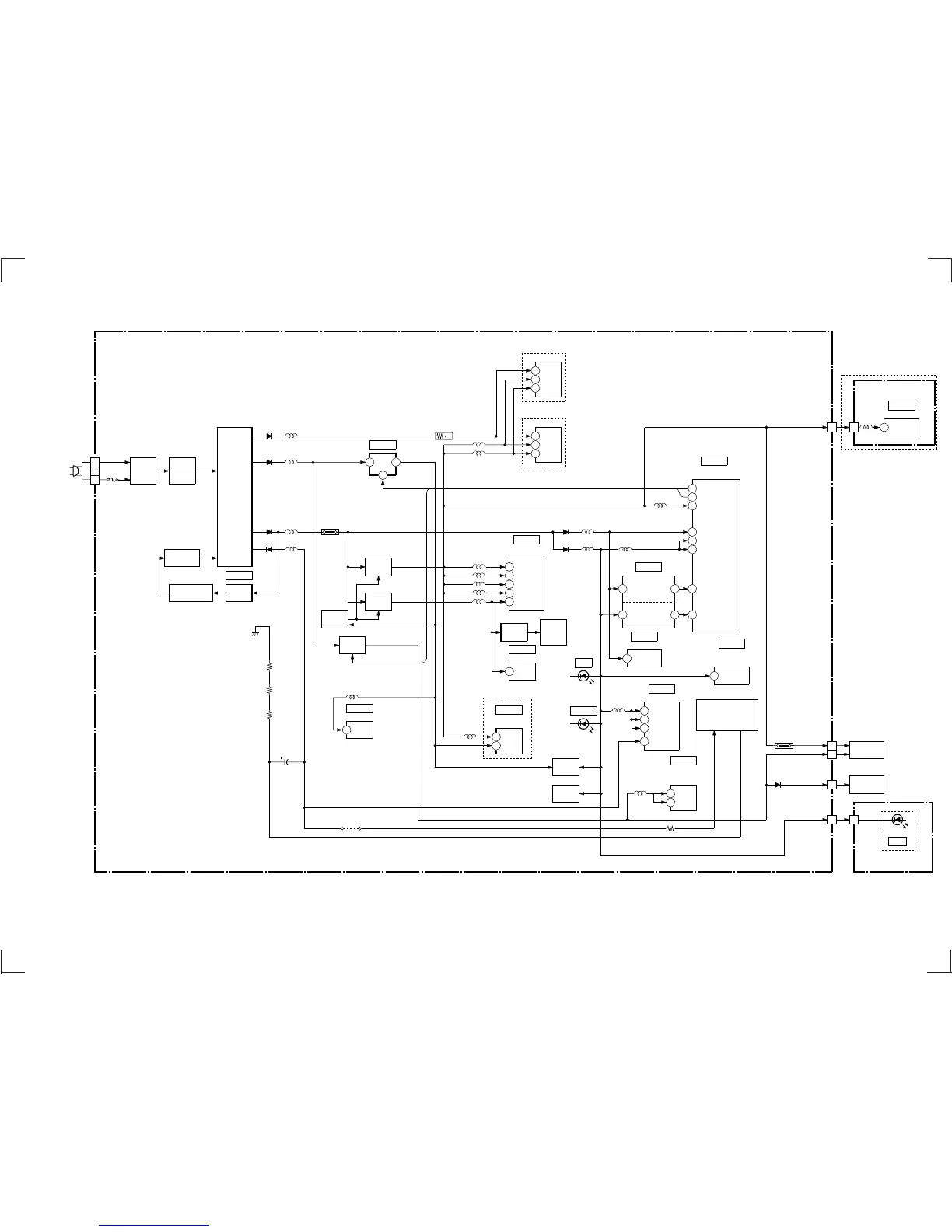
3-5. POWER BLOCK DIAGRAM
3-9 3-10E
MOTOR
R642
GND
R645
R646
C421
12V SW
Q604,605
12V
REG
21
4
IC601
SW 5V
REG
Q607
PS600
R705
VCC
40
AFM.
AUDIO PROC
IC360
IC260
T/S
REEL
CAPSTAN
MOTOR
IC160
SERVO/SYSTEM
CONTROL
LOADING
MOTOR
DRIVE
VCC1
8
VCC2
R647
9
IC101
PS101
D109
CN101
MTR 12V
MTR 12V
SW 5V
CN102
DRUM
MOTOR
RESET
PULSE
GEN.
POWER
FAIL
DET.
VCC2
5
VCC1
7
IC162
FLUORESCENT
INDICATOR TUBE
ND420
F-
F+
7
1
1
L604
MA-341 BOARD
BIAS
SW
Q302
IC331
P CONT SW12
P CONT M12
SW5V
M12V
SW12V
+30V
D6V
HEAD SW
HEAD AMP
VCC
1
ALL 5V
13
T/S
SENSOR
Q101,102
PH101,102
L101
16
LINE
FILTER
RECT
F600
AC
IN
D600
LF600
REG
ADJ
IC602
PHOTO
INTERRUPTER
PH600
D609
3
1
CN600
SWITCHING
REG.
Q601,602,606
L601
D608
L602
D607
L603
D606
POWER
TRANS
T600
NA 5V
REG
Q608
NA5V
REG
CONT
Q603
30V
17
5V
3
5V
15
TU701
L69HF/L72HF/L79HF/
L89HF/X66HF MODEL
30V
17
5V
3
5V
15
TU700
L49/L52/L59/
X55 MODEL
L704
L703
L304
L203
L206
L205
L204
Y VCC
9
C VCC
58
CCD VCC
56
SW VCC
40
A VCC
75
Y/C PROC
AUDIO PROC
IC201
BIAS
ERASE
OSC
T301,Q303
VCC
34
L360
L69HF/L72HF/L79HF/
L89HF/X66HF MODEL
P CONT SW12
65
P CONT M12
64
AMP VCC
98
L161
D161
L162
D162
L163
6
8
VCC
37
AVCC
99
RESET
34
P FAIL
78
L501
OSD VCC
53
IC161
EEPROM
VCC
8
IC420
FL DRIVER
L420
VDD
14
VDD
33
VDD
45
VEE
34
ARC
POWER
D410
D405
IC403
REMOTE
CONTROL
RECEIVER
VCC
2
JOG
D441
10
CN404
MTR 12V
D5V
10
CN441
DS-84 BOARD
L89HF MODEL
IC570
ARC
VCC
5
1
CN201
SW 5V
1
CN570
L570
AR-20 BOARD
L52/L72HF/L89HF MODEL
JS621
()
L270
(SEE PAGE 4-17)
(SEE PAGE 4-25)
(SEE PAGE 4-22)

Table of Contents

Related product manuals