EasyManua.ls Logo

Sony STR-D760Z - Block Diagrams; Dolby Surround Section

Sony STR-D760Z
72 pages
Print Icon
To Next Page IconTo Next Page
To Next Page IconTo Next Page
To Previous Page IconTo Previous Page
To Previous Page IconTo Previous Page
Loading...
— 29 —
— 30 —
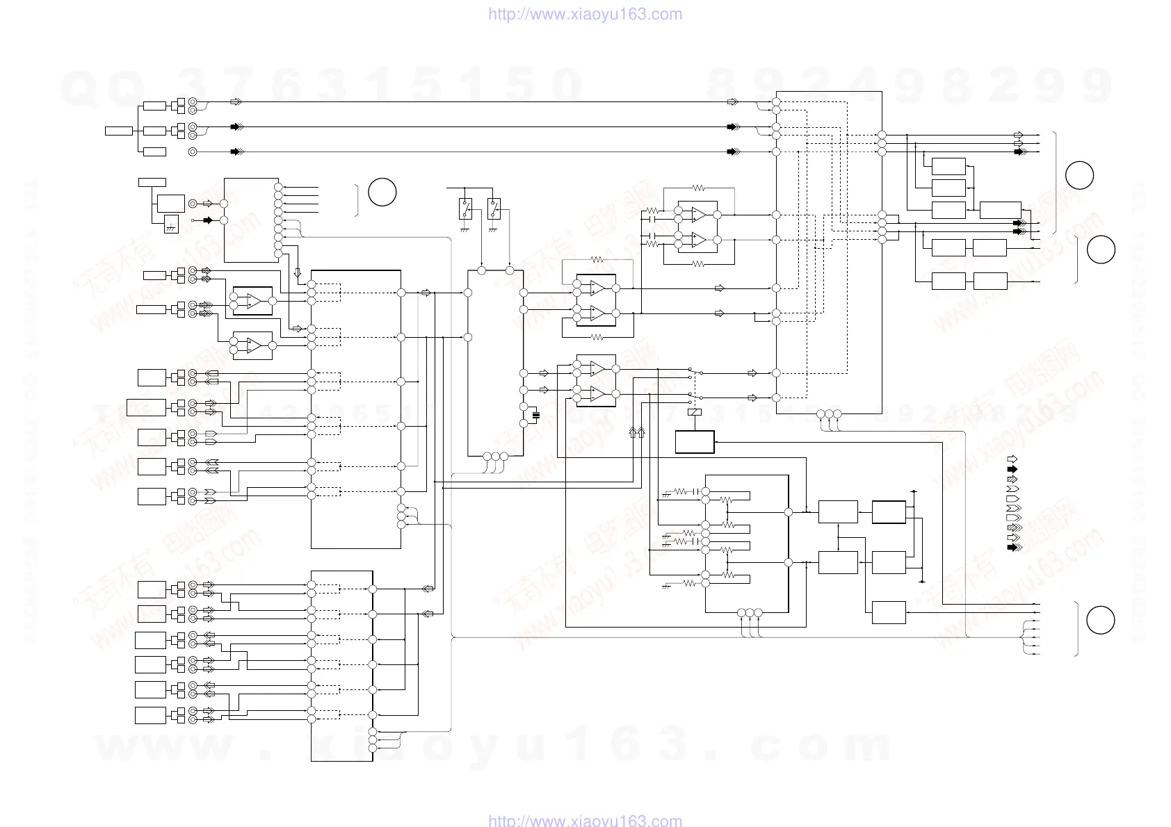
5-2. BLOCK DIAGRAMS
— DOLBY SURROUND SECTION —
1
3
2
3
1 4
21
3
2
28
30 27
29
5
6 8
7
26
25 23
24
9
10
11
21
22
20
13
14
15
7
6
5
22
21
202
9
84
7
6
17
19
AM ANT
(75)
STEREO STEREO
A STOP
T MUT
IFD
AUTO STOP
T MUTE
IF DATA IN
CLOCK
DATA
CE
L ch
R ch
72 5
19 20
7
73
22
21
16 1715
7
5
6
2
3
2
3
5
6
2
3
1
7
5
6
2
3
1
23
5
21
10
29
6
28
3
2
9
11
20
22
8
4
7
24
1
30
14 1513
7
1
MUTE
Q452
MUTE-SW
Q413
MUTE
Q402
MUTE-SW
Q412
MUTE
Q403
MUTE
Q451
MUTE
Q401
L/R/C MUTE SW
Q411
11
12
14
15
6
5
3
2
98 10
4
13
1
2
4
30
29
27
6
7
8
24
25
23
9
10
11
21
22
20
13
14
15
TONE CONTROLLER
IC502
• Signal path
: FM
: AM
: CD
: TAPE
: DAT/MD
: TAPE (REC)
: DAT/MD (REC)
: PHONO
: AUDIO
: SURROUND
L
R
FRONT
REAR
CENTER
5.1 INPUT
L
R
L
R
CD IN
PHONO IN
L
R
DAT/MD
REC OUT
L
R
FM 75
COAXIAL
AM
ANTENNA
DAT/MD
IN
L
R
TAPE
REC OUT
L
R
TAPE
IN
L
R
TV/DBS
AUDIO IN
L
R
LD/DVD
AUDIO IN
L
R
VIDEO 2
AUDIO OUT
L
R
VIDEO 2
AUDIO IN
L
R
VIDEO 1
AUDIO OUT
L
R
VIDEO 1
AUDIO IN
L
R
VIDEO 3 INPUT
AUDIO
L
R
09
FM/AM TUNER
TU401
AUDIO IN/OUT SELECTOR
IC301
3
2
1
S LAT
S DATA
S CLK
AUDIO SELECTOR
IC303
S LAT
S DATA
S CLK
1
2
3
1
2
3
235
X401
4MHz
DATA
CLK
LAT
IN
OUT
R OUT
L OUT
S OUT
C OUT
R IN
L IN
5V
Q416 Q415
IC401
AUDIO
PROCESSOR
AUDIO SELECTOR
IC406
IC403
IC404
IC402
EQ AMP
IC302 (1/2)
EQ AMP
IC302 (2/2)
RY401
DIR. PASS SW
Q410
324
S CLK
S DATA
T LAT
BIAS
Q552
VOLTAGE AMP
Q501
VOLTAGE AMP
Q551
BIAS
Q502
BOOST SW
Q414
–12V
D PASS
BASS BOOST
S CLK
S DATA
S LAT
T LAT
D LAT
+12V
L
R
C
SL
SR
F/C/W MUTE
SR MUTE
SL MUTE
L
R
L
R
L OUT
R OUT
C OUT
SL OUT
SP OUT
C
PSR
PSL
C
SL
SR
L
R
S LAT
S DATA
S CLK
321
A
PANEL SECTION
(Page 35)
B
PANEL SECTION
(Page 36)
A
PANEL SECTION
(Page 35)
A
PANEL SECTION
(Page 35)
CENTER
REAR
REAR
REAR
CENTER
REAR
CENTER
5
4
1
2
3
STR-D760Z/DE815G
w
w
w
.
x
i
a
o
y
u
1
6
3
.
c
o
m
Q
Q
3
7
6
3
1
5
1
5
0
9
9
2
8
9
4
2
9
8
T
E
L
1
3
9
4
2
2
9
6
5
1
3
9
9
2
8
9
4
2
9
8
0
5
1
5
1
3
6
7
3
Q
Q
TEL 13942296513 QQ 376315150 892498299
TEL 13942296513 QQ 376315150 892498299
http://www.xiaoyu163.com
http://www.xiaoyu163.com

Related product manuals