EasyManua.ls Logo

Sony STR-DA3200ES - Page 101

Sony STR-DA3200ES
168 pages
Print Icon
To Next Page IconTo Next Page
To Next Page IconTo Next Page
To Previous Page IconTo Previous Page
To Previous Page IconTo Previous Page
Loading...
101
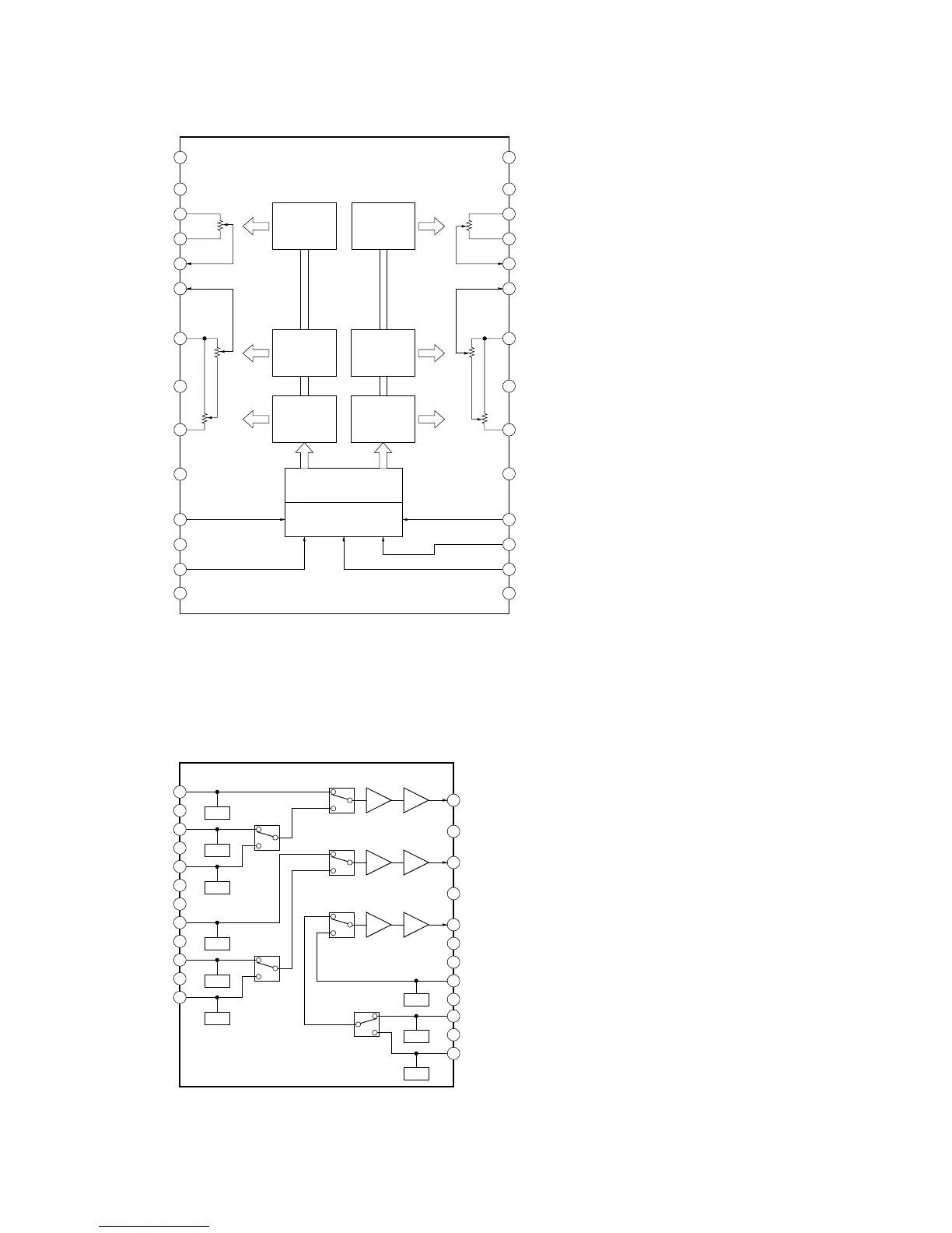
STR-DA3200ES/DG1000
IC1203, 1213, 1223, 1233 CXD9725M-HFL
TRIM VOLUME
0-+24dB/
1dB STEP
TRIM VOLUME
0-+24dB/
1dB STEP
5 to 25 DECODER
&
LATCH CIRCUIT
4 to 13 DECODER
&
LATCH CIRCUIT
4 to 16 DECODER
&
LATCH CIRCUIT
24 BIT
SHIFT REGISTER
CIRCUIT
LEVEL SHIFT
CIRCUIT
5 to 25 DECODER
&
LATCH CIRCUIT
4 to 13 DECODER
&
LATCH CIRCUIT
4 to 16 DECODER
&
LATCH CIRCUIT
2VSS
3TRIM
4TRIM
5TRIM
6OUT
7VRGND
9VRIN
8NC
11CS1
10NC
14NC
1NC
12GND
13CLK
26 TRIM
25 TRIM
24 TRIM
23 OUT
22 VRGND
20 VRIN
21 NC
28 NC
18 CS2
19 NC
15 NC
17 LAT
16 DATA
26 VDD
MAIN
VOLUME
0- –95dB/
0.5dB STEP
MAIN
VOLUME
0- –95dB/
0.5dB STEP
VIDEO Board –
IC6101 NJM2586AM
CONT2
CONT2
CONT1
CONT1
CONT1
1CH1 IN1
2SW1
4SW2
24 CH1 OUT
23 PS
BIAS
3CH1 IN2
BIAS
5CH1 IN3
6GND
7V+1
BIAS
11GND
12CH2 IN3
BIAS
8CH2 IN1
9GND
BIAS
10CH2 IN2
BIAS
75
DRIVER
6dB
AMP
22 CH2 OUT
75
DRIVER
6dB
AMP
21 V+2
20 CH3 OUT
19 GND
18 V–2
16 V–1
17 CH3 IN1
75
DRIVER
6dB
AMP
BIAS
15 CH3 IN2
BIAS
13 CH3 IN3
14 GND
BIAS
CONT2

Table of Contents

Other manuals for Sony STR-DA3200ES

Related product manuals