EasyManua.ls Logo

Sony STR-DA7100ES - Page 85

Sony STR-DA7100ES
139 pages
Print Icon
To Next Page IconTo Next Page
To Next Page IconTo Next Page
To Previous Page IconTo Previous Page
To Previous Page IconTo Previous Page
Loading...
85
GB
Amplifier Operation
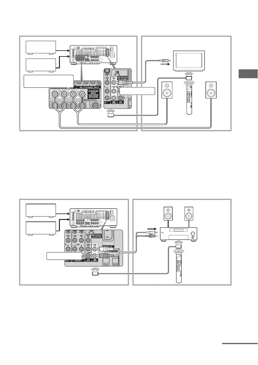
2 SURROUND BACK SPEAKERS/2ND ZONE jacks
2:3rd zone connections
Main room 2nd zone
TV
monitor
A
VIDEO OUT
B
D
STR-DA7100ES
D
SURROUND BACK
SPEAKERS
A Audio component
B Video component
C IR repeater (not supplied)
D Speaker
RM-US106A
C
A
AUDIO OUT
B
C
EE
D
RM-US106A
STR-DA7100ES
C
Main room 3rd zone
A Audio component
B Video component
C IR repeater (not supplied)
D Sony’s Amplifier/Receiver
E Speaker
continued

Table of Contents

Other manuals for Sony STR-DA7100ES

Related product manuals