EasyManua.ls Logo

Sony STR-DB925 - Power Section

Sony STR-DB925
62 pages
Print Icon
To Next Page IconTo Next Page
To Next Page IconTo Next Page
To Previous Page IconTo Previous Page
To Previous Page IconTo Previous Page
Loading...
– 11 –
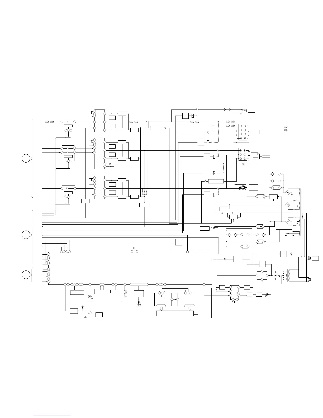
– POWER SECTION –
STR-DB925
DATA
RELAY
DRIVE
Q601
LIMITER
Q504
VEE
VCC
IN
MUT
+VE
NF
-VE
VCC
POWER AMP(L)
IC501
L
+B
-B
LIMITER
Q505
BOOSTER
Q506
BOOSTER
Q507
CUR DET
Q508
PROTECTOR
Q509,510
Q511
LIMITER
Q604
VEE
IN
+VE
NF
-VE
VCC
POWER AMP(C/W)
IC001
C
+B
-B
LIMITER
Q605
BOOSTER
Q606
BOOSTER
Q607
CUR DET
Q608
LIMITER
Q704
MUTE
Q501,503
VEE
VCC
IN
MUT
+VE
NF
-VE
VCC
POWER AMP(SL)
IC701
P RY
ND 2
MD0
SINO
SOTO
UDATA
UCLOCK
UHREQ
USREQ
URESET
LED VOL
VOL DOWN
VOL UP
RDS DATA
RDS CLK
ANT LEV
AMUTE
VOL CE
VOL CLK
VOL DATA
HP RY
SL
SP/A RY
SP/B RY
PROTECT
C RY
W RY
SUR RY
STOP
+B
-B
LIMITER
Q705
BOOSTER
Q706
BOOSTER
Q707
CUR DET
Q708
RY602
RELAY
DRIVE
Q546
RY501
RELAY
DRIVE
Q596
RY502
RELAY
DRIVE
Q645
RY601
RELAY
DRIVE
Q745
RY701
RELAY
OVER LOAD SW
Q609, 610, 709, 710
DRIVE
Q544
Q611
RY503
RELAY
DRIVE
Q901
RY901
J501
C
S(L)
S(R)
R CH
R CH
WIRELESS
REAR
SPEAKER
CNJ701
CENTER
WOOFER
J701
PHONES
TM701
FRONT
SPEAKER
TM501
R CH
R CH
POWER
CONT
IC901
DELAY
+B SW
Q902
SWITCH
Q747,748
D801
SWITCH
Q613,616
PROTECTOR
Q547-549
D806 F2
F1
+5.6V
F801
F802
D802-805
+B
+32V
-B
IMPEDANCE
SELECTOR
8
4
S501
D901-904
CNS901
AC IN
AC
OUTLET
L
R
IN
W
VCC
+VE
-VE
+18V
REG
IC702
D+5V
D+3.3V
D+3.3V
T901
POWER
TRANSFORMAER
D808
F803
F804
-15V
REG
+5V
REG
IC809
+24V
-24V
+15V
REG
+5V
REG
IC801IC8
+3.3V
REG
IC802IC8
+3.3V
REG
IC803
IC401
+12V
REG
IC403
+5V
REG
IC404
+15V
+12V
+5V
IC402
-15V
+5V
T902
POWER
TRANSFORMER
SYSTEM CONTROL/
MODE CONTROL
IC102
REMOTO
CONTROL
RECEIVER
IC101
SIRCS
Q101
FUNCTION
KEY
AUBUS-OUT
U-DATA
U-CLOCK
U-HREQ
U-SREQ
U-RESET
LED VOL
VOL DOWN
VOL UP
RDS DATA
RDS CLOCK
AD VERTION
AUBUS-IN
AD KEY IN2
AD KEY IN3
AD KEY IN4
AD KEY IN5
AD KEY IN6
LED MUTE
FUNCTION-DOWN
FUNCTION-UP
SP-A
SP-B
POW-KEY IN
LED
FL DATA
FL CLK
FL LAT
FL CLEAR
SOT0
SIN0
MD0
MD2
MUTING
D101
LED DRIVE
Q102
S-LINK
CTRL A1
J204
Q180
IN/OUT
BUFFER
FUNCTION
RV101
POWER
S131
D100,104-106,
D108-119,122
LED DRIVE
Q103,104
106-119,122
I/R
CONT
IC181
I/O
BUFFER
Q182
RESET
Q181
LAT
X180
7.28MHz
I/R
DET
IC180
LED
DRIVE
Q184,185
D184-186
REAR
SPEAKER
A
INPUT
SECTION
(Page 10)
F
DSP
SECTION
(Page 8)
B
INPUT
SECTION
(Page 10)
• R CH is omitted
• Signal path
: FM
: CD
26
1313
+5V
REG
IC1501
1
3
13
13
31
13
8
6
14
15
12
9
11
3
2
3
5
2
15
14
13
6
1
13
14
15
6
1
2
5
3
98
22 21 24 25
30 29
4
5
3
FL GRID
DRIVER
IC105
FL
SEGMENT
DRIVER
IC104
1G 19G
DIN
D OUT D IN
CLK
CLR
LAT
CLK
LS
CL
61
62
60
59
58
19 20 49 51
88
56
55
54
53
45
09
67
63 39 40 41 43 44 90 70 69
SPEAKERS
S134
72 73 74
1-10 14-16 87 89 91 92
...
RESET
SWITCH
Q105
17-26 16-8
.
24 26 34
29
FL TUBE
FL101
F1
F2
5-20 41-59
.
P1 P35
82
X101
4MHz
83
XO
XI
STOP
47
RESET
77
11
12
5
14
33
2
8
3
5
6
1
3
1
3
1
3
1
3
15 16
14 15
CONTROL
CONTROL
10
9
8
3
2
109
8
LAT
DATA
CLK
LAT
CLK
14
15
CONTROL
10
9
8
SWITCH
IC415
SWITCH
IC416
SWITCH
IC414
LAT
DATA
CLK
14
15
+32V REG
Q801
..
– 12 –

Other manuals for Sony STR-DB925

Related product manuals