EasyManua.ls Logo

Sony STR-DE597 - Block Diagram - Tuner;Audio Section

Sony STR-DE597
60 pages
Print Icon
To Next Page IconTo Next Page
To Next Page IconTo Next Page
To Previous Page IconTo Previous Page
To Previous Page IconTo Previous Page
Loading...
STR-DE597
1616
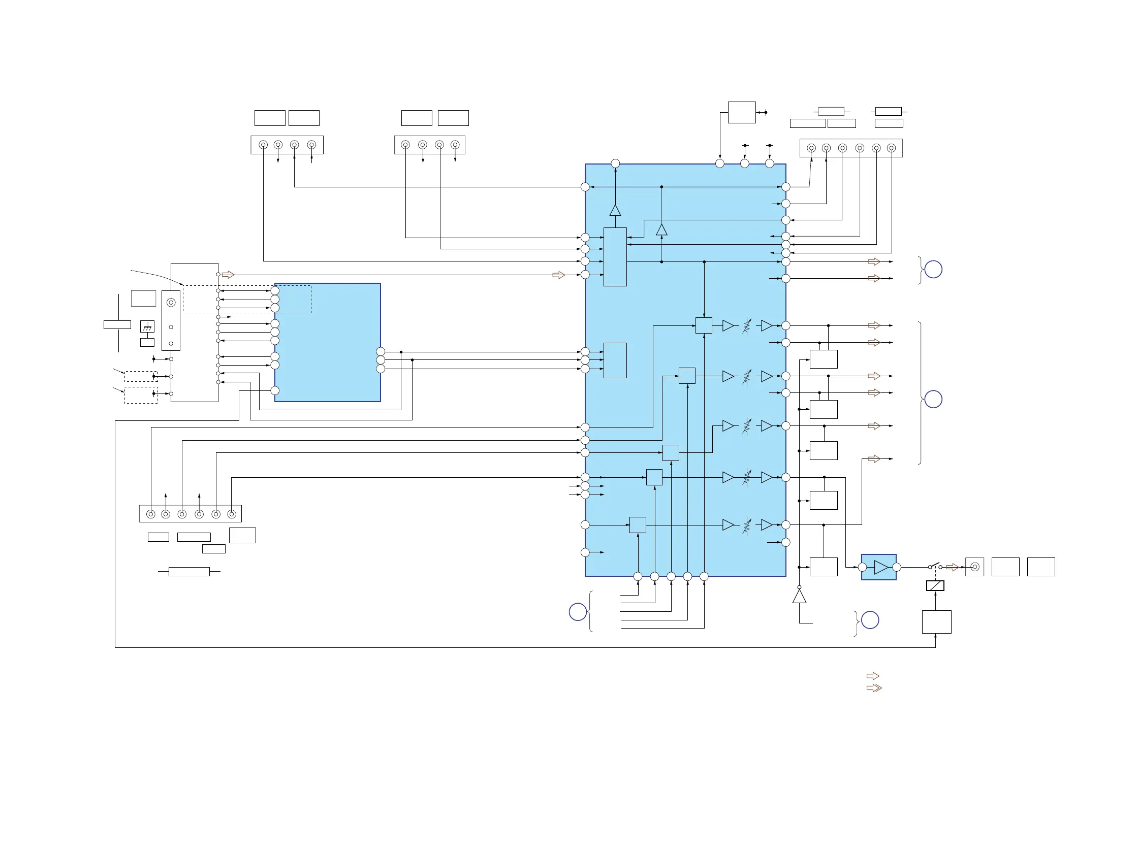
4-3. BLOCK DIAGRAM — TUNER/AUDIO SECTION
43
76
75
78
74
73
70
SA-CD/CD
IN
MD/TAPE
OUT
MD/TAPE
IN
DVD AUDIO
IN
L
J402 J403 J404
R
R-CH
R-CH
R-CH
R-CH
LR
AM
TN1
FM/AM TUNER UNIT
SYSTEM
CONTROL
IC1101 (1/4)
LRLR
L
-3 -4 -5 -6
-1 -2
RL
VIDEO 2
AUDIO OUT AUDIO INAUDIO IN
RLR
R-CH
RDS SIG
S LATCH
SW RY
IC.DATA
IC.CLK
VOL LATCH
STEREO
TUNED
MUTE
DO
L-CH
AEP,UK MODEL
AEP,UK MODEL
EXCEPT
AEP,UK MODEL
R-CH
STEREO
TUNED
MUTING
CE
DO
DATA
CLOCK
VIDEO 1
MUTE
Q300,310
MUTE
Q320,330
MUTE
Q360
MUTE
Q350
MUTE
Q340
AUDIO
OUT
SUB
WOOFER
RELAY
DRIVER
Q560
Q379
SUB WOOFER
AMP
IC402
J309
RY560
SYSTEM MUTE
SB-CH
C-CH
SR-CH
FR-CH
SL-CH
FL-CH
R-CH
L-CH
TU+3.3V
56
53
58
16
17
22
FM 75
COAXIAL
63
62
68
67
21 24 22
72
74
76
80
18
20
19
4
SUB
WOOFER
LR
R-CH
R-CH
LR
FRONT
SURROUND
CENTER
J401
MULTI CH IN
ANTENNA
57
54
55
6
7
46
47
40
41
35
34
28
29
5 7
15 11 12 13 10
61
SW
SEL
C
SEL
SL
SEL
L
SEL
R-CH
R-CH
70
69
R-CH
R-CH
R-CH
R-CH
R-CH
R-CH
DVDD
DIR
FUNCTION SELECT
IC401
AVCCAVEE
+7V-7V
-1 -2 -3 -4-1 -2 -3 -4
-1 -2 -3 -4 -5 -6
SEL
SW
MCU
I/F
3.3V
REG
Q471
3.3V
(STBY)
+7V
SBL OUT
R-CH
SW OUT
C OUT
SL OUT
L OUT
R-CH
R-CH
R-CH
52
51
TU+10V
52
RDS CLK
RDS INT
FM SIG OUT
53
RDS DATA
RDS DATA
• Signal path
: TUNER (FM/AM)
: VIDEO (AUDIO)
• R-ch is omitted due to
same as L-ch.
SBL
SEL
DIGITAL
SECTION
C
DIGITAL
SECTION
B
DIGITAL
SECTION
A
POWER
SECTION
D
(Page 17)
(Page 17)
(Page 20)
(Page 17)

Other manuals for Sony STR-DE597

Related product manuals