EasyManua.ls Logo

Sony STR-DE597 - Schematic Diagram - Main Section (2;2)

Sony STR-DE597
60 pages
Print Icon
To Next Page IconTo Next Page
To Next Page IconTo Next Page
To Previous Page IconTo Previous Page
To Previous Page IconTo Previous Page
Loading...
STR-DE597
2424
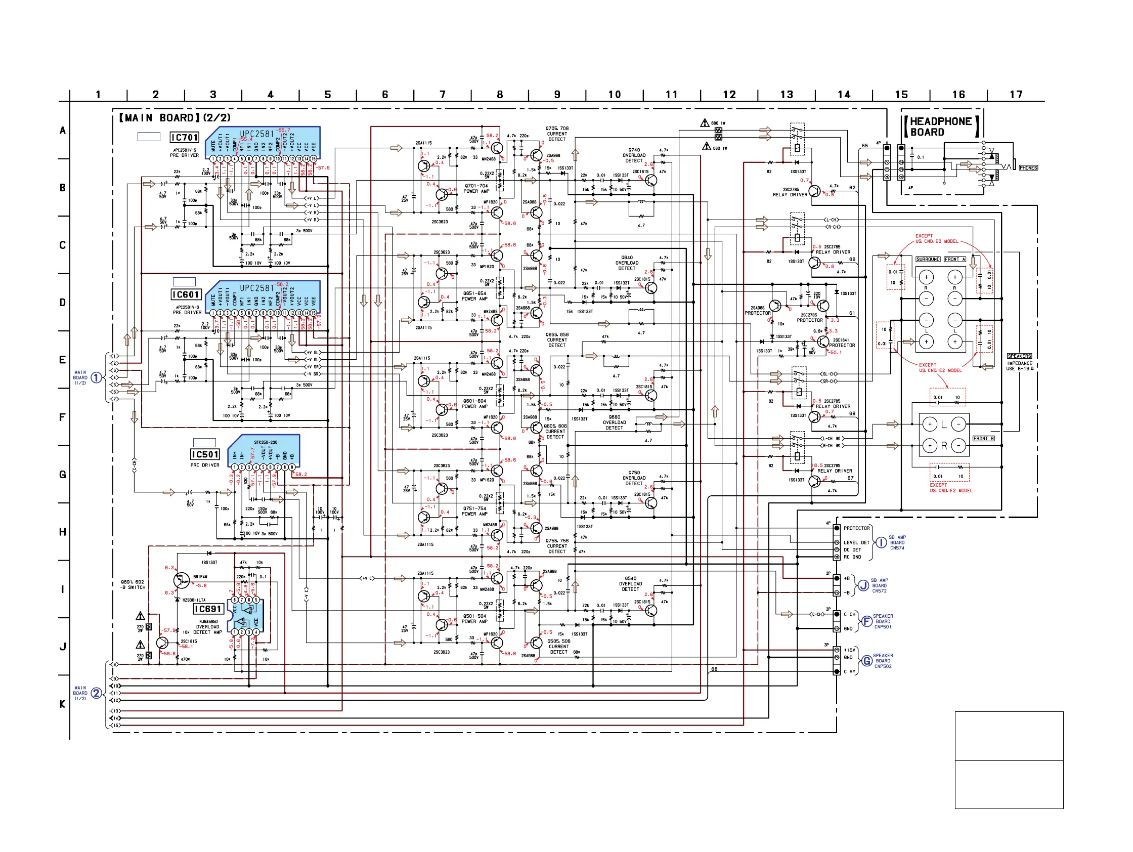
4-10. SCHEMATIC DIAGRAM — MAIN SECTION (2/2) — • Refer to page 21 for Common Note on Schematic Diagram and page 38 for IC Block Diagrams.
IC B/D
IC B/D
IC B/D
D710
Q710
R737 C722
D721
R753 R703
C753 C703
C755
C705
L701
R671
R669 C670
L651
Q722
Q725
R735
C721
R736
R621
L601
Q605
R620 C619
R623
R701
R751
L751
R771
Q756
R769 C770
R603
R653
R654
C603
C653
C605
C655R651
R601
R731
C706
C756
C656
C606
C707
C757
C657
C607
C501
C503
R501
R505
R503
R504
R521
R520 C519
D540
D640
C701
C751
C651
C601
D791
Q790
R791
Q706
R674 D665
Q606
R625
R624 D605
Q755
R775
R778
D765
R525
R524 D505
R744
R743
R718
R768
Q703
Q704
R714
R715
Q701
Q653
Q654
R665
R664
Q603
Q604
R614
R615
Q601
R765
R764
Q754
Q753
Q503
Q504
R514
D680
R695R696
R693
R698
C733 C732
C691
R793
R734
C642
C681
C752
C541
R770
R780
D690
R690
D610
Q610R634
R631
C744
D740
D705R724
C742
TM602
R635
D611
Q611
R632
TP701
IC501
R540
Q540
R557
R640
Q640
R677
R750
Q750
R757
Q691
Q692
R680
Q680
R657
R694
R648
R681
R758
R699
TM601
R740
Q740
R747R748
CN809
CN721
CN807
CN806
R754 R704
R702
R752
C743
R652
R602
R604
R502
C507 C506
R711R710
R713
Q702
C710
C720R719
R721
Q705
R722
C711
R723R717
R725
R673
C661
R667
R638
Q655
R663
Q652
C660
R661R660
Q651
Q656
R672
R611R610
R613
Q602
C610
R622
R763
Q752
C760
R772
R761R760
Q751
R511R510
Q501
Q505
R515
R513
Q502
C510
Q506
R522
C511
R517
R767
R668
R618
R617
C611
R773
C761
R573
R546
D722
D732
Q723
RY701
RY601
RY602
C740
C640
C680
C750
C540
RY791
CNP791
CN792
C790
J791
C704
C754
C654
C604
R691
R692
D691
C505
C504
R733 R732
C717
C716
C669
R716
R666
C666
C621
R616
C620
C767
R766
C766
C517
R516
C516
R556
R555
D750 R756
R755
R656
R655
R676
R675
R746
R745
R794
R792
CC21
CC19
RR15
RR16
CC11
RR11
CC13
RR12
CC17
RR14
RR13
CC15
IC701
IC601
IC691
The components identified by
mark 0 or dotted line with mark
0 are critical for safety.
Replace only with part number
specified.
Les composants identifiés par
une marque 0 sont critiques
pour la sécurité.
Ne les remplacer que par une
pièce portant le numéro spécifié.
(Page
23)
(Page
23)
(Page 31)
(Page 31)
(Page 31)
(Page 31)

Other manuals for Sony STR-DE597

Related product manuals