EasyManua.ls Logo

Sony STR-DE597 - Block Diagram - Power Section

Sony STR-DE597
60 pages
Print Icon
To Next Page IconTo Next Page
To Next Page IconTo Next Page
To Previous Page IconTo Previous Page
To Previous Page IconTo Previous Page
Loading...
STR-DE597
2020
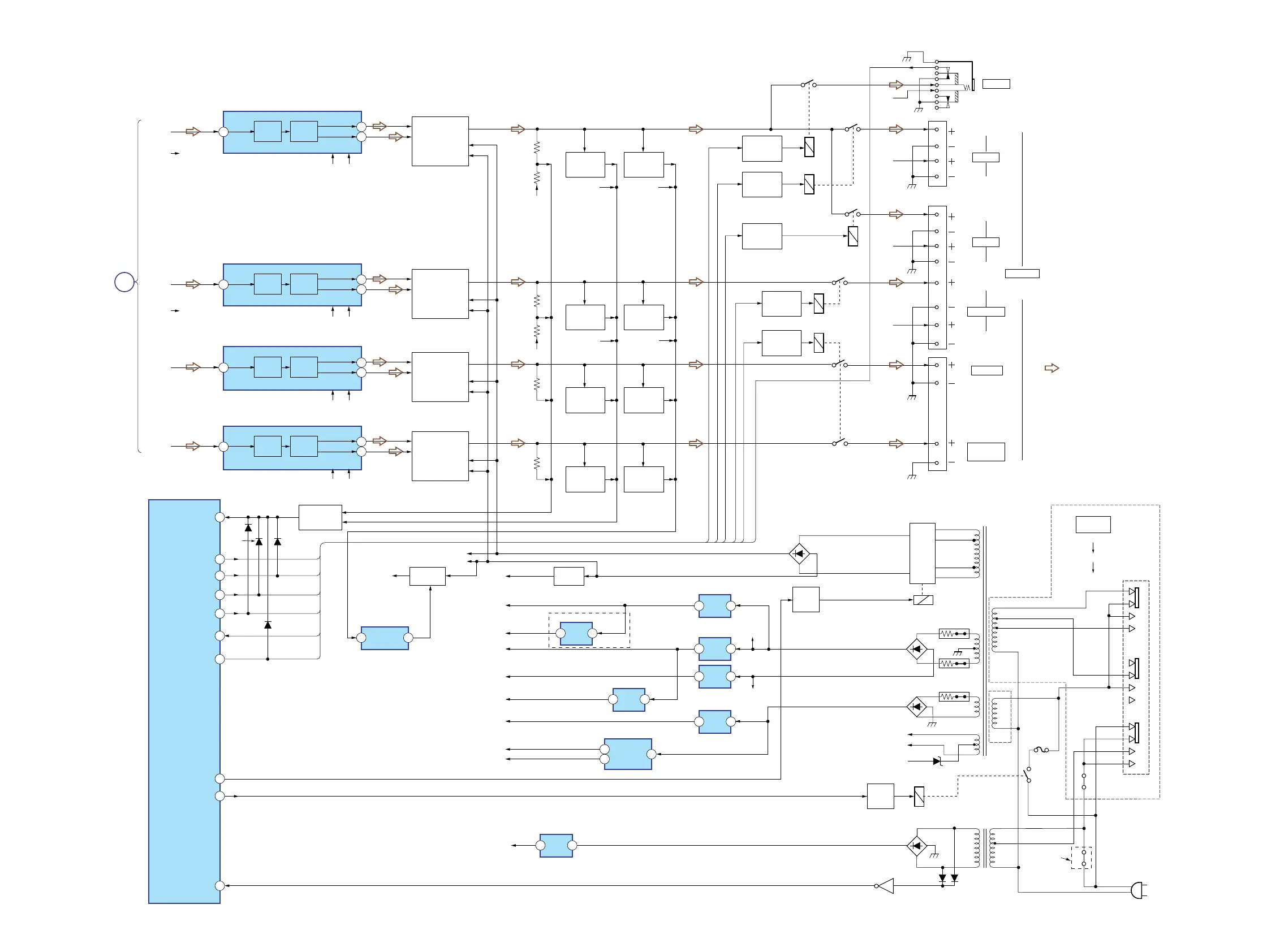
4-7. BLOCK DIAGRAM — POWER SECTION —
8
12
11
DRIVE
POWER AMP
Q701-704
CURRENT
DETECT
Q705,706
RY791
RY602
RY601
RY701
PRE DRIVER
IC701
IN 2
+VOUT2
-VOUT2
SPEAKERS
IMPEDANCE
USE 8-16
R
L
FRONT B
L
SURROUND
SURROUND
BACK
CENTER
R
R-CH
R-CH
R-CH
FL-CH
FR-CH
SL-CH
C-CH
R-CH
SR-CH R-CH
TUNER/
AUDIO
SECTION
D
RY901
RY801(EXCEPT CND)
RY802,803(CND)
D804
F1
F2
-32V
+3.3V
(STBY)
+2.5V
+5V-1
-7V
+7V
TU+10V
-32V
JW905
RECT
D910-913
T902
POWER
TRANSFORMER
D914
Q921
D915
D1110
D1111
D1107
D1108
~
AC IN
OVERLOAD
DETECT
D740,Q740
1
61
6
5
DRIVE
POWER AMP
Q501-504
CURRENT
DETECT
Q505,506
-32V REG
Q801
-B SWITCH
Q691,692
RELAY
DRIVER
Q901
PRE DRIVER
IC501
PRE DRIVER
IC571
IN+
+VOUT
-VOUT
OVERLOAD
DETECT
D540,Q540
8
12
11
DRIVE
POWER AMP
Q651-654
CURRENT
DETECT
Q655,656
PRE DRIVER
IC601
IN 2
+VOUT2
-VOUT2
OVERLOAD
DETECT
D640,Q640
RELAY
DRIVER
Q790
RELAY
DRIVER
Q611
RELAY
DRIVER
Q610
RY501
RELAY
DRIVER
Q550
69
66
62
PROTECTOR
D721,722,732
Q722,723,725
55
58
48
68
OVERLOAD
DETECT AMP
72
IC691
-B-1
-B
BACK-UP
SWITCH
4
5
+3.3V
2
IC1901
+5V-2
+5V
REG
13
IC1001
TU+3.3V
+3.3V
REG
13
IC1071
+3.3V
REG
13
IC1904
+10V
REG
13
IC1902
-15V
+15V
+7V
REG
31
IC801
-7V
REG
23
IC802
+5V
REG
13
IC1031
+B
R-CH
R-CH
R-CH
-B-1 +B
R-CH
R-CH R-CH
RECT
D802
RECT
D920-923
RECT
D805-808
T901
POWER
TRANSFORMER
TM602
R
FRONT A
L
R-CH
TM601
TM501
J791
PHONES
S901
VOLTAGE
SELECTOR
240V
220V
120V
HP-RY
SB-RY
FRONT RY
REAR-RY
CENTER-RY
HP DETECT
HP-RY
HP DETECT
SB-RY
FRONTRY
REAR-RY
CENTER-RY
HP_RY
FRONT RY
REAR_RY
PROTECTOR
HP DETECT
P0WER RY
67
SP_B_RY
72
BRIDGEABLE RY
STOP
C RY
EXCEPT
E2
MODEL
E2 MODEL
AEP,UK MODEL
SYSTEM
CONTROL
IC1101 (4/4)
PRE
DRIVE
PRE
DRIVE
SB-CH
1
6
5
DRIVE
POWER AMP
Q572-574
CURRENT
DETECT
Q575
IN +
+VOUT
-VOUT
OVERLOAD
DETECT
D575,Q577
-B-1 +B
-B-1 +B
-B-1 +B
PRE
DRIVE
PRE
DRIVE
RELAY
DRIVER
Q710
JW903
EXCEPT
E2
MODEL
RELAY
DRIVER
Q809
R810
R811
F901
R910
S901
-3
-2
-1
RELAY
SWITCH
• Signal path
: TUNER (FM/AM)
• R-ch is omitted due to
same as L-ch.
• Abbreviation
CND: Canadian model
E2 : AC 120V area in E model
(Page 16)

Other manuals for Sony STR-DE597

Related product manuals